IGBT/MOSFET栅极驱动光电耦合器:TLP2451
电子元件2026-03-23
电子元件2026-03-23
高速15Mbps逻辑栅极光电耦合器:TLP2418
电子元件2026-03-23
IGBT栅极驱动器光电耦合器:TLP351H,TLP701H
电子元件2026-03-23
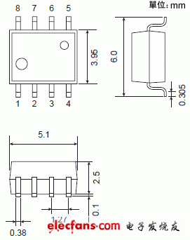
2.54SOP6封装中的高ION光控继电器:TLP310x系列
电子元件2026-03-23
低LED触发电流的光控继电器:TLP173A
电子元件2026-03-23
逻辑IC耦合器:TLP2118E
电子元件2026-03-23
电子元件2026-03-23
IGBT/MOSFET栅极驱动耦合器:TLP155E
电子元件2026-03-23
高频通过特性小型光继电器:TLP3375,TLP3275
电子元件2026-03-23
栅极驱动耦合器:TLP352
电子元件2026-03-23
高速逻辑IC耦合器TLP2368
电子元件2026-03-23
高速逻辑IC耦合器:TLP2466,TLP2160
电子元件2026-03-23
3.3V/5V驱动耦合器:TLP2366
电子元件2026-03-23
保证在125度条件下运行的3.3V/5V驱动高速逻辑IC耦合器:TLP2766
电子元件2026-03-23
SDIP6封装IC耦合器TLP705A
电子元件2026-03-23
RT809F、RT809H编程器:笔记本EC在线读写KB...
时间:2026-03-23
eMMC RPMB分区介绍
时间:2026-03-23
NorFlash、NandFlash、eMMC闪存的比较与区别
时间:2026-03-23
RT809H编程器教程:康佳RTD2995方案厂家升级...
时间:2026-03-23
液晶电视串口刷机或查看打印信息常用接口介...
时间:2026-03-23
VGA线针脚定义与规格,编程器刷机线、3+2、...
时间:2026-03-23
RT809H编程器:创维8R96机芯RTD2992打印信息...
时间:2026-03-23
RT300M(V2.0)新款超高亮度LED智能测试仪使用...
时间:2026-03-23
eMMC芯片在线读写寻找关键点的方法与步骤
时间:2026-03-23
RT809H教程:变频空调控制板MCU读写方法操作...
时间:2026-03-23
住宅小区负荷与变压器容量的选择技巧
时间:2026-03-06
石英灯电子变压器电路原理
时间:2026-03-06
玻璃釉电容器的结构与特点
时间:2026-03-05
光伏控制器简介
时间:2026-03-06
三极管的主要参数
时间:2026-03-07
HTCC:半导体封装的理想方式
时间:2026-03-06
变压器并列运行的条件浅析
时间:2026-03-06
电阻的标称阻值和允许偏差
时间:2026-03-05
半导体三极管的技术参数
时间:2026-03-07
贴片电阻怎么看阻值
时间:2026-03-05