01. 前言
电池管理系统(BatteryManagement System,BMS)的作用是智能化管理及维护各个电池单元,防止电池出现过放和过充,延长电池的使用寿命;并实时监控电池的状态,使其处于最佳的工作状态。 在BMS的硬件设计过程中,有一些关键点需要我们重视并深入挖掘,例如温度检测、电压检测、电量均衡、电流检测、预充预放、唤醒电路的设计等等,本文主要针对“温度检测”、“电压检测”以及“电量均衡”的功能原理和电路设计做一个说明。
02. 温度检测
1、功能说明
温度检测是BMS硬件的一个基础功能,依据板上的不同器件,可以分为电芯温度检测、均衡电阻温度检测和MOS温度检测;依据电池不同的工作状态,可以分为放电、充电和静置(不放电也不充电)模式下的温度检测;依据温度阈值,可以分为高温告警、低温告警和正常状态。 温度检测可以实时监测电池包的工作温度,例如出现高温告警时,立即停止充放电,防止温度进一步升高。同时上报云服务器(若有),确认是否有必要通知相关人员赶往现场,降低热失控的概率,即使已经起火,也能在一定程度上避免更大的损失。
当出现低温告警时,BMS会立即停止充电,而放电还要根据实际温度来做具体的判断(一般锂电池的充电温度范围是0~45℃、放电是-20~60℃)。低温充电的风险是析锂,严重情况下会造成起火,主要是负极在低温时的嵌锂阻抗明显大于正极脱锂阻抗,锂离子无法及时嵌入到负极当中,从而引发析锂、刺穿隔膜导致短路起火。
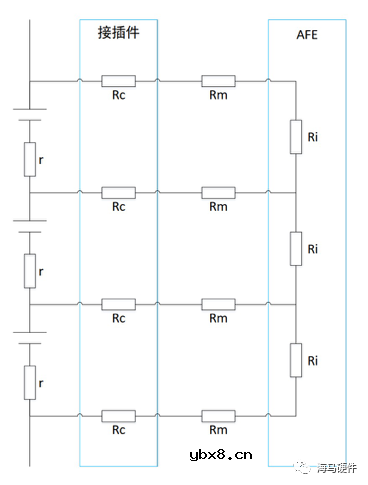
2、硬件电路
其实温度检测的电路非常简单,如下图2所示:搭建一个分压电路,使用ADC去采集分压后的电压,因为NTC器件的阻值会随着温度的升高而降低,因此在不同温度下可以采集到不同的电压值,最后通过公式计算得到当前的温度值。 NTC阻值和温度的公式如下:Rt = R *EXP(B*(1/T1-1/T2)) 这里T1和T2指的是K度(即开尔文温度),K度=273.15(绝对温度)+摄氏度;其中T2=(273.15+25);Rt 是热敏电阻在T1温度下的阻值;R是热敏电阻在T2常温下的标称阻值;B值是热敏电阻的重要参数;EXP是e的n次方。








1、功能说明
BMS的第三个重要功能是电量均衡,如下图所示:当电池在充电时,如果其中一节电芯最先达到满充状态,那么充电将停止,否则该节电芯可能会出现膨胀漏液甚至热失控,此时其余串联的电芯也不能再被充电,电池总体的能量利用率就会降低。当电池放电时,如果其中一节电芯最先达到过放状态,那么放电将停止,否则该节电芯会被过放损坏且不可恢复。BMS的均衡功能就是为了解决上述两个问题。
均衡又分为主动均衡和被动均衡,主动均衡可以理解为能量的主动搬运,例如出现下图的情况时,可以将100%的电芯电量转移到90%的电芯中、也可以将50%的电芯电量转移到10%的电芯中。在不计能量损耗的理想情况下,下左图的3节电芯将变成(100+95+95)/3=96.7%、下右图的3节电芯将变成(50+10+50)/3=36.7%。被动均衡则是被动消耗电芯的电量,一般使用电阻,不能实现电量的转移。主动均衡电路复杂、成本高,被动均衡反之,本文主要介绍被动均衡。



电场激活原位掺杂平面光伏型胶体量子点红外...
时间:2026-03-09
什么是硅片或者晶圆?一文了解半导体硅晶圆
时间:2026-03-09
集成电路的几纳米代表了什么?
时间:2026-03-09
金刚石基GaN问世 化合物半导体行业进入第三...
时间:2026-03-09
实用模拟电路小常识浅析
时间:2026-03-09
寄存器是什么?怎么操作寄存器点亮LED灯?
时间:2026-03-09
一文详解MOS管驱动电路拓扑的设计
时间:2026-03-09
汽车芯片业应汲取的教训
时间:2026-03-09
半导体光刻工艺 光刻—半导体电路的绘制
时间:2026-03-09
电阻的原理和作用 电阻色环识别图 电路中电...
时间:2026-03-09
使用过滤器电容器和诱导器来抑制受辐射的EM...
时间:2026-03-05
LED固晶机龙头直面“寒冬”
时间:2026-03-05
玻璃釉电容器的结构与特点
时间:2026-03-05
电容器入门教程
时间:2026-03-05
分析一个工作中常用的带有放大功能的高精度...
时间:2026-03-05
关于STM32WL LSE 添加反馈电阻后无法起振的...
时间:2026-03-05
绝缘电阻表的选用及使用注意事项
时间:2026-03-05
压敏电阻爆裂的原因分析
时间:2026-03-05
暑期买元器件下单立减还送华为P30pro
时间:2026-03-05
电阻的标称阻值和允许偏差
时间:2026-03-05