CB级就是两个空开联动,PC级就是一个三刀双掷开关。
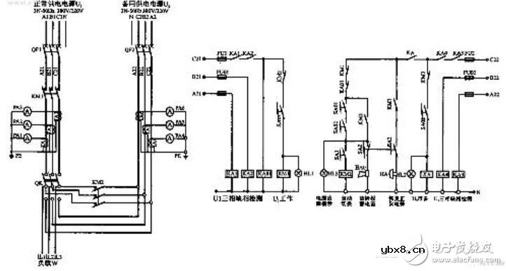
下面是PC级电路接线符号系统图

PS:双电源自动切换开关在电气图中的画法:

要正确选择双电源自动转换开关的首要条件,就必需明确以下几点参数:额定工作电压Ue、额定工作电流Ie、频率、相数、额定限制短路电流、转换条件、使用类别、转换时间等。
额定工作电压、频率、电流和相数
这些参数仅仅表明双电源自动转换开关满足作为“导体”最基本的要求,其必需能够满足所在地的电压、频率、电流和相数要求,一般电气工程师已经很熟悉。注:电压、频率、相数通常由双电源自动转换开关所在位置的相应参数决定。额定电流按照《IEC62091固定式消防泵控制器》标准规定,用于消防泵的ATSE,额定电流不得低于电机额定电流的115%,从安全的角度考虑,建议ATSE的额定电流统一采用负荷电流的125%(新民规也建议为125%)。
转换条件
我们需要ATSE的目的,就是需要在“特定”的条件下ATSE能够自动可靠的转换。这个“特定条件”就是ATSE的转换条件,或转换前提,是选择ATSE首要考虑要素。
1、如果常用电源没有故障,双电源自动转换开关就不能够转换。
这是许多用户(甚至厂家)都忽视的问题。双电源自动转换开关的控制器必需能够识别各种电压的瞬间波动,包括非电源故障的短时失压。例如,变电室低压配电母联开关切换属于正常的电源中断,不应该将母联开关切换时的断电判定为电源故障,需要能够判定这种“正常”的断电。控制器必须通过EMC试验,不能够在外部电磁干扰下误动作。注:转换条件由控制器的功能决定,对电源故障的判断方式(包括故障类型的识别)是控制器的核心技术,一般产品资料是不会介绍的,完全看制造商的研发水平和行业经验,需要设计师了解产品的判断机理。
2、在电源故障状况下必需转换。
但由于电源故障种类很多(十几种),所以,需要明确那些故障必需转换。因为用户需求的复杂性,一般供应商都提供多种功能的控制器,所以,设计时必需根据负载对电源质量的要求明确注明转换条件,否则,因为双电源自动转换开关市场供应的混乱以及业主对ATSE了解不多,导致最后使用的产品往往就只能够在完全失电一种条件下才能够转换,而其它电源故障(包括缺相、过欠电压等)不会转换,失去装的意义。注:因为双电源自动转换开关的功能还没有标准化,设计仅标注产品型号,并不能够保证用户了解所选型号的转换条件,导致实际选用的产品与设计要求相差较大,建议设计注明转换条件。例如任意相缺相、过压、欠压、频率偏差、谐波等,其中,任意一相断相必需转换是最低的要求。高端的控制器,甚至能够综合检查两路电源的质量,自动接入电能质量较高的一路电源。
转换时间
双电源自动转换开关每一次转换都是一个断电过程,会对系统产生一些影响。从标准看,有五种转换时间概念,有两种转换时间概念最有使用价值:一个是最小断电时间(由开关本体的机构决定),一个是总转换时间(即本体转换时间+控制器延时时间)。不同的负载和电源状况,有不同的要求,需要给予注意。在确认转换时间时,要注意有两种时间转换状态,一种是从常用电源到备用电源,一种是从备用电源返回到常用电源。
什么是PCA?何时应该使用PCA?
时间:2026-04-28
仪表放大器放大倍数分析
时间:2026-04-28
射频微波设计入门
时间:2026-04-28
变压器结构
时间:2026-04-28
8种进行简单线性回归的方法分析与讨论
时间:2026-04-28
什么是RS485通信接口
时间:2026-04-28
简单的上色装置
时间:2026-04-26
液晶屏对比度温度补偿
时间:2026-04-26
双输入视频多路复用的电缆驱动器
时间:2026-04-26
带有75Ω负载的抗阻匹配线路驱动器
时间:2026-04-26
NVIDIA CPU+GPU超级芯片大升级!
时间:2026-03-09
电阻的原理和作用 电阻色环识别图 电路中电...
时间:2026-03-09
什么是室温超导?半导体时代将走向结束?芯...
时间:2026-03-09
石英灯电子变压器电路原理
时间:2026-03-06
半导体光刻工艺 光刻—半导体电路的绘制
时间:2026-03-09
什么是硅片或者晶圆?一文了解半导体硅晶圆
时间:2026-03-09
汽车芯片业应汲取的教训
时间:2026-03-09
半导体行业之ICT技术简介
时间:2026-03-09
压敏电阻有正负极吗
时间:2026-03-05
实用模拟电路小常识浅析
时间:2026-03-09