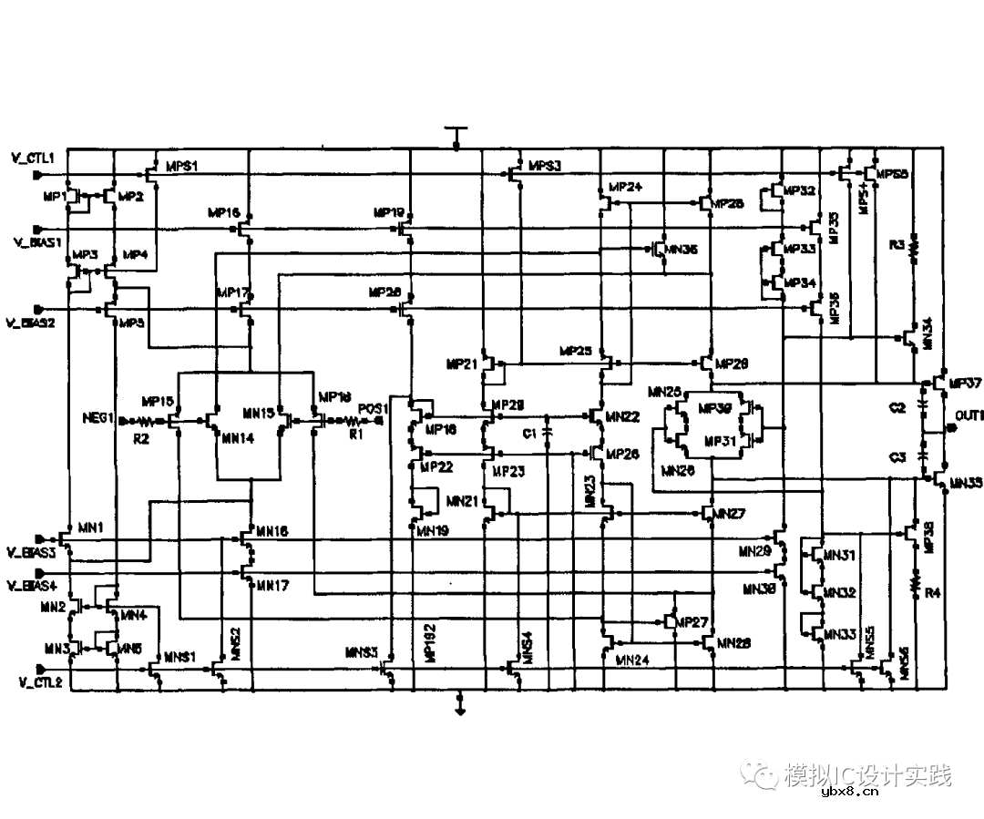
介绍一个3:1电流镜的两级Miller补偿轨到轨运算放大器及其设计要点。图1和图2分别为偏置启动电路和运放的主体结构。
基本原理:
3:1为nmos和pmos的迁移率之比,切换电流镜设置成这个比例以补偿共模电压变化情况下的gm变化,保持总的Gm=gmp+gmn=2gm。

图1 偏置启动电路

图2 轨对轨放大器主体电路
设计要点:
1.要注意图1中启动电路的BJT位vertical管,这是一个工艺上的使用限制
2.图2运放主体中的电流切换结构及其偏置方法是保持跨导恒定的关键
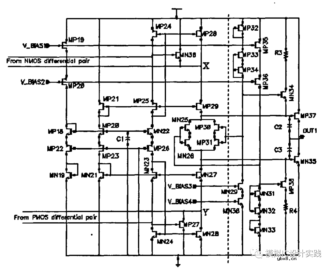
3.图3晶体管MP27和MN36是钳位电路,防止X/Y两点的电位在出现Slew的情况下偏离原始值太大,即fast recovery电路

图3 浮动电流源偏置及输出级Class AB控制
4.注意MP26的栅极不一定接地,可以根据需要调整;C1大约为1pF滤波,防止偏置电路的纹波耦合进入MP24;
5.频率补偿电容不一定完全使用图中的简单Miller(SMC),而是Cascode补偿与调零补偿混用,提升PSRR同时保证运放的稳定性足够;设计Cascode补偿必须保证Cascode管足够的gm;
6.浮动电流源偏置的输出级需要额外的钳位电路R3、MN34来弱化浮动电流源有限的输出阻抗导致的PSRR问题
什么是RTSP? RTSP和RTMP的区别
时间:2026-04-24
LCD1602显示原理
时间:2026-04-24
什么是BGA?BGA的结构和性能
时间:2026-04-24
降低电机驱动风险:栅极驱动器隔离的关键作...
时间:2026-04-24
电阻温度系数
时间:2026-04-24
占空比什么意思_占空比计算公式
时间:2026-04-24
详解卡尔曼滤波原理
时间:2026-04-23
什么是IMU(惯性传感器)
时间:2026-04-23
编码器是什么?编码器有哪些分类?
时间:2026-04-23
电容器颜色代码
时间:2026-04-23
石英灯电子变压器电路原理
时间:2026-03-06
半导体光刻工艺 光刻—半导体电路的绘制
时间:2026-03-09
什么是室温超导?半导体时代将走向结束?芯...
时间:2026-03-09
适用于DCM、QR的同步整流ic U7710SG介绍
时间:2026-03-09
什么是硅片或者晶圆?一文了解半导体硅晶圆
时间:2026-03-09
汽车芯片业应汲取的教训
时间:2026-03-09
电阻的原理和作用 电阻色环识别图 电路中电...
时间:2026-03-09
半导体行业之ICT技术简介
时间:2026-03-09
NVIDIA CPU+GPU超级芯片大升级!
时间:2026-03-09
北京理工大学实现了光导型向平面光伏型量子...
时间:2026-03-09