1 单相全桥逆变器的原理
单相逆变器常见的调制方法有:单极性SPWM调制、双极性SPWM调制和单极性等效双极性SPWM调制,对应的调制波形如图1所示。

图1 单相全桥逆变器调制方式
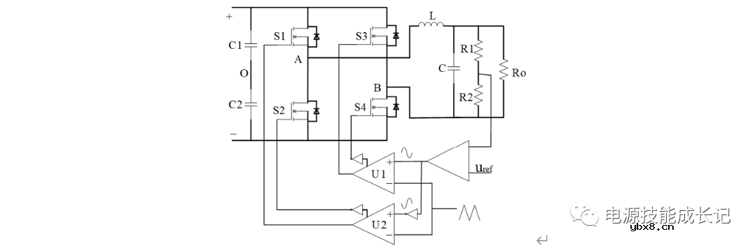
单相全桥逆变电路结构如图2所示。

图2 全桥逆变电路结构
逆变电路工作原理已熟知,这里不再赘述。
2 基于PSIM的单相全桥逆变器建模
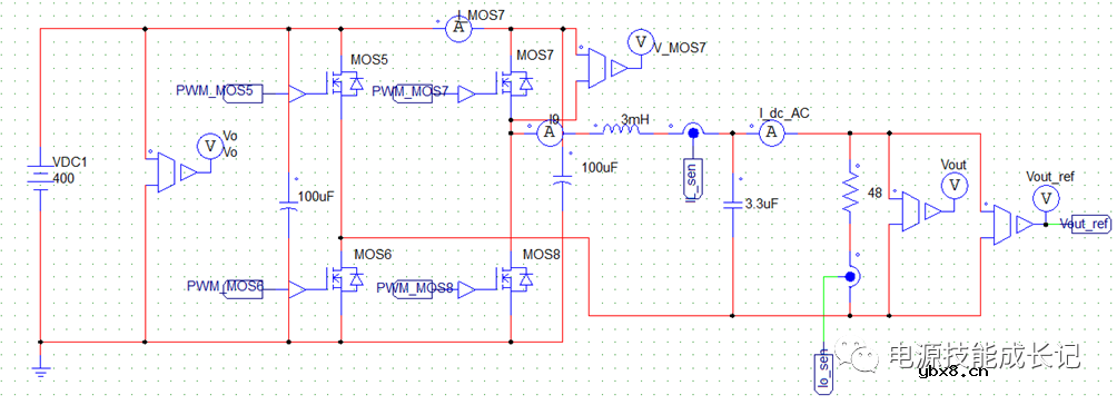
仿真模型如图3所示。蓄电池低压通过变压器升为高压时,低压侧电流I_L与高压侧电流I_H之比等于变压器变比n。逆变器设计功率1kW,效率95%,那么输入的功率约为1.052kW,假设前级推挽电路和后级H桥的效率均为97.5%。
直流母线电压为380V,推挽电路输出效率需达到1026W,那么输出电流平均值为2.7A,折算至原边输入电流为21.6A。输入电流平均值高达21.6A,那么功率MOS管的选型就十分有讲究,在满足电压和电流的条件下应选择内阻较小的MOS管,假设MOS管Rds(on)=0.33Ω,那么损耗的功率为154W,这显然是不符合实际的,所以应该考虑几十mΩ的电阻,这样功率管的损耗就会大大降低,假设Rds(on)=0.03Ω,此时损耗为14W,这个值符合实际情况。
前次的仿真由于不注意把MOS管的电阻设置为0.56Ω,MOS管上的损耗261W(这就是错误的),导致输出电压与输入电压不等于变比,而且仿真的谐振波形严重畸变,效率也十分低。

(a) 功率回路

(b)控制回路
图3 单相全桥逆变器模型
仿真结果如图4所示。


(a)SPWM波形

(b)流过MOS7的沟道电流

(c)MOS7的沟道电流、漏源电压及驱动波形

(d)输出电压及电流
什么是RTSP? RTSP和RTMP的区别
时间:2026-04-24
LCD1602显示原理
时间:2026-04-24
什么是BGA?BGA的结构和性能
时间:2026-04-24
降低电机驱动风险:栅极驱动器隔离的关键作...
时间:2026-04-24
电阻温度系数
时间:2026-04-24
占空比什么意思_占空比计算公式
时间:2026-04-24
详解卡尔曼滤波原理
时间:2026-04-23
什么是IMU(惯性传感器)
时间:2026-04-23
编码器是什么?编码器有哪些分类?
时间:2026-04-23
电容器颜色代码
时间:2026-04-23
石英灯电子变压器电路原理
时间:2026-03-06
半导体光刻工艺 光刻—半导体电路的绘制
时间:2026-03-09
什么是室温超导?半导体时代将走向结束?芯...
时间:2026-03-09
适用于DCM、QR的同步整流ic U7710SG介绍
时间:2026-03-09
什么是硅片或者晶圆?一文了解半导体硅晶圆
时间:2026-03-09
汽车芯片业应汲取的教训
时间:2026-03-09
电阻的原理和作用 电阻色环识别图 电路中电...
时间:2026-03-09
半导体行业之ICT技术简介
时间:2026-03-09
NVIDIA CPU+GPU超级芯片大升级!
时间:2026-03-09
北京理工大学实现了光导型向平面光伏型量子...
时间:2026-03-09