不太传统的555非稳态拓扑中增加了第一脉冲过长的弊病,对于需要生成50%占空比对称方波的基于CMOS和双极型的振荡器也是如此。
之前我的一个设计实例“该怎么让门控555非稳态多谐振荡器顺利得到使用?”解决了传统拓扑的555非稳态电路在启动时由RESET引脚门控从振荡关闭到振荡开启时产生的第一个脉冲过长的问题。参见图1和图2。

图1 当通过RESET引脚门控从振荡关闭到振荡开启时,第一个振荡周期在启动时第一个脉冲过长。

图2 通过C2在振荡启动时注入电荷来均衡脉冲长度。
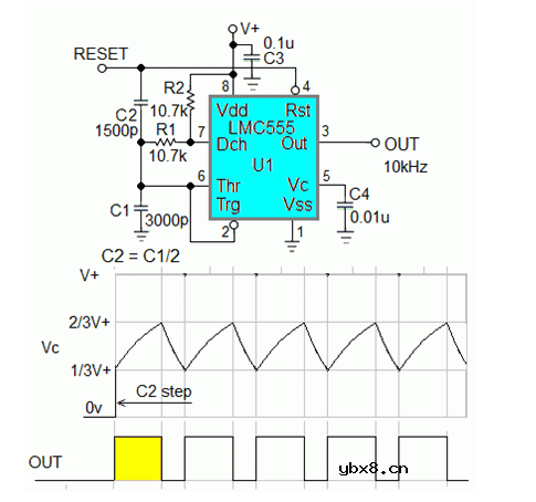
然而,这种设计实例没有解决的问题是,不太传统的555非稳态拓扑也会遭受相同的第一脉冲问题。这类电路的重要实例是生成50%占空比对称方波的振荡器,如图3所示。

图3 第一脉冲的问题也出现在CMOS 555常用的50%占空比方波拓扑中。
令人欣慰的是,前文提到的修复方法也适用于此类振荡器,如图4所示。

图4 应用于CMOS 50%占空比方波振荡器的C2电荷注入修复方法。
这样,CMOS 555方波发生器的问题就解决了。但类似的双极型振荡器呢?
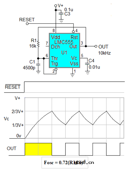
尽管双极型555年代久远,但仍被设计用于当代应用中。选择双极型555的原因包括有它要比CMOS具有更高的额定电源电压(18V vs 15V)和更大的输出电流能力(数百毫安 vs 数十毫安)。但是,当需要50%占空比方波输出时,它们确实要以不同的方式布线,例如添加一个电阻器(如之前的设计实例“添加一个电阻器,为双极性LM555振荡器提供50%的占空比”中所述)。参见图5。

图5 采用门控50%占空比方波配置的双极型555。
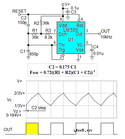
C2的电荷注入技巧仍然可以纠正图5的第一个脉冲,但有一个复杂的情况。当保持复位时,图5的电路不会将定时电容器一直放电至零,而只会放电至Vz,其中:
Vz = R3(R2 + R3)-1 V+
= 0.184 V+
因此,我们的老办法C2=C1/2是行不通的。我们需要的是更小的电荷注入,如图6所示,C2 = 0.175 C1。

图6 经修改的C2电荷注入,用于双极型555的方波产生。
相关热词:#555
三极管驱动开关电路图10大类型 详解三极管开...
时间:2026-03-07
开关三极管的使用和连接 浅谈开关三极管的使...
时间:2026-03-07
三极管各种封装的引脚顺序你知道多少 浅谈三...
时间:2026-03-07
直插三极管封装/封装尺寸/引脚
时间:2026-03-07
三极管贴片和直插的区别 浅谈贴片三极管种类...
时间:2026-03-07
常见的贴片三极管丝印及参数介绍 浅谈贴片三...
时间:2026-03-07
三极管中2TY和J3Y是什么意思 有什么区别
时间:2026-03-07
j3y贴片三极管引脚及参数介绍
时间:2026-03-07
pnp贴片三极管管脚图及管脚排列 浅谈pnp与n...
时间:2026-03-07
贴片三极管有哪些封装 浅谈贴片三极管的选型
时间:2026-03-07
彩灯电路
时间:2026-03-05
电动机单线远程正反转控制电路图
时间:2026-03-04
三相异步电动机原理
时间:2026-03-04
三相异步电动机的拆装详讲
时间:2026-03-04
USB转232电路图
时间:2026-03-04
三相异步电动机的七种调速方式
时间:2026-03-04
转角测量电路
时间:2026-03-05
经典的正弦波发生电路
时间:2026-03-05
电度表的工作原理
时间:2026-03-04
电风扇红外遥控器2
时间:2026-03-04