在数字IC设计面试中经常会被要求画出某一个逻辑表达式的管级电路,本文将基于逻辑门的构成解释如何完成任意逻辑的管级电路设计。
PMOS & NMOS
要想轻松画出管级电路,首先要理解,为什么在逻辑门中PMOS总是作为上管,NMOS总是作为下管。

对于P管来说,电流从S流向D,其导通条件为VSG>VTH(阈值);N管反之。
假设P管作为下管,即D极接地,此时,S级连接外部电路,VS不可知,想要通过改变G级输入控制VSG电压差,G级控制逻辑会比较复杂。
相反,将P管作为上管,那么S接VCC,VS电压确定,通过控制G级的高低电平即可控制MOS管开关。
同理分析NMOS,因此通常将P管作为上管,N管做为下管。
逻辑门的管级电路
明白上述原因后,就可以理解输出的高电平由上管决定,低电平由下管决定。为了保证在某一时刻,输出只能为高电平或低电平,需要结合上下管,即当上管导通时,下管必然关断,反之亦然。
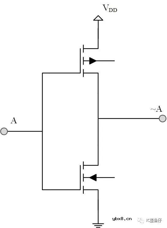
非门的管级电路如下图所示,由P管和N管串联组合而成。

当A = 1时,上管关断,下管导通,输出为0;
当A = 0时,上管导通,下管关断,输出为1。
由于MOS管本身的特性,我们无法直接搭建出与门和或门,只能通过与非门或非门结合非门间接搭出,也就是说,与门和非门的搭建至少需要6个MOS管。
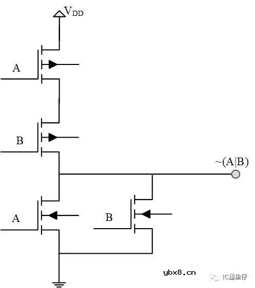
如图所示为或非门管级电路结构。两个P管串联后与两个并联的N管串联。

其输入输出特性如下表:
A | B | ~(A|B) |
0 | 0 | 1 |
0 | 1 | 0 |
1 | 0 | 0 |
1 | 1 | 0 |
与非门的管级电路如下所示:

其输入输出特性如下所示:
A | B | ~(A|B) |
0 | 0 | 1 |
0 | 1 | 1 |
1 | 0 | 1 |
1 | 1 | 0 |
管级电路的转换
在理解了上述门电路的管级电路后,结合下述三个步骤,即可轻松用MOS管搭建任意逻辑电路。
对逻辑式按照摩尔公式取反,尽可能将每个输入转换成反逻辑形式;
先画上管,与为串联,或为并联;下管与上管相反;
对整体结果取反(即加非门);
这里对D=AB+C进行举例。
D=((AB+C)')'=((AB)'C')'=((A'+B')C')'
1
A'+B'

2
(A'+B')C'

3
根据上管画出下管,串并联相互转换

4
A'+B'

审核编辑 :李倩
相关热词:
RS485基本知识介绍
时间:2026-04-18
什么是激光雷达?激光雷达的构成与分类
时间:2026-04-18
Excelpoint - 一文了解SiC MOS的应用
时间:2026-04-18
什么是磁电阻器?磁电阻特性及应用
时间:2026-04-18
什么是电场?电场在电容器中的应用
时间:2026-04-18
什么是ARM64?
时间:2026-04-17
vga和hdmi的区别
时间:2026-04-17
什么是ESD?ESD及TVS的原理和应用
时间:2026-04-17
开关电源原理与维修完整版 (10)_标清视频
时间:2026-04-16
开关电源原理与维修完整版 (11)_标清视频
时间:2026-04-16
基于逻辑门的构成解释如何完成任意逻辑的管...
时间:2026-03-08
彩灯电路
时间:2026-03-05
NE555的有趣电路设计分享
时间:2026-03-08
三相异步电动机原理
时间:2026-03-04
三相异步电动机的拆装详讲
时间:2026-03-04
从0学电路,万用表演示测量三极管方法
时间:2026-03-08
光耦在电子电路中作用、关键参数详解
时间:2026-03-08
电动机单线远程正反转控制电路图
时间:2026-03-04
转角测量电路
时间:2026-03-05
H桥电机驱动电路解析
时间:2026-03-08