作为第三代半导体产业发展的重要基础材料,碳化硅MOSFET具有更高的开关频率和使用温度,能够减小电感、电容、滤波器和变压器等组件的尺寸,提高系统电力转换效率,并且降低对热循环的散热要求。在电力电子系统中,应用碳化硅MOSFET器件替代传统硅IGBT器件,可以实现更低的开关和导通损耗,同时具有更高的阻断电压和雪崩能力,显著提升系统效率及功率密度,从而降低系统综合成本。

随着新能源汽车800V平台的出现,主流充电模块也从之前主流的15、20kW向30、40kW发展,输出电压范围300Vdc-1000Vdc,并且具备双向充电功能,以达到V2G/V2H等技术要求。因此,越来越多充电模块企业开始采用SiC MOS方案。

经过多年的市场竞争,当前我国光伏逆变器行业已经形成较为集中、整体竞争较为充分的格局。同时,国内逆变器品牌仍保持快速增长,出货量及市场占有率也在稳步提升。数据显示,2022年光伏逆变器供应商出货量市场前五的企业是:阳光电源、华为、古瑞瓦特、锦浪科技和SMA。而在研究机构BNEF公布的“融资价值光伏逆变器品牌”前十名榜单中,也有6家中国逆变器企业入围,其中,正泰电源、华为、阳光电源居于前三,锦浪、特变电工、固德威也位列其中。

光储一体机采用电力电子控制技术,通过智能控制实现能量转移,协调控制光伏与储能电池,平抑功率波动,并通过储能变流技术输出满足标准要求的交流电能向负载供电,满足用户侧多场景应用,广泛应用于离网光伏电站、分布式后备电源、储能电站等场合。国内光储一体机生产企业主要有:科陆电气、盛弘股份、兴储世纪、时代能创、精石电气、锦宇新能源、智源新能、采日能源、华自科技、邦照电气等。

随着800V平台在新能源汽车上的兴起,在汽车空调压缩机控制器方案中,SiC MOS凭借其高压高效、贴片封装体积小等优势,成为市场。行业头部客户如弗迪科技、翰昂、华域三电、苏州中成、奥特佳、海立、威灵、上海光裕、重庆超力等。

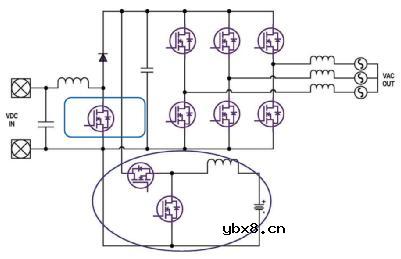
三相OBC电路中SiC MOS应用更高的开关频率,可以减小磁性元器件体积和重量,提高效率和功率密度,同时高系统母线电压,大大减少功率器件数量,便于电路设计,提高可靠性。

调研机构Yole显示,由于SiC MOS晶圆的产能限制,头部SiC品牌如意法半导体(ST)、英飞凌科技(Infineon)、Onsemi、Wolfspeed和Rohm主力出货市场都集中在新能源汽车行业, 包括电驱、OBC和 DC/DC, 新能源汽车市场在2022年占据功率SiC市场份额的70%,到2028年,预测这一比例将增长至74%。

基本半导体第二代碳化硅MOSFET系列产品基于6英寸晶圆平台开发,比上一代产品在比导通电阻、开关损耗以及可靠性等方面表现更为出色。

图:碳化硅MOSFET

相关热词:
RS485基本知识介绍
时间:2026-04-18
什么是激光雷达?激光雷达的构成与分类
时间:2026-04-18
Excelpoint - 一文了解SiC MOS的应用
时间:2026-04-18
什么是磁电阻器?磁电阻特性及应用
时间:2026-04-18
什么是电场?电场在电容器中的应用
时间:2026-04-18
什么是ARM64?
时间:2026-04-17
vga和hdmi的区别
时间:2026-04-17
什么是ESD?ESD及TVS的原理和应用
时间:2026-04-17
开关电源原理与维修完整版 (10)_标清视频
时间:2026-04-16
开关电源原理与维修完整版 (11)_标清视频
时间:2026-04-16
什么是追踪缓存/转接卡?
时间:2026-03-06
GPS的WAAS跟踪性能
时间:2026-03-07
GPS接收机的分类
时间:2026-03-07
什么是GPS旅行提示器/屏幕尺寸
时间:2026-03-07
GPS设备的地图功能
时间:2026-03-07
GPS设备的动态性能
时间:2026-03-07
EMC和ESD防护技术
时间:2026-03-05
坐标基准
时间:2026-03-07
GPS的接口有哪些类型?
时间:2026-03-07
GPS设备的AV接口
时间:2026-03-07