
电磁炉作为一种新型的加热器具、最新的加热方式,具有以下的优点:
1、高效节能:与传统加热方式不同,电磁炉使锅具自身发热,减少了热量传递的中间环节,大大提高了制热效率,高达85-99%之热效率,比传统的炉具(电炉、气炉)节省能源一半以上;
2、安全可靠:电磁炉杜绝了传统炉具的各种隐患,通过国家安全验证,使用安全无忧;
3、智能烹饪:利用微电脑程序控制,专用软件,自动烹饪,配有预约定时功能,无须看管;
4、携带方便:电磁炉体积小巧,插电即用,适应现代生活的需要;
5、环保卫生:锅体直接发热,无热辐射,真正的“无明火烹饪”,环境中无热量、烟火、一氧化碳等废气,避免了利用传统炉具烹饪过程中遇到的“挥汗如雨”的情况。

电磁炉是一种利用电磁感应原理将电能转换为热能的厨房电器。在电磁灶内部,由整流电路将50/60Hz的交流电压变成直流电压,再经过控制电路将直流电压转换成频率为20-40KHz的高频电压,高速变化的电流流过线圈会产生高速变化的磁场,当磁场内的磁力线通过金属器皿(导磁又导电材料)底部金属体内产生无数的小涡流,使器皿本身自行高速发热,然后再加热器皿内的东西。如下图所示,为家用电磁炉的原理电路图。


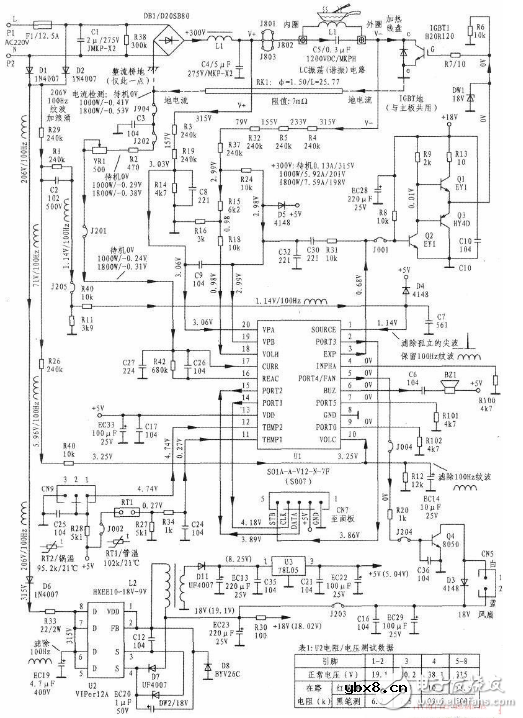
美的SK2101型电磁炉主板电路如下图所示。
1.主板编码及单片机芯片(U1)型号
取下单片机的主板便可看到,在主板中央标有“TM-S1-01A-A”字样,即为该主板的编码(是TM-S1-01A的升级版);“VERM3.0”为该主板软件的版本;“2009-09-05”则表示该主板为2009年标准板单片机。主板电路如图l所示,单片机芯片为20脚双列直插IC,在其上面贴有白纸标签,标有“S01A-A-V12-N-7F”即为厂家对该单片机芯片标定的型号,在标签下面塑封外壳上有单片机芯片原有的型号为“S007”。
单片机芯片内置同步电压比较电路、高压保护电路、电网电压检测电路、电流检测电路、浪涌保护电路、脉宽调控电路、锅具温度检测电路、IGBT管温度检测电路、风扇控制电路及报警控制电路等,因而大大简化了单片机的外围电路。

2.高压供电及LC振荡(谐振)电路
交流220V电压经Fl、Cl、R38及DB1、Ll、C4保护、整流、滤波形成+300V直流电压,加到由线盘Ll和C5构成的LC振荡电路,通过电磁感应将电能转换成热能。
3.同步取样电路
该电路有两条取样支路,一是线盘靠近+300V端,用V+表示。V+取样支路由R3、R19及R14、C8组成,经降压和分压后加到Ul(20)脚;二是线盘靠近开关管IGBT/c极端,用V-表示。V-取样支路由R4、R5、R32、R37及R24、R15、R16组成,经以上电阻降压和分压后加到Ul(19)脚。图中D5起保护作用,可以将过高的反峰电压限制在5V左右,避免Ul被击穿。
4.高压保护电路
该电路大部分元件与V-取样支路共用,只增加R18降压,将峰值取样信号加到Ul(18)脚,当IGBT反峰电压超出预定值时,Ul将发出待机保护指令。
5.电网电压检测电路
电网电压经Dl、D2及DB1中两个接地端的整流管构成全桥整流,再经该检测电路的R29、R26及R40、R12降压和分压加到Ul⑩脚,当电网电压过高或过低时,Ul将发出待机保护指令。为了避免瞬间的高峰值电压对该电路造成干扰,而引起误动作,在该电路中增加了EC14滤波电容。
6.浪涌保护电路
该电路由R29、Rl、C2及R40、Rll、C7组成,将浪涌降压和分压加到Ul①脚。当电网有浪涌发生时,U1将发出待机保护指令。为了争取使浪涌信号迅速到达Ul,以便使Ul尽快做出反应,在该电路特设C2为加速电容。图中D4起保护作用,防止过高的浪涌电压将Ul击穿,保护原理与D5相同。
7.电流检测电路
该电路的检测元件为康铜丝RK1,当地电流由“IGBT地”流向“整流桥地”时,就会在RKI上产生负的压降。经R2、VR1降压和调节及C3、C27滤除高频杂波后加到Ul(17)脚。电流检测信号在Ul的内部将被分离出三种专用信号,一是专用功率调控;二是专用锅具检测;三是专用过流的保护。
8.IGBT管驱动电路
该电路由Ql、Q2、Q3及其外围元件组成。功率调控驱动脉冲由U1③脚输出加到Q2的b极,经Q2放大后加到由Ql、Q3组成的推挽电路,推挽电路输出经R7加到IGBT1的G极,去控制IGBT导通时间比,实现对功率的调控。
9.锅具温度检测电路
该电路由RT2(经CN9插件)与C25及R28组成,检测信号加到U1(12)脚。
10.IGBT管温度检测电路
该电路由RTI、R27、R34及C24组成,检测信号加到Ul(11)脚。
11.风扇和报警控制电路
风扇控制信号由U1⑤脚输出经R20加到Q4的b极,当Q4导通时风扇旋转;当Q4截止时风扇停止转动(图中D3为续流二极管)。报警控制信号由Ul⑥脚输出,经C6加到BZ1。
12.低压开关电源电路
该电路由U2 (VIPer12A)、开关变压器L2(HXEE10-18V-9V)、U3(78L05)及其外围元件组成,为主板提供+18V和+5V稳定的工作电压。

精彩阅读推荐:
电磁炉对孕妇有辐射吗_电磁炉对人体有什么危害
电磁炉e6什么意思怎么解决_电磁炉e3是什么意思_电磁炉e1什么意思
电磁炉加热一下就停一下什么原因及解决办法
口碑最好的家用电磁炉品牌排名
电磁炉用什么锅最好_电磁炉天天炒菜费电吗
相关热词:#电磁炉
波特率是什么意思_怎样计算波特率
时间:2026-04-21
RS485基本知识介绍
时间:2026-04-18
什么是激光雷达?激光雷达的构成与分类
时间:2026-04-18
Excelpoint - 一文了解SiC MOS的应用
时间:2026-04-18
什么是磁电阻器?磁电阻特性及应用
时间:2026-04-18
什么是电场?电场在电容器中的应用
时间:2026-04-18
什么是ARM64?
时间:2026-04-17
vga和hdmi的区别
时间:2026-04-17
什么是ESD?ESD及TVS的原理和应用
时间:2026-04-17
开关电源原理与维修完整版 (10)_标清视频
时间:2026-04-16
基于逻辑门的构成解释如何完成任意逻辑的管...
时间:2026-03-08
彩灯电路
时间:2026-03-05
NE555的有趣电路设计分享
时间:2026-03-08
三相异步电动机原理
时间:2026-03-04
三相异步电动机的拆装详讲
时间:2026-03-04
从0学电路,万用表演示测量三极管方法
时间:2026-03-08
电动机单线远程正反转控制电路图
时间:2026-03-04
光耦在电子电路中作用、关键参数详解
时间:2026-03-08
H桥电机驱动电路解析
时间:2026-03-08
转角测量电路
时间:2026-03-05