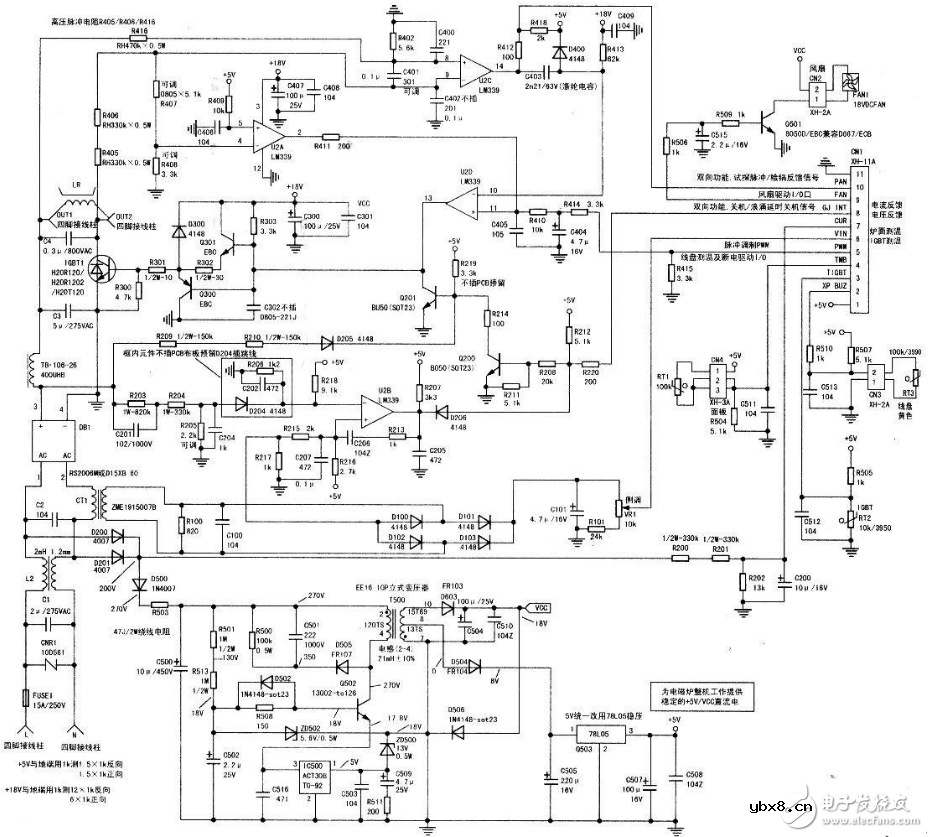
九阳JYC-21CS21型电磁炉电源电路如下图所示,由以下几个部分组成:

从下图中可以看到,AC220V电源通过接线螺钉Jl、J2,保险丝FUSEl/10A(大电流保护),压敏电阻CTRl/10D561(过压保护),再经过高频滤波电路(共模变压器L2、C1、C2)后分为两路,其中,主电路通过串联互感器T1(感应电压用于监测主电路电流),桥堆DB1整流,L1、C3(LC)滤波得到,约300V的直流电压加至电磁线圈和IGBT管上,C4和线圈构成谐振回路。
从共模变压器L2输出的AC220V电压经过D200、D201整流后,一路通过R200、R201、R202、C200组成的分压、滤波电路取得电网监测电压送给CPU,用于监测电网电压。如果电网电压不正常,CPU将及时切断振荡电路。需要说明的是,部分偏远地区或超负荷工业园区会因电网电压极不稳定而导致电磁炉不能正常工作。
此时,可将R202做成可调电阻,通过调整分压比来解决此类问题。
D200、D201整流后的另一路经过D500、R503、C500降压滤波后提供给本机开关电源,这一部分电路是本文要重点讨论的。在实际使用中,由于开关电源处在高电压状态下,造成此部分电路损坏元件较多,故障率较高。下面介绍此部分电路的工作原理。
D500、C500整流滤波后输出约300V的直流电压,加到开关变压器T500初级,通过开关模块IC500(ACT30B)控制开关管Q502(13002),起振后在开关变压器初级产生20kHz左右的高频高压脉冲,耦合到开关变压器次级,次级输出较高的脉冲电压,通过快速’恢复二极管D503整流、C504电容滤波后,得到直流电压VCC(+18V),给三路电路供电:一路送IGBT管驱动电路(Q300、Q301)。如果该点电压偏低,将造成驱动电流减小,使得IGBT管脱离开关状态进入放大区,造成管耗增大而损坏;一路加到风扇电路;还有一路给比较、振荡电路LM339供电。次级的另一只脚输出较低的脉冲电压,通过D504、C505整流滤波,78L05稳压后输出+5V直流电压,给CPU、数码显示、LED指示及其他监测电路供电。在通电瞬间,300V电压通过R501、R513(1MΩ)降压后,输出一个启振电压至Q502基极,让开关电源启振。所以,R501、R513又称启振电阻。次级整流滤波输出的VCC(+18V)电压,通过D506整流、稳压二极管ZD500钳压、C509滤波后,为开关模块ACT30BS提供所需的VDD电压,并通过ZD502、ZD504、C502构成的稳压监测电路来稳定+18V电压。
整机电路由电源电路、加热主回路、驱动放大电路、脉宽调制电路、同步跟踪与振荡电路、锅具检测电路、电流检测与功率调整电路、ICBT管温度检测电路、炉面温度检测电路、加热线盘温度检测电路、电压浪涌检测电路、电流浪涌检测电路、反压检测电路、输入电网电压过、欠压检测电路、上电延时保护电路、风扇驱动电路、长时间无人操作防干烧保护电路、MCU等组成。

相关热词:#电磁炉
影响介电常数的因素有哪些?
时间:2026-04-22
关于电流互感器基础知识介绍
时间:2026-04-22
开关电源的工作原理及特性
时间:2026-04-22
绝缘栅双极型晶体管(IGBT)外形、等效结构与...
时间:2026-04-22
信噪比(SNR)的定义,如何计算信噪比
时间:2026-04-22
波特率是什么意思_怎样计算波特率
时间:2026-04-21
RS485基本知识介绍
时间:2026-04-18
什么是激光雷达?激光雷达的构成与分类
时间:2026-04-18
Excelpoint - 一文了解SiC MOS的应用
时间:2026-04-18
什么是磁电阻器?磁电阻特性及应用
时间:2026-04-18
基于逻辑门的构成解释如何完成任意逻辑的管...
时间:2026-03-08
彩灯电路
时间:2026-03-05
NE555的有趣电路设计分享
时间:2026-03-08
三相异步电动机原理
时间:2026-03-04
三相异步电动机的拆装详讲
时间:2026-03-04
从0学电路,万用表演示测量三极管方法
时间:2026-03-08
电动机单线远程正反转控制电路图
时间:2026-03-04
光耦在电子电路中作用、关键参数详解
时间:2026-03-08
H桥电机驱动电路解析
时间:2026-03-08
转角测量电路
时间:2026-03-05