当前位置:首页 > 电路图基础 > 正文

简单的场强计(二)

来源:网络  发布者:电工基础  发布时间:2026-03-20 13:31

简单的场强计(二)


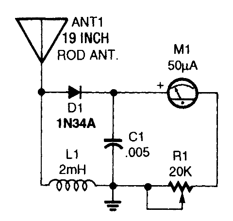
这个简易的场强计提供了一种廉价的方式来监视业余无线电或CB发射机(甚至天线系统)的输出。


相关热词:#其它电路图