加法器是产生数的和的装置。加数和被加数为输入,和数与进位为输出的装置为半加器。若加数、被加数与低位的进位数为输入,而和数与进位为输出则为全加器。常用作计算机算术逻辑部件,执行逻辑操作、移位与指令调用。
在电子学中,加法器是一种数位电路,其可进行数字的加法计算。在现代的电脑中,加法器存在于算术逻辑单元(ALU)之中。 加法器可以用来表示各种数值,如:BCD、加三码,主要的加法器是以二进制作运算。由于负数可用二的补数来表示,所以加减器也就不那么必要。

加法器的类型
以单位元的加法器来说,有两种基本的类型:半加器和全加器,半加器有两个输入和两个输出,输入可以标识为 A、B 或 X、Y,输出通常标识为合 S 和进制 C。A 和 B 经 XOR 运算后即为 S,经 AND 运算后即为 C。
全加器引入了进制值的输入,以计算较大的数。为区分全加器的两个进制线,在输入端的记作 Ci 或 Cin,在输出端的则记作 Co 或 Cout。半加器简写为 H.A.,全加器简写为 F.A.。
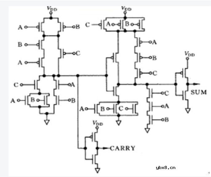
半加器:半加器的电路图半加器有两个二进制的输入,其将输入的值相加,并输出结果到和(Sum)和进制(Carry)。半加器虽能产生进制值,但半加器本身并不能处理进制值。
全加器:全加器三个二进制的输入,其中一个是进制值的输入,所以全加器可以处理进制值。全加器可以用两个半加器组合而成。
注意,进制输出端的最末个OR闸,也可用XOR闸来代替,且无需更改其余的部分。因为 OR 闸和 XOR 闸只有当输入皆为 1 时才有差别,而这个可能性已不存在。
在计数体制中,通常用的是十进制,它有0,1,2,3,…,9十个数码,用它们来组成一个数。但在数字电路中,为了把电路的两个状态(1态和0态)和数码对应起来,采用二进制较为方便,二进制只有0和1两个数码。
十进制是以10为底数的计数体制,例如
。图2(b)是全加器的逻辑符号。

例1、用4个全加器组成一个逻辑电路以实现两个4位的二进制数A—1101(十进制为13)和B—1011(十进制为11)的加法运算。
解:
逻辑电路如图3所示,和数是S—11000(十进制数为24)。根据全加器的逻辑状态表自行分析。
这种全加器的任意一位的加法运算,都必须等到低位加法完成送来进位时才能进行。这种进位方式称为串行进位,它的缺点是运算速度慢,但其电路比较简单,因此在对运算速度要求不高的设备中,仍不失为一种可取的全加器。T692集成加法器就是这种串行加法器。



相关热词:#加法器
影响介电常数的因素有哪些?
时间:2026-04-22
关于电流互感器基础知识介绍
时间:2026-04-22
开关电源的工作原理及特性
时间:2026-04-22
绝缘栅双极型晶体管(IGBT)外形、等效结构与...
时间:2026-04-22
信噪比(SNR)的定义,如何计算信噪比
时间:2026-04-22
波特率是什么意思_怎样计算波特率
时间:2026-04-21
RS485基本知识介绍
时间:2026-04-18
什么是激光雷达?激光雷达的构成与分类
时间:2026-04-18
Excelpoint - 一文了解SiC MOS的应用
时间:2026-04-18
什么是磁电阻器?磁电阻特性及应用
时间:2026-04-18
基于逻辑门的构成解释如何完成任意逻辑的管...
时间:2026-03-08
彩灯电路
时间:2026-03-05
NE555的有趣电路设计分享
时间:2026-03-08
三相异步电动机原理
时间:2026-03-04
三相异步电动机的拆装详讲
时间:2026-03-04
从0学电路,万用表演示测量三极管方法
时间:2026-03-08
电动机单线远程正反转控制电路图
时间:2026-03-04
光耦在电子电路中作用、关键参数详解
时间:2026-03-08
H桥电机驱动电路解析
时间:2026-03-08
转角测量电路
时间:2026-03-05