遥控开关是现代工业或者现代家庭中常用产品之一,它由可移动的遥控发射器,以及固定在墙壁上的开关接收器组成,所有功能既可在墙壁开关上直接操作,也可以用遥控器远距离操控。遥控开关分发射(遥控器)和接收(开关)两部分,发射器把控制电信号编码,然后调制(红外调制,电磁波调制和网络数据信号调制),转换成无线信号发送出去;接收原理:收到载有信息的无线电波信号,然后放大、解码,得到原先的控制电信号,将电信号再进行功率放大用来驱动相关的电气元件(可控硅、继电器和莫斯管)。本文主要介绍了五种自制遥控开关电路。
该遥控开关的特点是不需专用遥控手机,可用家中现成的彩电
遥控器进行遥控操作,能非常方便地对家用电器实行开、关控制,遥控距离可达六、七米。电路原理如图所示。图中IC1为彩电遥控接收头,①脚为地,②脚为+5V电源端,③脚为信号输出端,未接收到信号时为+3.6V左右,接收到信号时为0V左右,IC2为CD4017十进制计数/译码集成电路。交流220V电源经降压、整流和滤波后得到的直流12V电压作为继电器的工作电压,+12V再经R2限流,VD稳压后得+5V为电路其他部分供电。静态时,T1导通,IC2的状态为Q0=1,并保持不变,指示灯LED点亮。当按一下遥控器上的任一键时,IC1的③脚输出一串低电平脉冲,经C4平滑后,T1由导通变为截止,IC2的{14}脚输入一正脉冲,Q0=0,Q1=1,T2导通,J吸合,被控制的家用电器得电工作。再按一次遥控器时,Q1=O、Q2=1,由于Q2端接IC2{15}脚,使IC2复位,Q1=1,因此J失电,被控制的电器断电。
此相关电路如下:

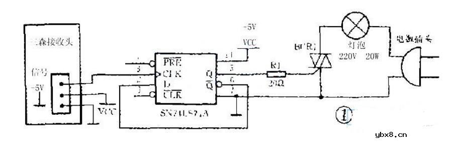
图1是由三森红外接收头和双D触发器SN74LS74为主要元件制作的红外遥控开关灯电路。图中将D触发器的6脚直接接到2脚D输入端构成T触发器。红外接收头静态时信号端输出高电平。此时无脉冲信号送到触发器时钟输入端3脚,2脚D端为高电平。5脚Q端为低电平。双向可控硅BCR1不导通灯泡不亮。当红外接收头收到发射器发出的红外线脉冲信号时,红外接收头将输出标准的负脉冲编码信号。此脉冲信号从接收头的信号端送到D触发器IC1A的第3脚(即时钟输八端cLK),该负脉冲信号的上升沿使节T‘触发器翻转,此时2脚D端为低电平5脚Q端为高电平,双向可控硅导通灯泡被点亮。需要关灯时再按遥控器的任一键,接收头输出负脉冲使触发器再次翻转,此时5脚Q端为低电平,双向可控硅BCR1不导通达到关灯的目的。此电路的特点是所需元件少,容易制作。


相关热词:#遥控开关
波特率是什么意思_怎样计算波特率
时间:2026-04-21
RS485基本知识介绍
时间:2026-04-18
什么是激光雷达?激光雷达的构成与分类
时间:2026-04-18
Excelpoint - 一文了解SiC MOS的应用
时间:2026-04-18
什么是磁电阻器?磁电阻特性及应用
时间:2026-04-18
什么是电场?电场在电容器中的应用
时间:2026-04-18
什么是ARM64?
时间:2026-04-17
vga和hdmi的区别
时间:2026-04-17
什么是ESD?ESD及TVS的原理和应用
时间:2026-04-17
开关电源原理与维修完整版 (10)_标清视频
时间:2026-04-16
基于逻辑门的构成解释如何完成任意逻辑的管...
时间:2026-03-08
彩灯电路
时间:2026-03-05
NE555的有趣电路设计分享
时间:2026-03-08
三相异步电动机原理
时间:2026-03-04
三相异步电动机的拆装详讲
时间:2026-03-04
从0学电路,万用表演示测量三极管方法
时间:2026-03-08
电动机单线远程正反转控制电路图
时间:2026-03-04
光耦在电子电路中作用、关键参数详解
时间:2026-03-08
H桥电机驱动电路解析
时间:2026-03-08
转角测量电路
时间:2026-03-05