支持40kW高压电动汽车应用的双向eFuse全新汽车参考设计
电子元件2026-03-20
电子保险丝的工作原理,电子保险丝怎么使用的
电子元件2026-03-20
安森美分析电子保险丝的选型要点
电子元件2026-03-20
电子元件2026-03-20
Vishay电子保险丝助力汽车安全性设计
电子元件2026-03-20
eFuse IC的基本概念和性能优势
电子元件2026-03-20
eFuse IC的过流保护和短路保护功能
电子元件2026-03-20
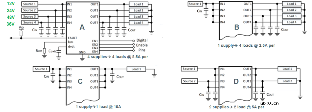
安森美四大eFuse系列产品赋能汽车电气化发展
电子元件2026-03-20
电感器设计流程和见解
时间:2026-05-01
什么是触发器?触发器的作用是什么?
时间:2026-05-01
什么是电源?电源是如何进行分类的?
时间:2026-05-01
电驱动NVH的特点和结构
时间:2026-05-01
什么是霍尔传感器?
时间:2026-05-01
电负性的计算方法
时间:2026-04-30
电导的定义_电导的单位_电导怎么算
时间:2026-04-30
什么是计数器_计数器的作用
时间:2026-04-30
什么是欧姆定律_欧姆定律公式
时间:2026-04-30
RAID是什么?RAID有哪些?
时间:2026-04-30
电阻的原理和作用 电阻色环识别图 电路中电...
时间:2026-03-09
什么是室温超导?半导体时代将走向结束?芯...
时间:2026-03-09
NVIDIA CPU+GPU超级芯片大升级!
时间:2026-03-09
半导体光刻工艺 光刻—半导体电路的绘制
时间:2026-03-09
什么是硅片或者晶圆?一文了解半导体硅晶圆
时间:2026-03-09
石英灯电子变压器电路原理
时间:2026-03-06
一文详解MOS管驱动电路拓扑的设计
时间:2026-03-09
汽车芯片业应汲取的教训
时间:2026-03-09
半导体行业之ICT技术简介
时间:2026-03-09
集成电路的几纳米代表了什么?
时间:2026-03-09