热保险丝作为一种基本的电路保护器件,已经成功使用了 150多年。热保险丝有效、可靠、易用,具有各种不同的数值和版本,能够满足不同的设计目标。然而,对于寻求以极快的速度切断电流的设计人员来说,热保险丝不可避免的缺点就是其自复位能力,以及在相对较低的电流下的工作能力。对于这些设计人员来说,电子保险丝(通常用eFuse 或者 e-Fuse 表示)是一种很好的解决方案,有时还可以取代热保险丝,但通常是对热保险丝功能的补充。
eFuse 基于一个简单概念,即通过测量已知电阻器上的电压来检测电流,然后在电流超过设计限值时,通过场效应晶体管 (FET) 切断电流。eFuse具有热保险丝无法实现特性、灵活性和功能。
本文将介绍电子保险丝的工作原理。然后,探讨有源电路保险丝的特点、附加功能及如何有效使用。
eFuses如何工作?
传统热保险丝的工作原理简单可靠,为人熟知:当通过易熔连接部分的电流超过设计值时,该元件就会被充分加热而熔化。这样,电流路径被切断,电流归零。根据保险丝的额定值、类型以及过电流的大小,热保险丝可在几百毫秒到几秒内作出响应并断开电流通路。当然,和所有的有源和无源元器件一样,对于这个原理简单的纯无源器件来说,也会有很多变化、细节和遮蔽运行可供选择。
相比之下,电子保险丝的工作原理则截然不同。电子保险丝具有一些相同的功能,但也增加了不同的新功能和新特性。eFuse 的基本概念同样很直接:负载电流通过
FET 和一个检测电阻器,并通过该检测电阻器上的电压进行监控。当该电压超过预设值时,控制逻辑会断开 FET 并切断电流路径(图 1)。FET
与电源线和负载串联,必须具有非常低的导通电阻,因此不会引起过大的电流电阻 (IR) 降或功率损失。

图 1:在电子保险丝中,当从电源到负载的电流通过检测电阻时,通过该电阻上的电压进行监测;当测得的电压超过设定值时,控制逻辑将 FET
断开,以阻断电流流向负载。
看起来,eFuse 只是经典无源热保险丝的一个更复杂的有源版本。虽然如此,电子保险丝也有一些独特的属性:
速度:反应快,其断开反应时间为微秒级,有些设计能达到纳秒级。这一属性对于今天采用相对敏感的 IC 和无源元件的电路来说非常重要。
低电流操作:电子保险丝不仅可以采用低电流工作设计(大约 100 毫安 (mA)
或更小),而且还可以在很低的个位数电压下正常工作。在这些水平下,热保险丝往往无法获得足够的自热电流,以促使其易熔连接部分熔断。
可复位:根据具体型号,eFuse
可选择在激活后保持断开(称为闩锁模式),或在当前故障消失后恢复正常工作(自动重启模式)。后一种设置在没有“硬”故障的瞬态浪涌电流情况下特别有用,例如当板子插入带电总线时就会出现这种情况。在更换保险丝困难或成本较高的情况下,也很有用。
反向电流保护:电子保险丝也可以提供反向电流保护,这是热熔断器无法做到的。当系统输出电压高于其输入的电压时,就会出现反向电流。例如,在一组冗余电源并联时就会出现这种情况。
过压保护:借助一些额外的电路,eFuse 还可以提供过压保护,以防止浪涌或感应跳闸,即当输入电压超过设定的过压跳闸点时,切断 FET
并在过压条件持续期间保持在断开状态。
反极性保护:eFuse 还可以提供反极性保护,如果电源反向连接,则迅速切断电流。例如汽车电池因电缆意外接触而短暂的反接。
转换速率递增:一些先进的电子保险丝还可以通过外部控制或使用固定元件来控制无源元件 FET
的导通/关断之间的切换,从而提供规定的断电/上电电流转换速率。
因此,eFuses 是一种极具吸引力的电流控制解决方案。虽然在某些情况下这些器件可以代替热保险丝,但两者往往是成对搭配使用的。在这种布局中,eFuse
用于为子电路或 PC 板提供局部快速响应保护,例如在热插拔系统、汽车应用、可编程逻辑控制器 (PLC)
和电池充放电管理中;互补式热保险丝可提供系统级保护,以防止需要硬性永久关断的大面积严重故障。
这样一来,设计者就能做到两全其美,即电子保险丝的所有功能加上热保险丝清晰明确的动作。在技术上无需做任何取舍即可实现这一目标,而且也不会有任何缺陷。当然,与任何设计决策一样,也会考虑一些权衡。在这种情况下,占用空间的增加和材料清单
(BOM) 会略大。
选择 eFuse:功能和应用
选择电子保险丝时需要考虑一些基本参数。很显然,首要考虑因素是保险丝动作时的电流水平。电流水平通常为从 1 安培 (A) 以下到 10 A
左右,以及保险丝能够耐受的最高端子电压。对于一些电子保险丝来说,电流水平是固定的,而对于其他器件来说,其电流水平可由用户通过外部电阻器设置。其他选择因素包括响应速度、静态电流、尺寸(封装)以及所需外部辅助元器件的数量和类型(如有)。此外,设计人员还必须考虑不同的电子保险丝型号可能具有的任何附加特性和功能。
例如,PLC 是一种电子保险丝在其不同子电路中都非常有用的应用,因为这类电路易于发生传感器 I/O
和电源错接。此外,在连接导线或热插拔电路板时会出现电流浪涌。例如,Texas Instruments 的 TPS26620 电子保险丝通常用于这类 24 V
应用中。如图 2 所示,其设定的电流限值为 500 mA。该保险丝的工作电压为 4.5 V 至 60 V,最大电流为 80
mA,具有可编程的电流限值、过压、欠压和反极性保护功能。该 IC 还可以控制浪涌电流,并为 PLC I/O
模块和传感器电源提供强大的反向电流和现场误接线保护。

图 2:图中所示为 Texas Instruments 的 TPS26620 电子保险丝在该 24 V DC PLC 应用中的跳闸电流设置为 500
mA。
图 3 中 Toshiba TCKE805(18 V、5 A 电子保险丝)的时序图显示了某个供应商如何实现自动重启与闩锁模式。在自动重启模式下(由
EN/UVLO 封装引脚设定),过流保护功能通过抑制故障情况下的功耗来防止电子保险丝及负载受损。

图 3:Toshiba TCKE805 18 V、5 A 电子保险丝采用“测试和重复循环”循序来评估恢复电流是否安全。
如果通过外部电阻器 (RLIM) 设定的输出电流由于负载故障或者短路而超过电流限值 (ILIM) 时,则输出电流和输出电压下降,从而限制 IC
和负载的功耗。当输出电流达到预设限值并检测到过电流时,输出电流会被钳制,以使流经的电流不超过
ILIM。假如过电流问题在此阶段未解决,则会维持这种电流钳制状态且电子保险丝的温度继续升高。
当电子保险丝的温度达到热关断功能的动作温度时,eFuse MOSFET
被关断,将电流彻底断开。自动重启功能试图通过阻止这种电流来恢复电流流动,这样会降低温度并解除热关断。如果温度再次升高,则重复上述动作并停止运行,直到过流情况解除。
相反,闩锁模式会箝制输出,直到通过 IC 的使能 (EN/UVLO) 引脚使电子保险丝复位(图 4)。

图 4:与自动重启模式不同,Toshiba 电子保险丝在闩锁模式下只有接收到 IC 使能引脚发出的指令时才会复位。
一些电子保险丝经过专门配置后,能够克服与电阻器上的检测电流相关的问题,例如 IR
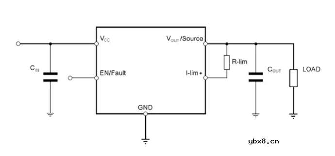
降,此类情况会降低输出侧的电源轨电压。例如,STMicroelectronics 的 3.3 V STEF033AJR 的最大标称电流和 FET
导通电阻值分别为 3.6 A 和 40 毫欧 (mΩ),这是 DFN 封装版器件,而 2.5 A 和 25 mΩ 则是倒装片封装版器件。在图 5
所示的传统连接中,在较高电流下即使通过导通电阻的电源轨中出现约 15 毫伏 (mV) 的适度 IR 降也可能是明显且令人担忧的。

图 5:在 STEF033AJR 的传统接线中,用于确定限流值的电阻器 R-lim 放在两个指定的端子之间。
在传统接线方式中,把电阻放在正压侧限位连接和输出电压连接 (VOUT/Source) 之间,这样修改后就可实现对 IR 降进行补偿的开尔文检测布局(图
6)。

图 6:为了减少电流检测 IR 降的影响,限流电阻器的负极侧连接电压输出 (VOUT/Source)。
请注意,虽然电子保险丝是半导体器件,可在个位数电压下工作,但并不限于这个低压区域。例如, Texas Instruments TPS2662x
系列电子保险丝的额定工作电压为 4.5 V 至 57 V。
eFuse:自己造还是买?
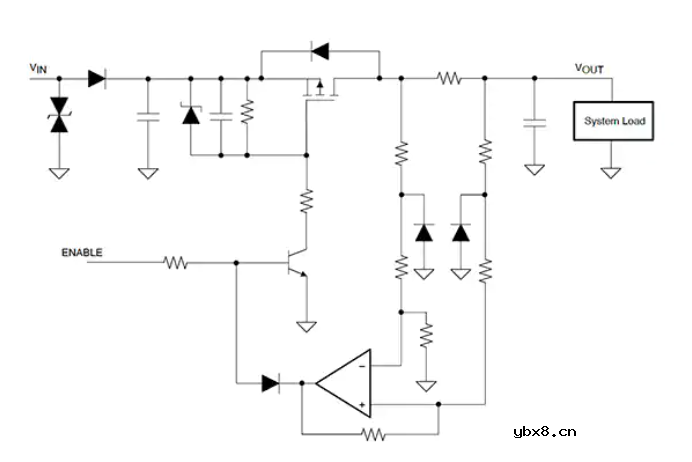
原则上,可以用几个 FET、一个电阻器和一个电感,由分立式元件构建基本的
eFuse。最初的电子保险丝就是这样制造的,其中电感器有两个作用:直流输出滤波、利用其绕组的直流电阻作为检测电阻器。
然而,一个性能稳定、考虑了元器件特征以及实际工作条件的增强型电子保险丝所需的不只是几个分立式元器件。即使增加元器件,也只能实现电子保险丝的基本功能(图7)。

图 7:对于使用分立式元器件实现基本功能的电子保险丝,必须预见并克服其固有局限性。
实际上,随着有源和无源分立式元器件的增多,不仅器件很快就会变得笨重,而且容易造成单个产品间的性能变化,以及与初始容差、元器件老化和温度引起漂移等相关的问题。总之,DIY“制造”的分立式解决方案存在许多局限性:
分立式电路一般使用 P 沟道 MOSFET 作为通断元件。就实现相同的导通电阻值 (RDS(ON)) 而言,P 沟道 MOSFET 比 N 沟道
MOSFET 更贵。
分立式解决方案效率低,因为它这种解决方案会造成二极管功率耗散以及响应的电路板温升。
对于分立式电路来说,很难为无源元件 FET 提供足够的热保护。因此,无法进行这种关键性改进,或者不得不通过大幅增加设计尺寸来提供一个合适的安全工作区
(SOA)。
一个全面的分立式电路需要很多元器件和相当大的电路板空间,而实现保护电路的稳健性和可靠性也需要增加元器件。
虽然分立式设计中的输出电压转换率可以使用电阻电容 (RC) 元件进行调节,但这些元件的尺寸必须在仔细了解无源 FET 的栅极特性后才能确定。
即使分立式元件方案可以接受,但与 IC 方案相比其功能仍会受限。后者可以包括上述部分或全部附加功能,如图 8 电子保险丝框图所示。此外,IC
解决方案体积较小,经过充分特征化的性能更稳定,并能以更低的成本做到“安心”实施,这是多器件解决方案无法实现的。值得注意的是,TPS26620
规格书中提供了几十张性能图和时序图,涵盖了各种工作条件,这些都是分立式“制造”方式难以提供的。

图 8:全功能电子保险丝外形简单,掩盖了其内部复杂性,这是分立式元器件无法实现的。
购买标准电子保险丝 IC 而不是走 DIY分立式路线的另一个关键原因:监管审批。许多熔断器(热保险丝和电子保险丝)都是用于与安全有关的功能,以防止电流过大而导致元器件过热和可能起火,或者造成用户伤害。
所有传统热保险丝都获得了各种监管机构和标准的认可,能在使用适当的情况下实现故障安全型的电流关断功能。然而,要想获得同样的审批,分立式解决方案是非常困难且相当耗时,甚至是不可能的。
相比之下,许多电子保险丝 IC 已经获批。例如,TPS2662x 系列电子保险丝已获 UL 2367 认可(“特殊用途固态过流保护器”)和 IEC
62368-1 认证(音频/视频、信息和通信技术设备 - 第 1 部分:安全要求)。该系列还符合 IEC61000-4-5(“电磁兼容性 (EMC) - 第
4-5 部分:测试和测量技术 -
抗浪涌测试”)。为了获得认证,这些电子保险丝都通过了包括最低和最高工作温度、最低和最高储存和运输温度、大量异常和耐久性测试以及热循环等条件下,针对其基本作用的性能测试。
结论
eFuse使用有源电路而非易熔连接部分来切断电流,用于帮助设计人员满足快速切断、自复位和低电流条件下可靠运行等要求。电子保险丝还能具有各种保护功能,以及可调转换率。因此,这类器件是工程师的电路和系统保护器件包的重要补充。
如上所述,电子保险丝可以取代传统的热保险丝,尽管在许多情况下只是用于局部保护并采用热保险丝作为补充。与传统的热保险丝一样,许多电子保险丝也通过了安全相关功能的认证,从而扩大了通用性和适用性。
电感器设计流程和见解
时间:2026-05-01
什么是触发器?触发器的作用是什么?
时间:2026-05-01
什么是电源?电源是如何进行分类的?
时间:2026-05-01
电驱动NVH的特点和结构
时间:2026-05-01
什么是霍尔传感器?
时间:2026-05-01
电负性的计算方法
时间:2026-04-30
电导的定义_电导的单位_电导怎么算
时间:2026-04-30
什么是计数器_计数器的作用
时间:2026-04-30
什么是欧姆定律_欧姆定律公式
时间:2026-04-30
RAID是什么?RAID有哪些?
时间:2026-04-30
电阻的原理和作用 电阻色环识别图 电路中电...
时间:2026-03-09
什么是室温超导?半导体时代将走向结束?芯...
时间:2026-03-09
NVIDIA CPU+GPU超级芯片大升级!
时间:2026-03-09
半导体光刻工艺 光刻—半导体电路的绘制
时间:2026-03-09
什么是硅片或者晶圆?一文了解半导体硅晶圆
时间:2026-03-09
石英灯电子变压器电路原理
时间:2026-03-06
一文详解MOS管驱动电路拓扑的设计
时间:2026-03-09
汽车芯片业应汲取的教训
时间:2026-03-09
半导体行业之ICT技术简介
时间:2026-03-09
集成电路的几纳米代表了什么?
时间:2026-03-09