555定时器取代LED驱动器的uP控制
电子元件2026-03-14
555定时器在LED驱动器的中的应用
电子元件2026-03-14
555定时器实现LED驱动器控制
电子元件2026-03-14
电路图天天读(12):可穿戴脉搏测试仪模块电路设计
电路图基础2026-03-07
脉搏是常见的生理现象,是心脏和血管状态等重要的生理信息的外在反映;因此,脉搏测量不仅为血压测量、血流测量及其他生理检测提供了生理参考信息,而且脉搏波本身也能给出许多有诊断价值的信息。
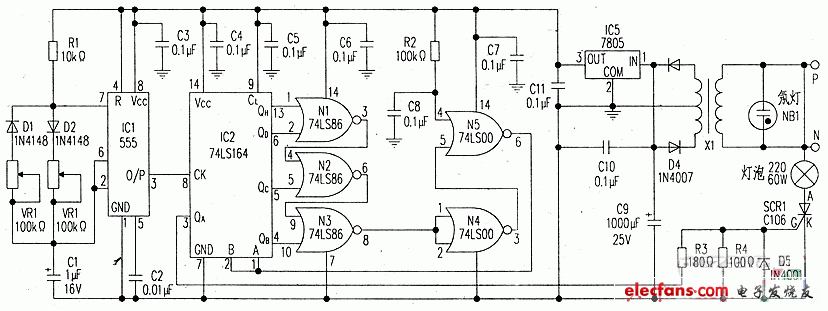
普通电灯泡产生烛光的简单电路
电路图基础2026-03-07
这是一种可使普通电灯泡产生烛光的简单电路。我们知道,烛光类似于一种随机闪烁的光源.因此.这种电路的设计目标是用普通电灯泡产生出有随机闪烁光效的光源。
影响介电常数的因素有哪些?
时间:2026-04-22
关于电流互感器基础知识介绍
时间:2026-04-22
开关电源的工作原理及特性
时间:2026-04-22
绝缘栅双极型晶体管(IGBT)外形、等效结构与...
时间:2026-04-22
信噪比(SNR)的定义,如何计算信噪比
时间:2026-04-22
波特率是什么意思_怎样计算波特率
时间:2026-04-21
RS485基本知识介绍
时间:2026-04-18
什么是激光雷达?激光雷达的构成与分类
时间:2026-04-18
Excelpoint - 一文了解SiC MOS的应用
时间:2026-04-18
什么是磁电阻器?磁电阻特性及应用
时间:2026-04-18
基于逻辑门的构成解释如何完成任意逻辑的管...
时间:2026-03-08
彩灯电路
时间:2026-03-05
NE555的有趣电路设计分享
时间:2026-03-08
三相异步电动机原理
时间:2026-03-04
三相异步电动机的拆装详讲
时间:2026-03-04
从0学电路,万用表演示测量三极管方法
时间:2026-03-08
电动机单线远程正反转控制电路图
时间:2026-03-04
光耦在电子电路中作用、关键参数详解
时间:2026-03-08
H桥电机驱动电路解析
时间:2026-03-08
转角测量电路
时间:2026-03-05