脉搏是常见的生理现象,是心脏和血管状态等重要的生理信息的外在反映;因此,脉搏测量不仅为血压测量、血流测量及其他生理检测提供了生理参考信息,而且脉搏波本身也能给出许多有诊断价值的信息。
有源滤波电路: 由于放大后的脉搏信号同时还含有杂波,须进行滤波。由于脉搏信号频率约在1Hz左右,而干扰最大的信号为50Hz。可采用二阶压控有源低通滤波电路,其上限频率设成为20Hz,电路如图所示,其中R值均为24k,电容值为330pf。

整形电路: 利用555触发器连接成整形电路,电路的上限频率为8v,小限频率为4v,电路如图所示。

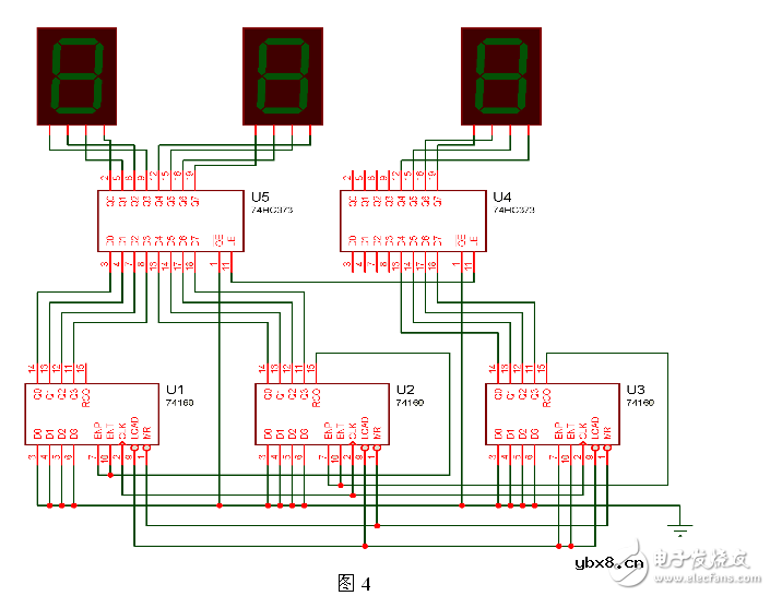
计数、译码、显示电路: 本电路的作用是将整形电路得到的脉冲信号进行计数,以十进制的形式通过数码管显示出来,计数器用74ls160,锁存器用74hc373,数码管用7SEG—BCD,电路如图所示。

定时器电路: 电路采用555定时器构成单稳态触发器,产生1min基准时间。电路如图5 所示,其中R1=3M,R31=10k,C2=0.01uF,C1=17.7uF。

电子发烧友网技术编辑点评分析:
电路运行正常,能测试出一分钟的脉搏数。由于此电路的基准时间是1min,测试时间较长,可以在电路中加入倍频器,在较短的时间内完成测试,但是这样测量误差较大。脉搏测试仪主要是由两个大的部分组成,模拟的信号放大滤波整形部分和数字的计数译码显示部分,数字部分需要对每个集成块的功能要有明确的认识,这样才不会把电路连错同时也会为电路的简化和设计有很大的帮助。相比之下模拟部分除了要对电路的功能熟悉和理解以为还需要结合实际的情况来确定各个元器件的参数,同时要避免失真。 在做运放的时候,若开始选的是AD620这个运放器很难实现运放,用LM324构成了方向比例放大电路,才比较好。
大家如有问题,欢迎在评论处讨论。
——电子发烧友网整理,转载请注明出处!
相关热词:#555定时器
5v太阳能路灯电路图大全(四款5v太阳能路灯...
时间:2026-03-07
双向可控硅调光电路图大全(四款模拟电路设...
时间:2026-03-07
太阳能路灯电路设计与仿真
时间:2026-03-07
30w太阳能路灯设计方案汇总(六款太阳能路灯...
时间:2026-03-07
ne555调光电路图大全(五款模拟电路设计原理...
时间:2026-03-07
60w太阳能路灯设计方案汇总(四款模拟电路设...
时间:2026-03-07
220v双向可控硅电路图大全(八款模拟电路设...
时间:2026-03-07
单向可控硅光控电路图大全(四款模拟电路设...
时间:2026-03-07
可控硅调压器电路图大全(八款模拟电路设计...
时间:2026-03-07
单向可控硅最筒单电路图大全(四款模拟电路...
时间:2026-03-07
彩灯电路
时间:2026-03-05
三相异步电动机原理
时间:2026-03-04
三相异步电动机的七种调速方式
时间:2026-03-04
转角测量电路
时间:2026-03-05
经典的正弦波发生电路
时间:2026-03-05
电动机单线远程正反转控制电路图
时间:2026-03-04
三相异步电动机的拆装详讲
时间:2026-03-04
USB转232电路图
时间:2026-03-04
电度表的工作原理
时间:2026-03-04
电风扇红外遥控器2
时间:2026-03-04