电子元件2026-03-06
贴片电感器和片式电容器的区别及电流种类 贴片电感器和片式电容器是现代电子设备中常见的两种 passives 器件。它们在电路中具有不同的功能,并且在结构和工作原理上也存在一些区别。本文将详细介绍贴片电感器和片
电子元件2026-03-06
贴片电容如何实现存储的?有哪些特点? 贴片电容是一种常见的电子元件,广泛应用于电路中的电容器。与传统的电解电容器相比,贴片电容具有体积小、结构简单、可靠性高等优点,因此在现代电子领域得到了广泛的应用
电子元件2026-03-06
如何让超级电容器电池的电压平衡呢?保持平衡的作用是什么? 超级电容器电池的电压平衡是指各个电容单元或模块的电池电压能够保持一致。保持电压平衡对超级电容器电池的性能和寿命有重要影响。本文将详细介绍超级
电子元件2026-03-06
超级电容在LED电源中的使用 随着节能意识的不断增强和环保要求的提高,LED灯具在照明领域的应用越来越广泛。在LED灯具中,电源的设计和选材非常重要,而超级电容作为一种新兴的储能元件,被广泛应用在LED电源中。
电子元件2026-03-06
超级电容器与电池存储有什么区别 超级电容和电池哪种更环保 超级电容器和电池是两种常见的能量存储设备。虽然它们的目的都是将能量存储起来以供后续使用,但它们在存储原理、充放电性能、寿命和环保性等方面存在
电子元件2026-03-06
为什么说X电容和Y电容是天作之合? 电容是电子元件中的一种重要组成部分,用于储存和释放电能。在电子设备中,常用的电容类型包括X电容和Y电容。这两种电容都有着独特的特点和优势,并且在一些特定的应用场景中,
电子元件2026-03-06
薄膜电容中之CBB电容和CL电容有何差异? CBB电容和CL电容是薄膜电容的两种不同类型。虽然它们在某些方面相似,但也存在一些差异。下面是对CBB电容和CL电容的详细解释,以及它们之间的主要差异。
电子元件2026-03-06
无功补偿电容达不到额定电压值会产生什么后果? 无功补偿电容是一种重要的电力设备,它用来改善电力系统的功率因数。然而,当无功补偿电容无法达到额定电压值时,将会产生一系列的后果。
电子元件2026-03-06
电容如何实现充放电、整流、滤波的功能? 电容是一种被广泛应用于电子电路中的被动元件,具有很多重要的功能,包括充放电、整流和滤波功能。在本文中,我将详细介绍电容如何实现这些功能。
电子元件2026-03-06
如何区分电子电路中的电容是滤波电容还是旁路电容啊? 电容是电子电路中常见的元件之一,它可以储存电荷并存储能量。在电路中,电容既可以作为滤波电容使用,也可以作为旁路电容使用。滤波电容和旁路电容在电路中
电子元件2026-03-06
超级电容器的放电电流有多大? 超级电容器是一种高性能电容器,它具有较高的能量密度和功率密度,能够快速充放电。其放电电流的大小取决于多个因素,包括电容器的设计、材料和电路参数等。在本文中,我将详细介绍
电子元件2026-03-06
超级电容器和电池在能量储存与转换方面有什么异同 超级电容器和电池都是常见的能量储存和转换装置,但它们的工作原理和性能差异很大。
电子元件2026-03-06
电容器接在电路上的作用是什么?会使正负电荷聚集吗?电压与电容器并联会怎样
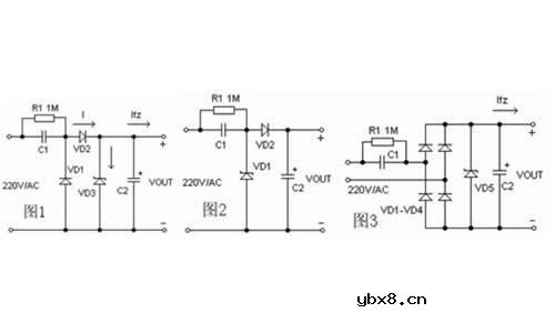
安规电容器降压原理 安规电容的主要应用电路详解
电子元件2026-03-06
安规电容器降压原理 安规电容器降压原理** **主要是利用电容在一定交流信号频率下产生的容抗来限制最大工作电流。
电子元件2026-03-06
请问有极性电容和无极性电容的区别在哪? 极性电容和无极性电容是电子领域中常见的两种电容器。它们在结构、应用、特性和技术规范等方面存在很大差异。下面将为您详细介绍极性电容和无极性电容的区别,以帮助您更
何为无极性电容?浅谈由极性电容组成的无极性电容
电子元件2026-03-06
何为无极性电容? 无极性电容就是没有极性电源正负极的电容器,无极性电容器的两个电极可以在电路中随意的接入。无极性电容可以在电路中任意方向连接而不区分正负极的电容器。
不同型号显卡能交火吗
时间:2026-03-06
n卡双显卡交火怎么设置
时间:2026-03-06
三联屏需要什么显卡_三联屏显卡要求
时间:2026-03-06
东芝硬盘携手宝德 以前沿技术共迎新大数据时...
时间:2026-03-06
半模组和全模组哪个好_全模组电源和半模组电...
时间:2026-03-06
全模组电源什么牌子好_八个全模组电源品牌推...
时间:2026-03-06
atx电源电路图讲解(五款atx电源电路图)
时间:2026-03-06
私钥、密钥管理和安全存储在物联网设计中的...
时间:2026-03-06
电脑atx电源接口详解
时间:2026-03-06
半模组电源品牌有哪些_半模组电源推荐
时间:2026-03-06
玻璃釉电容器的结构与特点
时间:2026-03-05
关于STM32WL LSE 添加反馈电阻后无法起振的...
时间:2026-03-05
电阻的标称阻值和允许偏差
时间:2026-03-05
浅谈高压贴片电容分类与性能参数
时间:2026-03-05
聚四氟乙烯电容器的结构与特点
时间:2026-03-05
漆膜电容器的结构与特点
时间:2026-03-05
复合介质电容器的结构与特点
时间:2026-03-05
瓷介电容器的结构与特点
时间:2026-03-05
电解电容器的结构与特点
时间:2026-03-05
电解电容的型号
时间:2026-03-05