一、虚拟机使用界面
如图1所示。VMware workstation 17软件界面,软件操作这里不做过多的介绍,请参考VMware官网说明书,说明书可移步后台回复【虚拟机】,即可免费领取使用文档。

△图1
二、虚拟机系统下载
虚拟机技术的作用非常广泛,可以为用户提供更加灵活、高效、安全和智能的计算机环境和资源。
下列地址提供了创建好的虚拟机系统,根据连接下载好即可添加到虚拟机软件中。
1. 西门子虚拟机,该虚拟机包含以下软件:
(1)TIA Portal V17
(2)step 7 v5.6 英文版
(3)STEP7 MicroWIN SMART V2.6
(4)wincc flexible smart v3 sp2
(5) wincc flexible 2008
2. EPLAN 虚拟机,该虚拟机包含以下软件:
(1)EPLAN P8 V2.7
3. S7-200 虚拟机,该虚拟机包含以下软件:
(1)STEP7 MicroWIN
4. 博途虚拟机,该虚拟机包含以下软件:
(1)西门子博途 v17
5. ABB 机器人虚拟机,该虚拟机包含以下软件:
(1)RobotStudio 6.08
(2)发那科 ROBOGUIDE 9.4 编程软件
(3)库卡 KUKA Sim Pro 1.1
6. KUKA 虚拟机,该虚拟机包含以下软件:
(1)KUKA 虚拟示教器 OfficeLite KSS 8.6.2
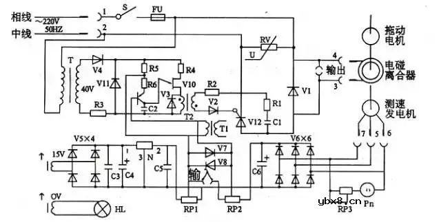
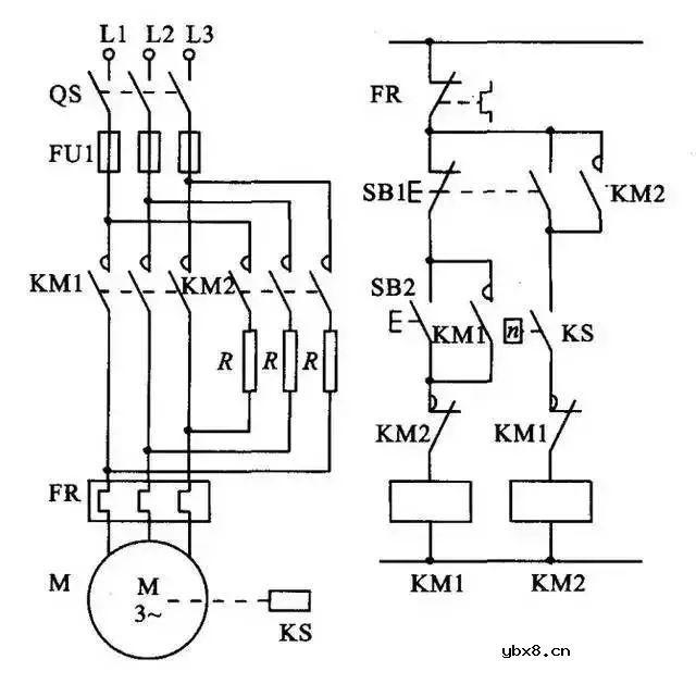
1、可控硅调速电路

2、电磁调速电机控制图

3、三相四线电度表互感器接线

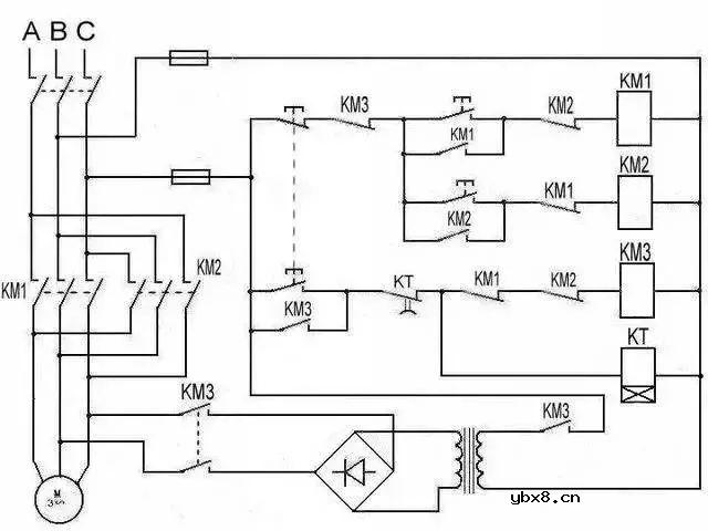
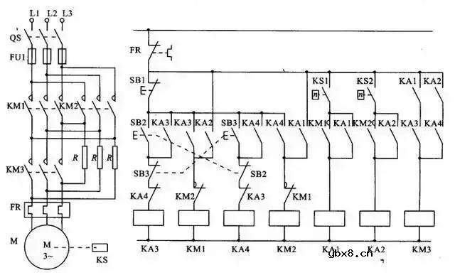
4、能耗制动

5、顺序起动,逆序停止

6、锅炉水位探测装置

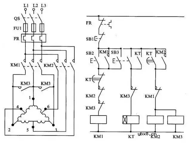
7、电机正反转控制电路

8、电葫芦吊机电路

9、单相漏电开关电路

10、单相电机接线图

11、带点动的正反转起动电路

12、红外防盗报警器

13、双电容单相电机接线图

14、自动循环往复控制线路

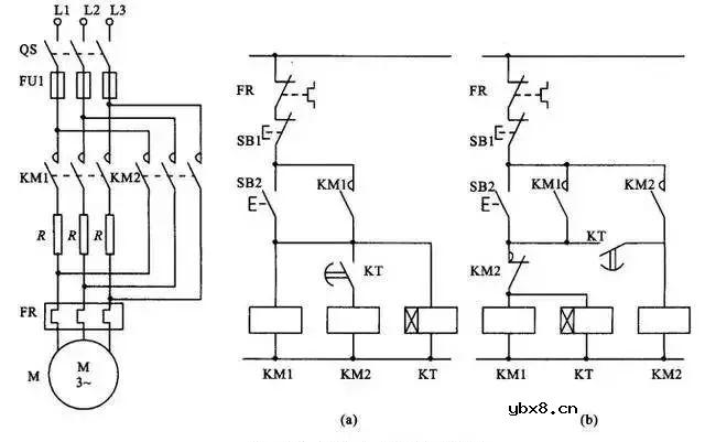
15、定子电路串电阻降压启动控制线

16、按启动钮延时运行电路

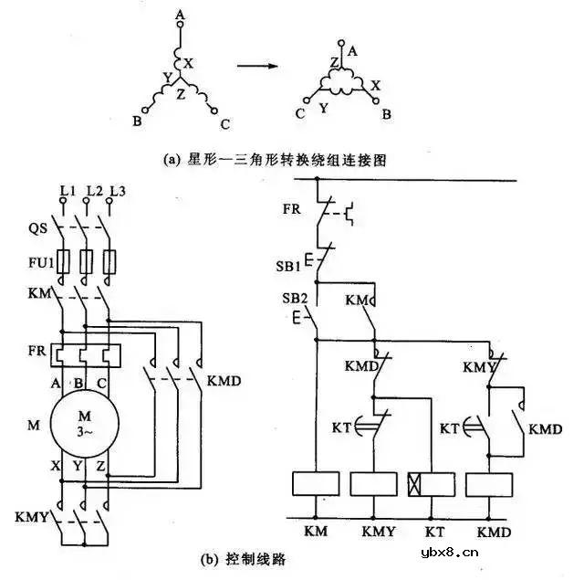
17、星形 - 三角形启动控制线路

18、单向反接制动的控制线路

19、具有反接制动电阻的可逆运行反接制动的控制线路

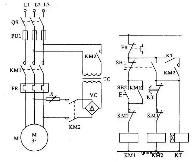
20、以时间原则控制的单向能耗制动线路

21、以速度原则控制的单向能耗制动控制线路

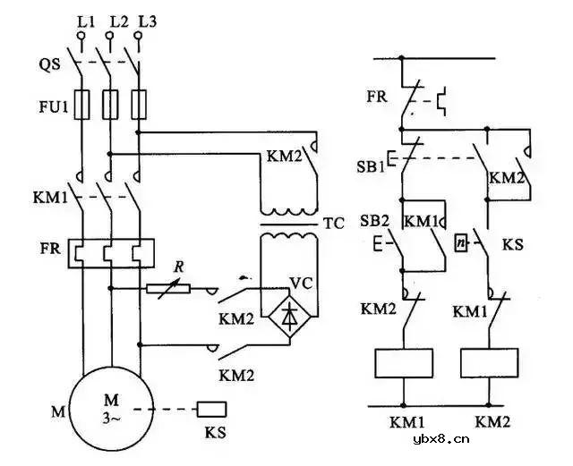
22、电动机可逆运行的能耗制动控制线路

23、双速电动机改变极对数的原理

24、双速电动机调速控制线路

25、使用变频器的异步电动机可逆调速系统控制线路

26、正确连接电器的触点

27、线圈的连接

28、继电器开关逻辑函数

29、三相半波整流电路图

30、三相全波整流电路图

31、三相全波6脉冲整流原理图

32、六相12脉冲整流原理图

33、负载两端的电压

在一个周期中,每个二极管只有三分这一的时候导通(导通角为120度)。负载两端的电压为线电压。
34、直流调速原理功能图

以上这34个电器接线图,看懂完胜80%的电工!各位小伙伴赶紧点赞收藏吧!
免责声明:本文转自网络,版权归原作者所有,如有侵权请及时与我们联系删除,谢谢
三、虚拟机系统添加
打开虚拟机软件后,点打开虚拟机,在步骤2中找到你下载好的虚拟机系统文件路径,打开系统虚拟机系统,如图2所示。

△ 图2
编辑虚拟机系统的内存,步骤8可以通过滑动蓝色块分配系统内存,如图3所示。

△图3
检查虚拟机系统工作目录关联文件,步骤11中选择的是否是下载好的虚拟机系统文件,如果不是请修改文件路径,如图4所示。

△ 图4
选择开启虚拟机,如图5所示。

△ 图5
选择已移动虚拟机,如图6所示。

△ 图6
系统打开如图7所示,虚拟机系统和主系统操作是一致的,系统操作不做过多的介绍。

△ 图7
总结:
以上就是整个虚拟机系统的添加的步骤。
审核编辑:刘清
使用高压电阻进行设计的 10 个技巧
时间:2026-05-07
数字仪表与模拟仪表:它们有何区别?
时间:2026-05-07
基于半导体的电源模块与分立元件
时间:2026-05-07
一文看懂堆和栈的区别和联系
时间:2026-05-07
pcb板和pcba的区别
时间:2026-05-07
什么是数组?数组有什么用?
时间:2026-05-07
电感器设计流程和见解
时间:2026-05-01
什么是触发器?触发器的作用是什么?
时间:2026-05-01
什么是电源?电源是如何进行分类的?
时间:2026-05-01
电驱动NVH的特点和结构
时间:2026-05-01
电阻的原理和作用 电阻色环识别图 电路中电...
时间:2026-03-09
什么是室温超导?半导体时代将走向结束?芯...
时间:2026-03-09
NVIDIA CPU+GPU超级芯片大升级!
时间:2026-03-09
半导体光刻工艺 光刻—半导体电路的绘制
时间:2026-03-09
什么是硅片或者晶圆?一文了解半导体硅晶圆
时间:2026-03-09
石英灯电子变压器电路原理
时间:2026-03-06
一文详解MOS管驱动电路拓扑的设计
时间:2026-03-09
汽车芯片业应汲取的教训
时间:2026-03-09
半导体行业之ICT技术简介
时间:2026-03-09
集成电路的几纳米代表了什么?
时间:2026-03-09