首先部分同行可能会有个疑问:既然有定子温度传感器,为什么还要做定子温度的修正模型?在此谈一下其必要性,如下。
下面介绍三种在工程应用中定子的温度修正补偿模型。
1. 模型Ⅰ
转子速度越高时,周围空气对整个定子绕组的冷却效果越是不均衡的,因此,定子温度传感器所测温度与绕组实际温度偏差较大。模型Ⅰ基于定子温度测量值,通过与电机转速相关联来修正定子温度。如图1所示。

图1. 基于定子温度测量值和转子速度的定子温度修正模型(图中:T为温度)
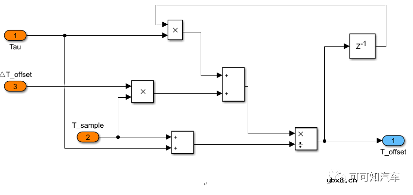
2. 模型Ⅱ
基于热等效回路模型,通过定子电流和转子速度来计算出定子温度的补偿值,来修正定子测量温度。

图2. 基于定子温度测量值、相电流和转子速度的定子温度修正模型
根据热等效回路模型,参考“新能源汽车电机控制器温度计算及其模型-DC电容篇”的公式推导过程,可得:

根据上述公式,可得ST-Filter模型如图3所示

图3. ST-Filter模型
3. 模型Ⅲ
基于热等效回路模型,通过电机控制器冷却液温度、相电流和转子速度来估算定子温度。

图4. 基于冷却液温度测量值、相电流和转子速度的定子温度计算模型
考虑到冷却液温度的骤然变化,为了避免定子温度的计算值也变化过快,故模型Ⅲ中冷却液测量温度值也进行了ST-filter模块滤波处理,同模型Ⅱ的ST模型。
4. 工程应用分析
1)模型Ⅰ结构简单,没有考虑相电流的影响,工程应用中标定工作量较少,相比于模型Ⅱ,其动态精度较低。
2)热容充满的时间常数,即Tau,随着转子速度和相电流的变化而变化,可通过FEA仿真获取,且不同的电机,其值也不同。
3)ST-Filter 模块中的 △T_offset查询表随着转子速度和相电流的变化而变化,可通过FEA仿真获取定子绕组在不同工况的最高温度位置点,再在台架或整车上来标定修正△T_offset查询表。
4)考虑ST模块中T_offset初始化值,在电机控制器掉电关机持续的时间超过n个τ以后,被视为稳态,即热平衡,电机定子的温度与冷却液的温度相同。对于ST-Filter模块,在建模时需要考虑以下几点:
-.读取断电时间长度,用于判定电机定子的温度是否达到热平衡;
-.若电机控制器断电后重启动,定子的温度达到了热平衡,则模型Ⅱ中T_offset 的初始化值设置为0,模型Ⅲ中T_offset 的初始化值设置为冷却液温度值。
-.若电机控制器断电后重启动,定子温度未达到热平衡,则电机控制器有必要在断电之前将最新的T_offset存储在NVM中,并考虑n个τ内冷却掉的温度, 例如:用时间长度来查表修正NVM中T_offset值,最后这个值才用于T_offset的初始化值。
一款可植入电池内部的高精度光纤传感器
时间:2026-03-18
拜安半导体6英寸MEMS光纤传感器芯片特色生产...
时间:2026-03-18
探讨一下IGBT的片上电流传感器基本原理及用...
时间:2026-03-18
基于微针的生物传感器研究进展
时间:2026-03-18
全志R128应用开发案例—中断方式驱动旋转编...
时间:2026-03-18
索尼推出业内首颗最高像素车载CMOS图像传感...
时间:2026-03-18
onsemi推出适用于智能家居的Hyperlux LP图像...
时间:2026-03-18
Melexis推出高性能线性行程磁位置传感器芯片
时间:2026-03-18
使用XR806芯片驱动一下DHT11温湿度传感器
时间:2026-03-18
具有弯曲宏观裂纹的多功能水凝胶传感器
时间:2026-03-18
玻璃釉电容器的结构与特点
时间:2026-03-05
碳膜电阻如何识别_金属膜电阻器和碳膜电阻器...
时间:2026-03-05
电阻的标称阻值和允许偏差
时间:2026-03-05
石英灯电子变压器电路原理
时间:2026-03-06
变压器并列运行的条件浅析
时间:2026-03-06
三极管的主要参数
时间:2026-03-07
为什么需要对变压器有载开关进行测试呢?
时间:2026-03-07
光伏控制器简介
时间:2026-03-06
关于STM32WL LSE 添加反馈电阻后无法起振的...
时间:2026-03-05
贴片电阻怎么识别_贴片电阻识别方法
时间:2026-03-05