20世纪70年代出现了世界性的能源危机,节约能源的紧迫感使许多公司致力于节能光源和荧光灯电子镇流器的研究,随着半导体技术飞速发展,各种高反压功率开关器件不断涌现,为电子镇流器的开发提供了条件,70年代 末,国外厂家率先推出了第一代电子镇流器,是照明发展史上一项重大的创新。由于它具有节能等许多优点,引起了全世界的极大关注和兴趣,认为是取代电感镇流器的理想产品,随后一些著名的企业都投入了相当的人力、物力来进行更高一级的研究与开发。
由于微电子技术突飞猛进,促进了电子镇流器向高性能高可靠性方向发展,许多半导体公司推出了专用功率开关器件和控制集成电路的系列产品,1984年,西门子公司开发出了TPA4812等有源功率因数校正电器IC,功率因数达到0.99。随后一些公司相继推出集成电子镇流器,89年芬兰赫尔瓦利公司又成功推出可调光单片集成电路电子镇流器,电子镇流器在全世界特别是发达国家已全国推广应用。
中国对电子镇流器的研究开发起步较晚,技术起点低,早期对这一产品的难度和复杂性认识不足,专用半导体器件开发未跟上,产品质量过不了关,而且市场极不规范,大量的低价劣质品被抛向市场,使消费者蒙受损失,严重损害了电子镇流器的形象。90年代后期,由于生产水平有了迅速发展和提高,从电路设计到了电子器件的配套都进入了较成熟阶段,优质产品进入建筑工程,随着中国绿色照明工程的实施,为电子镇流器推广应用铺平了道路,国产电子镇流器必将迅速赶上国际先进水平,在竞争的国际市场中占有一席之地。
荧光灯、杀菌灯用电子镇流器知识
电子镇流器知识简介:使用半导体电子元件,将直流或低频交流电压转换成高频交流电压,驱动低压气体放电灯(杀菌灯)、卤钨灯等光源工作的电子控制装置。应用最广的是荧光灯电子镇流器。
电子镇流器由于采用现代软开关逆变技术和先进的有源功率因数矫正技术及电子滤波措施,具有很好的电磁兼容性, 降低了镇流器的自身损耗。
辨别电子镇流器好坏
把起辉器拆下,断开电源,测试镇流器两端即可。如果镇流器那种比较老的电感式的,电感式的才可以用这种方法测试线圈是否烧坏。这种老式的镇流器坏了,一般就是线圈烧断,导致灯管两端没有电压,不会引起灯管烧坏。对于电子镇流器就会有很多情况。
可以按上述所说的方法分别测量三个镇流器的阻值,看看有没有较大区别,以此判断镇流器是否损坏。还可以换起辉器,看看那个会烧的起辉器是否不可以断开,一直处于通路状态。总之用替换法。
占空比调光法
这种调光控制法利用调节高频逆变器中功率开关管的脉冲占空比,实现输出功率调节,对半桥逆变的最大占空比为0.5,以确保半桥逆变器的两个开关管有一个死时间,以免两个开关管共态导通损坏。这种调光方法存在的问题是:如果电感电流连续并滞后于半桥电压Uxy,则开关可能导通时工作在零电压状态,关断瞬间需采用吸收电容达到ZCS工作条件,这样可进入ZVS工作方式,这是优点,EMI和开关管应力可明显降低。然而,如果占空比太小,以至电感电流不连续,将失去ZVS工作特性,并且由于供电直流电压较高,而使开关管上的应力加大,这种不连续电流导通状态将导致可靠性降低和加大EMI辐射。
除了小的脉冲占空比,当灯管发生故障时,也会出现不连续电流工作状态,当灯为开路故障时,电感电流将流过谐振电容,由于这个电容的容量较小,所以阻抗较大。除非两个开关管有吸收电路保护,否则开关管将承受很大的电压应力。
调频调光法
调频调光法也是常用的调光方法。如果高频交流电子镇流器的开关频率增加,则电感的阻抗增加,这样,电感电流就会下降。
调频调光法的局限性:
A.调光范围由调频范围决定,如果调频范围不大,则功率调节范围也不大。
B.为了实现在低灯功率工作条件下实现调光,则调频范围应很宽(即从25KHZ--50KHZ)。磁芯的频率范围、驱动电路、控制电路可能限制调光范围。
C.在整个调频范围内不易实现软开关。轻载时,不能实现软开关,并使开关管上的电压应力加大。硬开关的瞬态过渡是EMI辐射的主要来源。
D.如果半桥逆变器不工作在软开关状态,则导致逆变器的损耗加大,导致效率降低。
E.当开关频率在红外遥控的频率范围内时,荧光灯将发射低电平的红外线,如果调频范围很大,其它的红外遥控装置如电视机将会受到影响。
F.灯电流近似反比于逆变器开关频率,调光与开关频率间不是线性关系。
G.当灯管发生开路故障时,将出现DCM工作状态,特别是当开关频率很低时。
电压调光法
利用改变半桥逆变器供电电压法实现调光有以下优点:
A.调节半桥逆变器供电电压来实现调光。
B.采用固定占空比(约0.5)的方法,使半桥逆变器工作在软开关电感电流连续的宽调光范围调光(这也可使开关控制电路简化)。
C.由于开关频率固定,所以可以针对给定的灯型号简化控制电路设计。
D.由于开关频率刚好大于谐振频率,所以可以降低无功功率和提高工作效率。E.由于开关频率固定,所以可以较方便的确定无源器件的参数。
F.在较宽的灯功率范围内(5%--100%)保持ZVS工作条件。
G.在很低的半桥逆变器供电电压下,将会失去软开关特性,将会出现电感电流不连续的工作状态。然而在直流供电电压很低的情况下,这种工作状态不再是个问题,这时的开关管应力和损耗将很小,即使硬开关在低直流供电电压情况下(如20V),也不会产生太多EMI辐射。
H.可实现平滑和几乎线性的灯功率控制特性。
I.可得到低功率解决方案,半桥逆变器的供电电压可以选得很低(如5%--100%的调光范围对应30-120V),这样可采用低电压电容和 MOSFET。
J.调光控制仅通过控制SEPIC变换器输出电压实现。由于半桥逆变器工作在恒频工作状态,所以可采用简单的AC/DC控制即可实现调光。
K.灯电流近似和DC变换器的电压成正比,调光几乎和SEPICDC变换器的输出直流电压成正比。
脉冲调相调光法
利用调节半桥逆变器中两支开关管的导通相位的方法来调节输出功率,从而达到输出调光的目的。相控调光法主要有以下特点:
(1)可调光至此1%;
(2)可在任意调光设定值下启动;
(3)可应用于多灯应用场合;
(4)调光相位灯功率关系线性好。
1997年10月1日,我国“绿色照明工程”正式启动,这是照明技术领域内一项重大决策和举措,必将对我国的能源、电光源和照明技术,甚至环境保护等各个领域产生巨大影响。
据国家经贸委人士称:我国将把采用电子镇流器和紧凑型荧光灯组成的一体化节能灯取代白炽灯作为“绿色照明工程”的重要目标,“九五”期间,将推广各种节能灯3亿只以上,形成终端节电220亿度的能力,相当于节约电力建设资金(490~630)亿元,扣除节电投入,实际可减少社会支出 (300~400)亿元。又据信息产业部有关专家认为,在相同光通量条件下,节能灯比白炽灯可节约电能80%,用于购买节能灯的费用,在(8~10)个月的电费节余中就可以收回。普通家庭和企事业单位、宾馆饭店、商业系统等使用电子节能灯,比白炽灯更为合算。
但是,目前在工频下工作的老式电感镇流器,普遍存在耗能高、效率低、体积大,需大量铜材等缺点。所以,国家已把高频电子镇流器取代传统电感式镇流器定为一项政策。目前,市场上出现了一些电子镇流器,表 1列出这些电子镇流器的性能比较。按照国际电工委员会标准IEC929和我国的专业标准ZBK74012—90关于电子镇流器在“正常情况下使用时,应使灯启动,但不对灯性能造成损害”;“施加阴极预热电压的最短时间应不少于0.4s”和“开路电压的波峰系数不得超过1.8;在最低预热期间,不得产生即使是极窄的、不影响有效值的电压峰值”等规定,则表1中所列,除高档电子镇流器外,均属不合格产品。特别要强调的是,早在1982年,国际电工委员会(IEC)就制定了名为“家用设备及类似电器设备对供电系统干扰的标准”,即IEC555-2标准。1987年,欧洲也制定了类似的EN60555-2标准。
两个标准都严格限定了设备的功率因子必须接近1,而且还明确作出300W以上设备,自1992年起;300W以下设备,自1994年起,凡不符合标准的产品不准销售的规定。鉴于功率因子低造成的危害极大,强行贯彻电子设备和产品的功率因子必须接近1的规定非常重要,也非常必要,国内现在虽尚无相应标准,但可以确信相关标准的出台是迟早的事。高性能电子镇流器自然亦不例外。

我们认为,高性能电子镇流器应该是既具有功率因子校正,同时兼备灯管灯丝预热、灯光调节和灯电路保护等功能,且完全符合IEC555-2及类似标准的产品,为此,本文就高性能电子镇流器必须具备的电路结构和功率因子校正电路的基本原理作简要讨论,着重介绍美国微线性公司的电子镇流器专用集成控制器 ML4831,ML4832,ML4833及由其构成的高性能电子镇流器电路。
2、高性能电子镇流器的电路结构
电路结构如图1所示。图中RFI和EMI滤波器将来自电网的传导射频干扰和电磁干扰滤除,同时阻碍镇流器电路产生的传导射频及电磁干扰进入电网。桥式整流电路将输入交流变换成直流。功率因子校正电路则起改善输入交流电流波形的作用,确保输入电流正弦化并与输入电压同相位,实现功率因子接近或等于1。逆变电路完成直流高压向高频交流的变换,通过灯电路网络将输入功率最终传输给荧光灯管。灯网络除了传递电功率之外,还将实施荧光灯灯丝的预热、灯管工作状态信号的取样和反馈。灯工作状态的反馈信号取自功率因子校正电路和调光信号,经控制电路处理得到正确的逆变电路中开关器件的驱动脉冲。
2.1功率因子校正电路
系统的功率因子(PowerFactor,PF),定义为
PF=γcosφ1(1)
式中γ=I1/IRMS,是输入电流的基波有效值与输入总电流有效值之比,称电流的失真因子(DistortionFactor,DF),φ1为基波电流与电压的相移角。
如果系统的输入电压与电流无相移(即系统为纯电阻性),且无任何谐波分量(即DF=1),该系统的PF必然等于1。遗憾的是,目前绝大多数电子设备与工频电网相接的输入整流滤波单元都采用不控二极管和大容量电解电容器组成,网侧电流的瞬时值相当高(一般约为IRMS的2倍~3倍),持续时间非常短(通常不超过4ms),呈严重非正弦化特征,故系统的PF远低于1。功率因子校正就是针对传统不控整流电路的弊病,采取相应的电路措施,在提高系统DF值的同时,尽量减小输入基波电流和电压的相移,最终实现PF值等于1的目标。图2所示为电子镇流器中常用的升压型有源功率因子校正电路。控制电路以输入电压信号作基准,输入电流和输出电压信号的乘积作调制源,得到正弦脉宽调制(SPWM)信号给升压型DC/DC功率变换电路,以调节功率开关的通、断时间比,最后获得稳定的直流高压。升压型功率变换电路中的功率开关器件,由于在控制电路输出的SPWM信号驱动下高速通、断,故可确保流经与整流桥相串联的电感中的电流波形为正弦波,且与输入电压同相,从而得到系统输入电流的失真因子γ=1和φ1=0,即cosφ1=1,实现系统功率因子为1。
2.2逆变电路
逆变电路最主要的功能是将经功率因子校正电路输出的高压直流变换为供荧光灯使用的高频交流。图3所示为电子镇流器中最常用的电流馈送推挽零电压开关(ZeroVoltageSwitching,ZVS)谐振逆变电路及其相关波形。图中功率MOSFET推挽管(V1和V2)在占空比为50%的驱动脉冲驱动下交替地通、断,并在功率变压器初级电感和电容构成的并联谐振回路中电流过零时换向,实现零电压开关(ZVS),对高压直流实行斩波。零电压开关能消除与MOSFET管的输出电容和寄生电容充电相关的开关损耗,而且栅极驱动电荷最小,有利于减少栅极的损耗。图3右侧所示为功率变压器初级所呈现的电压和流过的电流波形。由于功率变压器次级耦合得到的高频交流是直接馈送至灯路网络的,故灯电流(即功率变压器次级电流)与逆变电路的输出电流(即功率变压器初级电流)不存在相移。考虑到灯网络的总阻抗在高频时会减小,以及荧光灯自身的负阻特性,可以发现随着灯电流的减小(相当于灯的光强减弱),逆变电路的输出电流将会增加。
2.3灯电路网络
灯电路网络除须将逆变电路输出的高频交流功率输送给灯管,完成电-光的高效转换外,还包括诸如灯丝预热、灯电流检测反馈以及整个电子镇流器系统的辅助供电源等功能。图4为实用双灯管灯电路网络的实例。图中功率变压器T初级接逆变电路,通过电容直接向灯管输送灯正常发光所需的灯电流,次级绕组则向灯管提供预热和维持工作的灯丝电流。电流互感器TA执行对灯电流的检测和传感,通过灯电流的变化随时将有关灯工作情况的信号送往控制电路。控制电路可根据灯电流的大小(甚至包括灯管脱连和断路),判断灯的发光强弱,然后向逆变电路发送相应的控制信号。
2.4控制电路
高性能电子镇流器专用的控制电路应该具有包括功率因子校正、灯光调节、开灯预热、灯管断路警报、灯再起动程序调控等一系列功能。目前,国内外器件市场上出现的一些供电子镇流器用的集成电路控制器,基本上多是以PFC控制为主,适当添加灯路控制功能,或通过外部电路实施灯路控制的产品。相关产品列于表 2,以供参考。值得强调的是,表2所列产品中,真正称得上高性能电子镇流器专用的集成控制器只有美国微线性公司的ML4830/31/32/33系列产品。
3、ML4830系列高性能电子镇流器专用集成控制器

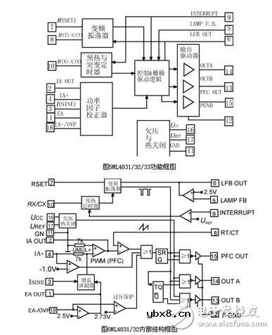
ML4830/31/32/33是美国微线性公司专为高性能电子镇流器开发的集成电路控制器。第一代产品ML4930已淘汰;第二代产品ML4831系采用双极型集成电路工艺制造;第三代产品ML4832采用Bicmos工艺替代原先的双极型工艺,电路偏置电流大大减小,自耗显著降低;第四代产品 ML4833不仅采用Bicmos工艺,内部结构亦有重大改进,故功能增强,性能更好。这些器件尽管都可采用图5功能框图,实际上ML4831和 ML4832的内部结构及ML4833的内部结构分别如图6及图7所示。


3.1ML4831/32功能简介
ML4831/32均为由平均电流控制的连续电流型升压式功率因子校正级组成,具有多种镇流控制环节的电子镇流器专用控制电路。灯管起辉和再起动定时能通过选用外电路元件实现,从而可对不同类型的灯管进行宽范围的控制。镇流环节采用调频和调节压控振荡器频率范围的附加可编程方法,对灯功率控制,故适应各种类型的输出网络。
ML4831/32中的增益调制器对大功率开关器件切换造成的干扰有很强的抗扰能力。如图6所示,增益调制器的输出将作为电流误差放大器的基准出现在放大器的反相输入端,数值为
式中:Isine是取自交流输入的电流;UEA为误差放大器的输出(管脚1)。增益调制器的输出限为1V。PFC控制环节中的PWM调整器将通过管脚4传感电阻上产生的负电压,对由乘法器输出产生的正电压进行补偿。同时通过每周限流对功率MOSFET实施防高速电流瞬态的保护。一旦管脚4的电压低于 1V,PWM周期便马上终止。
ML4831/32的过压保护(OVP)端(管脚18)用于当灯管突然脱开时保护功率电路免受高压伤害。利用分压电阻直接挂到高压直流总线的方式可对OVP的起跳点进行设置。只要管脚18的电压超过2.75V,功率因子校正(PFC)晶体管将被截止,镇流环节的工作仍可继续。OVP的阈值应设定在功率器件能安全工作,但又不太低以致影响升压型功率变换环节工作的数值上。器件内部的运算跨导放大器执行PFC的电压反馈、电流传感和环流放大三方面工作。该跨导放大器按具有小信号正向跨导比较低的特性设计,以使在补偿网络中可采用大阻值电阻作负载及小容量(《1μ F) 陶 瓷 电 容 作 交流 耦 合 。 补 偿 网 络 可 采 用 图 8形 式 , 分 别 在 频 率 fz和 fP处 引 入 一 个 零 点 和 极 点 :
fZ=1/2πR1C1
fP=1/2πR1C2
注意到直流至“地”的通路及跨导放大器输出处都可能产生失调,反映到输入端的失调误差电压数值则由uos=iO/gm确定。图8中的电容C1就是用于阻断直流,使失调的不利影响减至最小。
ML4831/32中所有的运算跨导放大器均组合有压摆率(SlewRate)增强功能,以改善电路加电和瞬态响应条件下的恢复,因为跨导放大器从小跨导状态改变到大跨导状态时,对大信号的响应基本上是非线性的。
ML4831/32是通过对镇流电路逆变部分的功率开关管非重叠导通进行频率调制实现对灯的输出功率控制的。也就是说,在振荡定时电容CT放电期间,两只镇流功率管的输出都为低电平,参见图9。器件中压控振荡器(VCO)的频率范围受LFB放大器的输出(管脚6)控制。随着灯电流减小,管脚6的电压上升,致使CT充电电流下降,从而造成振荡器振荡频率变低。因为镇流输出网络衰减高频,故馈送给灯的功率便相应增加。一般,振荡器的频率可按下式计算:
fosc=1/(tchg+tdis)(2)式中
式中UTH及UTL见图9(b)。
假定充电电流大于放电电流,显然充电电流Ichg=0时,振荡频率(最低) fosc=1/(0.51×RTCT)
注意,充电电流为零的情况发生在LFBOUT(管脚6)为高电平时。通常,充电电流随送入振荡器的两个输入而变:
其一是预热定时器的输出,其二是灯反馈放大器的输出(管脚6)。在预热阶段,充电电流固定在 Ichg(preheat)=2.5/Rset(3) 的数值上。正常工作阶段,充电电流随管脚6的电压从0到UOH的变化而变。管脚6的电压为零时,振荡器频率最低,灯的功率最大。放电电流远大于流过定时电阻RT的电流,如取放电电流为5mA时,放电时间tdis≈490×CT。

ML4831/32内部还包含一个将UCC电压限定在13.5V的并联调整器。当UCC比13.5V低0.7V时,器件的静态电流将小于1.7mA,输出便被截止,从而使器件可直接利用挂接到整流AC总线上的电阻来起动。
另外,因为ML4831/32内部含有温度传感功能,故只要器件结温超过120℃便立即停止镇流器工作。为了更好发挥内部传感功能而不使用外部传感器,必须在镇流器的电路板上仔细确定ML4831/32的位置,以确保器件能正确传递镇流器的工作温度。ML4831/32的芯片温度通常可用下式来估算:Tj=65TA/PD(℃/W)(4)

值得注意的是,充分合理地用好器件内部的传感功能,对降低镇流器的总成本很有用。
按照既确保灯的寿命最长,又使镇流器发热最小的原则,ML4831/32专门设计了器件的起动方案。见图10(a),即包含灯丝预热、灯突然脱断在内的起动方案。镇流器加电时,CX上的电压由初始为0.7V,上升到3.4V的时间即灯丝的预热时间。在此期间,振荡器的充电电流 Ichg=2.5/Rset,振荡器产生很高的频率,但不产生足以使灯起辉的电压。灯丝预热后,逆变电路的频率跌到最低,同时产生高压使灯点燃起辉。如果在灯应该点燃起辉的时候逆变电路的电压没有跳变,则进入管脚9的灯反馈电压将升高至Uref以上,CX充电电流将被旁路,逆变电路停止工作,直到CX通过 RX放电降到1.2V阈值。按这种方式停止逆变电路工作,可以避免灯起辉失败或者脱离插座时逆变电路产生过热。一般,选择大阻值RX使这段时间适当长些为好。当CX达到6.8V阈值时,振荡器将关闭LFBOUT,因此灯将被驱动至满功率,随后进行调光,CX管脚的电位被箝位在约7.5V处。整个过程如图 10(b)波形所示。

3.2ML4833内部功能的改善
ML4833是ML4831/32的改进型,除兼有上述ML4831/32的全部功能外,最突出的改善在功率因子校正部分。ML4833的功率因子校正部分为峰值电流传感的升压型PFC控制电路,这种形式的电路只需要电压环补偿,比之ML4831/32采用平均电流控制方式的电路更简单。它由电压误差放大器、无须补偿的电流传感放大器、积分器、比较器及逻辑控制电路组成。在升压型功率变换部分,功率因子的校正通过电流传感电阻输出传感电压和流过的电流,利用对误差放大器的积分电压信号和Rsense两端电压的比较实现占空比的调节,占空比的控制定时如图11所示。考虑到微线性公司的所有高性能电子镇流器集成控制芯片均采用18脚DIP或SOIC封装,器件结构的改善必将带来内部功能框架和外部管脚功能的变化,为了简洁说明上述3种器件的差异,特在表 3中给出它们的管脚功能仅供参考。
4、ML4833构建的高性能电子镇流器
图12所示为采用ML4833构建的高性能电子镇流器的完整电路图。该电路系典型的AC/DC/AC结构:输入端增加了RFI抑制滤波电路,前级由 AC/DC组成升压型有源功率因子校正电路,后级DC/AC则为高频逆变电路,通过T5,VD11,R23和控制芯片的管脚8构成闭环,使系统工作稳定。实验电路可达






5、结论
鉴于目前市场上低档电子镇流器产品,质量低劣、可靠性差、失效率高,而且参数与日光灯管不匹配,影响灯管的发光效率和使用寿命,电路输出的高次谐波含量高,对电网干扰大等缺点,高性能电子镇流器的开发研制,无论从社会效益,还是经济效益方面看,都是一项非常迫切的任务。另外,高性能电子镇流器的价格尽管高于老式电感型镇流器,但考虑电费上涨及元器件价格下降等因素,从长期节电的费用上考虑还是能得到明显补偿的,所以高性能电子镇流器的发展前景仍然看好。特别是随着城乡经济的发展,无论建筑、街道、居室的照明和美化都离不开新光源的装饰,各种现代光源专用镇流器的开发研制必将形成热点。本文介绍的美国微线性公司ML4831/32/33高性能电子镇流器专用集成控制器,希望能对我国高性能电子镇流器及现代光源专用镇流器的开发研制起到借鉴和促进的作用。
电感器设计流程和见解
时间:2026-05-01
什么是触发器?触发器的作用是什么?
时间:2026-05-01
什么是电源?电源是如何进行分类的?
时间:2026-05-01
电驱动NVH的特点和结构
时间:2026-05-01
什么是霍尔传感器?
时间:2026-05-01
电负性的计算方法
时间:2026-04-30
电导的定义_电导的单位_电导怎么算
时间:2026-04-30
什么是计数器_计数器的作用
时间:2026-04-30
什么是欧姆定律_欧姆定律公式
时间:2026-04-30
RAID是什么?RAID有哪些?
时间:2026-04-30
电阻的原理和作用 电阻色环识别图 电路中电...
时间:2026-03-09
什么是室温超导?半导体时代将走向结束?芯...
时间:2026-03-09
NVIDIA CPU+GPU超级芯片大升级!
时间:2026-03-09
半导体光刻工艺 光刻—半导体电路的绘制
时间:2026-03-09
石英灯电子变压器电路原理
时间:2026-03-06
什么是硅片或者晶圆?一文了解半导体硅晶圆
时间:2026-03-09
一文详解MOS管驱动电路拓扑的设计
时间:2026-03-09
汽车芯片业应汲取的教训
时间:2026-03-09
压敏电阻型号的含义
时间:2026-03-05
半导体行业之ICT技术简介
时间:2026-03-09