电子镇流器(Electronic ballast),是镇流器的一种,是指采用电子技术驱动电光源,使之产生所需照明的电子设备。与之对应的是电感式镇流器(或镇流器)。现代日光灯越来越多的使用电子镇流器,轻便小巧,甚至可以将电子镇流器与灯管等集成在一起,同时,电子镇流器通常可以兼具启辉器功能,故此又可省去单独的启辉器。电子镇流器还可以具有更多功能,比如可以通过提高电流频率或者电流波形(如变成方波)改善或消除日光灯的闪烁现象;也可通过电源逆变过程使得日光灯可以使用直流电源。传统电感式整流器的一些缺点使它正在被日益发展成熟的电子镇流器所取代。
电子节能镇流器是由一些电子元器件构成的,它实际上就是大功率晶体管高频开关振荡电路。晶体管开关振荡电路的形式有单管振荡型、双管串联推挽振荡型、双管并联推挽振荡型,以及双管互补推挽振荡型。目前世界上普遍应用的电子节能镇流器电路大多为串联推挽振荡型,振荡频率为20~60kHz。

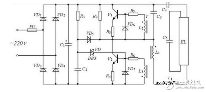
电子节能镇流器基本电路
整流二极管VD1、VD2、VD3、VD4组成桥式整流电路,与滤波电容C1相配合,构成电子镇流器开关振荡源电路的直流供电电源。电阻R1与电容C2组成积分电路,与二极管VD5、触发二极管VD(DB3)构成起动电路。三极管V1与V2以及绕在同一磁环上的高频变压器T(L1L2L3)构成变压器反馈串联推挽式开关振荡电路,也称逆变电路或称变流器,振荡频率为20~60kHz。电阻R2、电容C3构成了变流器的过压保护电路。电阻R5、R6为限流保护电路,同时还起到了V1、V2的缓冲保护作用。二极管VD6、VD7则起到钳位稳压作用,使V1、V2两只大功率三极管的开关振荡工作状态更趋稳定,而电感线圈L4、电容C4、C5则构成了串联谐振输出电路。
电子节能镇流器工作原理及元件选择的原则
电子节能镇流器工作时220V的交流电源经VD1~VD4桥式整流及C1滤波后变为310V左右的直流电压,给V1、V2晶体三极管逆变电路提供工作电压。滤波电容C1在充放电过程中,会使供电线路中电压波形产生畸变。基于这个问题,C1的容量宜小不宜大。但容量太小又会使直流电源的滤波不良,荧光灯管易产生闪烁或亮度不稳的现象,以及电容C1、V1、V2产生过高的温度而烧毁。对于20~40W的电子节能镇流器,C1一般取值为10~20μF,耐压要400V的电解电容器;整流二极管通常采用1A/1000V的1N4007整流二极管。若耐压太低,整流二极管有烧毁的危险。
当电子镇流器加电工作时,整流后的直流工作电压首先加入R1、C2、VD5、DB3所组成的起动电路,直流电源通过R1加到电容器C2上,C2开始充电。当C2上所充电达到触发二极管DB3的转折电压时,触发二极管由关断状态转为导通状态。积分电容C2所储存的电荷经触发二极管加于三极管V2的基极上,产生基极电流,从而激励三极管V2的导通。 触发二极管DB3转折电压的高低,对V2的导通工作状态有一定的影响。DB3的转折电压越高,则积分电容C2上所储存的电荷也越高,也就越容易激励V2导通工作;反之则V2不易触发导通;但这个转折电压也不能太高。
因为随着转折电压的提高,触发电压也相应提高,过高的触发电压对三极管V2是个威胁,要相应的提高三极管耐压值。故,这个转折电压是个适可而止的电压值。一般选用转折电压为20~35V的触发二极管。 积分电容C2的容量大小也会影响到电路的起动特性,C2容量越大,所储存的电荷也就越高,对V2基极提供的激励电压也就越高,三极管V2也就越容易工作在导通状态。但C2容量如果太大,其上储存的电荷太高的话,会有击穿DB3触发二极管的危险。一般在20~40W的电子镇流器中C2取值0.01~0.22μF之间,其耐压只要有63V即可应用。
起动电路只是在电子镇流器刚开始工作的瞬间起作用,待V1、V2的逆变电路进入正常的开关振荡工作状态后,则不再需要起动电路的触发电压了。这时逆变电路中只利用振荡变压器T的L2、L3两组线圈的反相位关系,使V1导通时,V2被强迫关断截止;V2导通时,V1又被强迫关断截止。若此时触发电路仍在工作,则V1在导通的过程中,V2也被触发电路同时激励导通,就会使V1、V2两只大功率三极管呈现“共态导通”现象,同时出现短路状态,整机电流急剧增高,致使三极管或其他元件被烧毁。所以“共态导通”的现象是相当危险的,应严禁此情况的发生。
为避免上述“共态导通”现象的发生,起动电路中设置了放电二极管VD5。它与V2配合,当V2导通后,V1此时呈截止状态,VD5正端电位高于负端电位,VD5导通,使积分电容C2上储存的电荷通过VD5与V2泄放掉;在V1导通V2截止期间,VD5负端电位高于正端电位,VD5截止,VD5虽不再起放电作用,但由于R1的阻值较大,C2的充电速度慢,不待C2上的电荷充到DB3的转折电压时V2已导通,V1已截止了,二极管VD5就是为专门泄放C2上的电荷而设置的。
振荡变压器是由高频铁氧体磁环及3组反馈线圈构成的。当DD3触发二极管出现于雪崩状态而导通时给三极管V2的基极输入一个正电位的触发信号时,V2导通工作。其输出电压加于L1及L4、C4、C5的串联谐振电路上,串联谐振电路得到了V2的充电作用;在L1给L4、C4、C5串联谐振电路充电的同时,它的一部分信号电压通过L1、L3的互感交连作用又反馈到V2基极输入回路的L3线圈。由于L1与L3两个线圈的相位相反,促使V2基极电位转变为负电位,V2迅速截止关闭;与此同时L1与L2线圈也通过互感交连关系,将一部分信号电压反馈给另一个三极管V1。由于L1与L2的相位相同,V1瞬时得到正电位的激励信号电压而迅速导通。
V1导通后,将V2供给串联谐振回路的振荡电压短路泄放掉,一个振荡周期完成。这意味着V2等效于串联谐振回路的一个充电电路;而V1等效于串联谐振电路的一个放电电路。充电与放电的速度是按串联谐振回路的固有频率完成的。也就是说振荡电路的振荡频率是由串联谐振电路的时间常数决定的。 在上一个周期结束时,振荡变压器的磁心已呈饱和状态,磁力线不但不再增加反而急剧减小。由于L1自感电动势的作用,使L1两端的电压相位发生翻转变化。使V2的基极输入反馈线圈L3的相位变为上正下负,V2又重新导通,进入下一个振荡周期。R1、C2、VD5、DB3组成的起动电路只是在电子镇流器接通电源的瞬间起一下起动作用。而在电子镇流器进入正常工作状态,起动电路不再起作用。
我们知道,在串联谐振电路谐振时,其电感及电容上的电压比外加电压大许多倍。电子镇流器正是利用这个原理,使C5两端相当高的高频高压电点燃荧光灯的。因为,灯管起动时的电压高低与C5和L4两个元件有较大的关系。当线圈与电容器的Q值越高时,起动电压也就越高。当电子镇流器难以起动荧光灯管时,可以将C5的容量适当减小来提高回路的Q值;但Q值太高时,会影响到荧光灯的寿命。因此,C5的容量也不可太小。在电子镇流器中C5的容量一般取0.01~0.022μF。当电感线圈L4出现漏电故障时,Q值也会随之降低,使灯管不易起辉点燃。
在开关振荡管V2关闭截止而V1导通的瞬间,电感线圈L4及电容C1上的电压叠加于一起,此时V2将承受近千伏的高压,致使V2击穿损坏;电感线圈上的高压产生是由于在电感线圈的电流突然流通又突然中断的过程中,线圈本身的自感电动势与外加电压叠加产生的,那么,我们就要设法不让电感线圈L4中的电流突然中断,而是缓慢的变化。为达到上述目的,在电路上设置电容器C3。它的作用是,当V2截止关闭时,给电感线圈L4提供了一个缓冲的泄放电流的通路;而电阻R2则构成了V1的保护电阻,使V1在截止关闭期间产生的反峰压由电阻R2泄放到C3,由C3缓冲释放到串联谐振回路;R2同时还有协助电路易于起动的作用。
钳位二极管VD6、VD7与R5、R6组成了V1、V2振荡管发射结的保护作用;R5、R6对振荡变压器T的反馈线圈L2、L3涌浪电流起到了一个缓冲的作用。当L4、L3的磁场能泄放时所产生过高的反峰电压能迅速使VD6、VD7导通,从而可避免V1、V2发射结发生反向击穿。R5、R6、VD6、VD7同时还稳定了V1、V2的直流工作点,即对V1、V2的基极偏置起到了钳位作用,使振荡源的工作更趋稳定。 在荧光灯管正常起动工作后,由于荧光灯管的内阻降低,使串联谐振回路的Q值急剧降低,使谐振回路失谐。此时C5只等效于一个高阻值电阻并联在荧光灯管两端;而电感线圈L4则只起到镇流作用。
按安装模式
(1)独立式
(2)内装式
(3)整体式
按性能特点
(1)普通型,0.6≥120%90%1.4~1.6高频化使之小型、轻、有节电功能;
(2)高功率因数型H级,≥0.9≤30%≤18%1.7~2.1采用无源滤波和异常保护;
(3)高性能电子镇流器L级,≥0.95≤20%≤10%1.4~1.7有完善的异常保护功能,电磁兼容;
(4)高性价比电子镇流器L级,≥0.97≤10%≤5%1.4~1.7集成技术和恒功率电路设计,电压波动影响照度小;
(5)可调光电子镇流器,≥0.96≤10%≤5%≤1.7采用集成技术和有源可变频率谐振技术。
电感器设计流程和见解
时间:2026-05-01
什么是触发器?触发器的作用是什么?
时间:2026-05-01
什么是电源?电源是如何进行分类的?
时间:2026-05-01
电驱动NVH的特点和结构
时间:2026-05-01
什么是霍尔传感器?
时间:2026-05-01
电负性的计算方法
时间:2026-04-30
电导的定义_电导的单位_电导怎么算
时间:2026-04-30
什么是计数器_计数器的作用
时间:2026-04-30
什么是欧姆定律_欧姆定律公式
时间:2026-04-30
RAID是什么?RAID有哪些?
时间:2026-04-30
电阻的原理和作用 电阻色环识别图 电路中电...
时间:2026-03-09
什么是室温超导?半导体时代将走向结束?芯...
时间:2026-03-09
NVIDIA CPU+GPU超级芯片大升级!
时间:2026-03-09
半导体光刻工艺 光刻—半导体电路的绘制
时间:2026-03-09
什么是硅片或者晶圆?一文了解半导体硅晶圆
时间:2026-03-09
石英灯电子变压器电路原理
时间:2026-03-06
一文详解MOS管驱动电路拓扑的设计
时间:2026-03-09
汽车芯片业应汲取的教训
时间:2026-03-09
半导体行业之ICT技术简介
时间:2026-03-09
集成电路的几纳米代表了什么?
时间:2026-03-09