
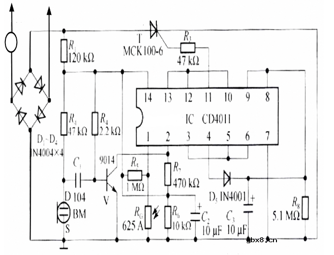
声光控延时开关节能灯线路板图


86型声光控开关套件由分立元件组成,220V墙壁开关外形,是专为大、中、小学及职业学校学生实习电子技术和与之相关的电子知识而设计的,可以控制10-40W白炽灯。焊接教程如下:
1、焊接电阻和二极管,请注意电阻的阻值与电路板上标注的电阻值对应,二极管1N4007要注意正负极
焊接前的反面照片,将元件引脚向外拜一下,以固定元件的位置,然后再焊接,焊接后减掉多余的引脚,再进行下一步焊接
2、焊接电解电容C1、C3和瓷片电容C2
3、焊接4只9014三极管和可控硅MCR100-6,这两个器件外形非常相似,焊接时请注意,不要弄错了
4、焊接驻极体话筒,驻极体话筒有极性,不能装反
5、焊接光敏二极管,长脚为正极,不能装反了,先将光敏二极管插在电路板上,电路板固定在外壳上,确定好光敏二极管的位置,然后焊接
6、取下电路板,这是焊接后的光敏二极管如下图所示
7、焊接电路板的引线
8、将金属片装入外壳中,固定好
9、将电路板安装在外壳上,用螺丝固定好
10、安装后壳,用螺丝固定,到这里86型声光控开关套件就焊接完成了
11、通电测试(需要在黑暗的环境下测试,如果想在白天实验,可以完全遮住或拆下光敏二极管),按下图接线方式接好电源插头和灯泡,接入220V交流电源,通电时灯亮数秒后熄灭,拍一下手灯亮,延时约10几秒后灯泡熄灭,再次拍手灯会再亮。。。,灯泡要用白炽灯,不能用节能灯(套件中不含电源插头、灯头、灯泡,测试时需要自备)
声控开关安装接线方法_声控开关接线实物图
时间:2026-03-13
行程开关实物接线图
时间:2026-03-13
温度开关的分类_温度开关的选型
时间:2026-03-13
温度开关作用_温度开关检测及使用
时间:2026-03-13
温控开关坏了什么症状_温控开关怎么检测好坏
时间:2026-03-13
温控开关常开常闭区别
时间:2026-03-13
震动开关原理_震动开关的使用
时间:2026-03-13
四脚轻触开关原理和封装尺寸
时间:2026-03-13
轻触开关与薄膜开关的区别
时间:2026-03-13
薄膜开关基本结构_薄膜开关技术参数
时间:2026-03-13
电阻的标称阻值和允许偏差
时间:2026-03-05
玻璃釉电容器的结构与特点
时间:2026-03-05
关于STM32WL LSE 添加反馈电阻后无法起振的...
时间:2026-03-05
可调电阻怎么接线
时间:2026-03-05
压敏电阻有正负极吗
时间:2026-03-05
碳膜电阻如何识别_金属膜电阻器和碳膜电阻器...
时间:2026-03-05
变压器并列运行的条件浅析
时间:2026-03-06
电容器入门教程
时间:2026-03-05
电容的作用和工作原理 电容具有什么特点 简...
时间:2026-03-05
贴片电阻的阻值识别方法
时间:2026-03-05