声光控制延时开关主要由声控开关、光控开关、延时电路几部分组成。声控是通过柱极体话筒采集声音,并产生脉冲信号。光控电路则是由光敏电阻控制,光敏电阻在有光和无光状态下电阻阻值差距很大,能产生高低电平及通过逻辑器件控制电路。延时电路则是由电阻和电容组成的充放电电路组成,通过电容的充放电来实现的。最常用的延时电路是555,靠外接电容和电阻来控制时间,计算容易,缺点是延时时间不能很精确。
声光控制指通过利用声音以及光线的变化来控制电路实现特定功能的一种电子学控制方法。声光控制延时节电电路包括声控,光控传感元件,放大器和由555构成的单稳态延时电路及降压整流电路。 它是一种内无接触点,在特定环境光线下采用声响效果激发拾音器进行声电转换来控制用电器的开启,并经过延时后能自动断开电源的节能电子开关。广泛用于楼道、建筑走廊、洗漱室、厕所、厂房、庭院等场所,是现代极理想的新颖绿色照明开关,并延长灯泡使用寿命。
这种声光控延时开关不仅适用于住宅区的楼道,而且也适用于工厂、办公楼、教学楼等公共场所,它具有体积小、外形美观、制作容易、工作可靠等优点,适合广大电子爱好者自制。
一、电路的工作原理
声光控延时开关的电路原理图见图所示。电路中的主要元器件是使用了数字集成电路CD4011,其内部含有4个独立的与非门D1~D4,电路结构简单,可靠性高。
顾名思义,声光控延时开关就是用声音来控制开关的“开启”,若干分钟后延时开关“自动关闭”。因此,整个电路的功能就是将声音信号处理后,变为电子开关的开关动作。明确了电路的信号流向后,即可依据主要元器件将电路划分为若干个单元,由此可画出图2所示的方框图。

结合图2来分析图1。声音信号(脚步声、掌声等)由驻极体话筒BM接收并转换成电信号,经C1耦合到D3进行电压放大,与非门D3此时是一个放大电路,放大的信号送到R3的一端,R3、构成分压电路,并接到控制门D4的脚,作为声控信号。当有声音信号时,的10脚为高电平“1”,则R3、R4的中间分压为低电平“0”,即控制门D4的脚为低电平。
为了使声光控开关在白天开关断开,即由光敏电阻RG等元件组成光控电路,R6和RG组成串联分压电路,夜晚无环境光时,光敏电阻的阻值很大,两端的电压高,则与非门D1的1脚为高电平“1”,通过与非门D1则为低电平“0”。再通过二极管D1输入到控制门的13脚,也为低电平“0”。使声光控电路工作具备了光控条件。白天较强的环境使RG的阻值很小。RG两端的电压几乎为0,即为低电平“0”。则与非门的1脚为低电平?0’,使声光控电路不具备光控条件,电子开关处于断开状态。
当夜晚,同时又有外界声音信号时,控制门(与非门)D4的输入端,有一端为低电平“0”,输出为高电平“1,。使单向可控硅导通,电子开关闭合;同时给C3充电,C3和R5构成延时电路,延时时间,改变R5或C3的值,可改变延时时间,满足不同的延时要求,C3充满电后只向R5放电,当放电到一定电平时,与非门D2的输入端5、6脚为低电平,输出为高电平,与非门的12脚为高电平“1”,同时没有声音信号时与非门的13脚也为高电平“1”,与非门D4的两个输入端为高电平,则它的输出为低电平?0’,使单向可控硅截止。电子开关断开,完成一次完整的电子开关由开到关的过程。
二极管VD1~VD4将交流进行桥式整流。变成脉动直流电,又经降压,C4滤波后即为电路的直流电源。为BM、IC等供电。
二、元器件的选择
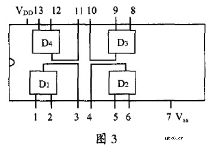
选用CMOS数字集成电路,CD4011有四个独立的与非门电路,内部功能见图3,Vss是电源的负极。VDD是电源的正极。可控硅T选用/4OOV的进口单向可控硅1006型,如负载电流大可选用3A、6A、1OA等规格的单向可控硅,它的测量方法是:用档。将红表笔接可控硅的负极,黑表笔接正极,这时表针无读数,然后用黑表笔触一下控制极K,这时表有读数,黑表笔马上离开这时表仍有读数(注意触控制极时正负表笔是始终连接的)说明该可控硅是完好的。驻极体选用的是一般收录机用的小话筒。它的测量方法是:用档将红表笔接外壳的S、黑表笔接D,这时用口对着驻极体吹气,若表针有摆动说明该驻极体完好。摆动越大灵敏度越高;光敏电阻选用的是625A型,有光照射时电阻为20K以下,无光时电阻值大于1OOM0,说明该元件是完好的。二极管采用普通的整流二极管~1N4007。总之,元件的选择可灵活掌握,参数可在一定范围内选用。其它元件按图1所示的标注即可。



三、安装制作
对照元件清单买到电子元器件后,首先对照材料清单将各材料认真清点一遍,并用万用表粗略地(因出厂前已测量过测量一下各元件。做到心中有数。
焊接时注意先焊接无极性的阻容元件。电阻采用卧装,电容采用直立装,紧贴电路板。焊接有极性的元件如电解电容、话筒、整流二极管、三极管、单向可控硅等元件时千万不要装反,注意极性的正确,否则电路不能正常工作甚至烧毁元器件。
四、调试
调试前。先将焊好的电路板对照电路图认真核对一遍,不要有错焊、漏焊、短路等现象发生。通电后,人体不允许接触电路板的任一部分,防止触电,注意安全。如用万用表检测时。将万需表两表笔接触电路板相应处即可。
本电路调试时请先将光敏电阻的光挡住。将AB分别接在电灯的开关位上,用手轻拍驻极体。这时灯应亮,若用光照射光敏电阻,再用手重拍驻极体,这时灯不亮。说明光敏电阻完好,这时表示制作成功。若不成功请仔细检查有无虚假错焊和拖锡短路现象
声控开关安装接线方法_声控开关接线实物图
时间:2026-03-13
行程开关实物接线图
时间:2026-03-13
温度开关的分类_温度开关的选型
时间:2026-03-13
温度开关作用_温度开关检测及使用
时间:2026-03-13
温控开关坏了什么症状_温控开关怎么检测好坏
时间:2026-03-13
温控开关常开常闭区别
时间:2026-03-13
震动开关原理_震动开关的使用
时间:2026-03-13
四脚轻触开关原理和封装尺寸
时间:2026-03-13
轻触开关与薄膜开关的区别
时间:2026-03-13
薄膜开关基本结构_薄膜开关技术参数
时间:2026-03-13
电阻的标称阻值和允许偏差
时间:2026-03-05
玻璃釉电容器的结构与特点
时间:2026-03-05
变压器并列运行的条件浅析
时间:2026-03-06
关于STM32WL LSE 添加反馈电阻后无法起振的...
时间:2026-03-05
可调电阻怎么接线
时间:2026-03-05
压敏电阻有正负极吗
时间:2026-03-05
碳膜电阻如何识别_金属膜电阻器和碳膜电阻器...
时间:2026-03-05
电容器入门教程
时间:2026-03-05
科普:电子入门基础知识之各种电容器的识别
时间:2026-03-05
电容的作用和工作原理 电容具有什么特点 简...
时间:2026-03-05