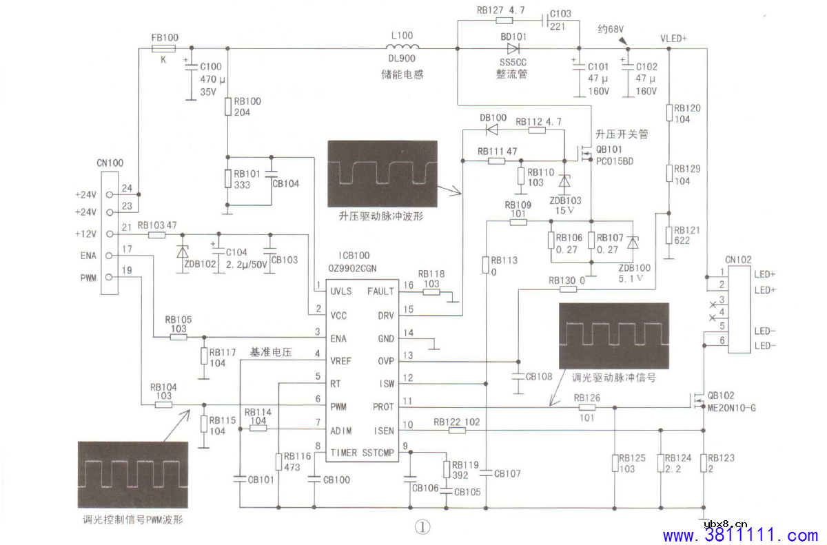
创维168P-P32DWM-40恒流板电路分析与维修 创维168P-P32DWM-40恒流板是一块独立的LED背光驱动电路板,主要应用于创维32E360E、32E361W、32E360EY等型LED液晶彩电中。 一、电路分析 创维168P-P32DWM-40恒流板采用。Z9902CGN方案,为LED背光灯提供68V左右的工作电压,其电路如图1所示。该电路由三部分组成,一是以OZ9902CGN(ICB100)为核心组成的升压和恒流控制电路,二是以储能电感L100、开关管QB10l、整流管BD10l、滤波电容C101//C102为核心组成的升压电路,将+24V电压提升为LED供电所需直流电压,为LED背光灯串正极供电;三是以开关管QB102为核心组成的LED灯串电流控制电路,对流过LED背光灯串的电流进行控制,达到调整背光灯亮度和稳定背光灯串电流的目的。
1.0Z9902CGN简介 OZ9902有两种封装:一种是24sl脚封装,型号为OZ9902A、OZ9902GN,这些IC为双通道LED灯电流控制块;另一种是16引脚封装,型号为OZ9902CGN,此IC为单通道LED灯电流控制块。创维168P-P32DWM-40恒流板采用的是第二种,该芯片内含振荡器、升压驱动、背光灯电流控制、保护电路。功能特性是:可设计恒流驱动和恒压驱动模式,可实现0~100%的PWM调光控制,支持模拟线性调光模式;升压频率稳定(该频率可设置),具有功率MOS管过流、输出对地短路、灯条短路、输出过载、过流等保护功能。 OZ9902CGN的引脚功能和实测数据见表1。
2.启动工作 电源板输出的+24V、+12V电压先送到主板,再由主板经插座CN100送达恒流板。其中,+24V经熔断器FBI00后为升压电路供电,+12V经RB103限流后为ICB100②脚供电。二次开机后,主板送来高电平的背光开/关控制信号ENA,经RB105送至ICB100的使能端③脚,ICB100启动工作,内部振荡电路启动,其振荡频率由⑤脚 (RT)外接电阻RB116设定。ICBI00的15脚输出用于升压开关脉冲,11脚输出调光驱动脉冲。 3.升压电路 ICBI00⑩脚输出的升压脉冲驱动QB101工作于开关状态。当QBI0l导通肘,+24V电压经储能电感L100、QB101的D、S极及RB106//RB107到地形成回路,由于L100两端电流不能突变的特性,L100储能。当QB101截止时,L100的感应电压与+24V电压叠加,经续流二极管BDI0l后,由电容C101和C102滤波形成约68V的电压,向LED背光灯串供电。 4.恒流控制电路 当ICB100在PWM信号的控制下,从11脚输出调光驱动脉冲时,恒流控制管QBI02工作于开/关状态。屏内LED灯串负端(LED-)通过CNI02⑤、⑥脚接QBI02的D极。LED灯串电流在RB123//RB124上形成的压降经RB122反馈到ICBI00⑩脚,ICBI00根据⑩脚反馈信号调整11脚输出的脉冲宽度,以达到恒流控制的目的。 灯条电流Iled由⑦脚电压(VADIM)和灯电流检测电阻Risen(即RB123//RB124并联的等效电阻,单位用Ω)设置。当⑦脚电压小于0.5V时,Iled(mA)=100/Risen;当⑦脚电压大于1.5V时,Iled(mA)=300/Risen;当⑦脚电压大于0.5V而小于1.5V时,ILED(mA)=Vadim/(5RrsEN)。 5.亮度调整电路 ICB100既支持PWMì.周光控制,也支持模拟线性调光。该恒流板采用的是PWM调光控制,开机后主板控制系统输出PWM脉冲调光信号,通过CN100⑩脚输到恒流板,经阻104与阳115分压后送给ICB100⑥脚。PWM信号与⑩脚反馈的灯电流检测信号进行比较,从⑩脚输出驱动脉冲加到QB102的栅极,由QB102调整LED灯条的电流,实现背光亮度调整。⑦脚(ADIM)是模拟调光控制电压输入端,通常不用此路作背光亮度调整,为保证IC正常,该脚通过RB104接基准电压VREF(5V)。 6.保护电路 (1)输入欠压保护 ICB100①脚(UVLS)为供电检测输入端,外接24V1共电分压检测取样电阻RB100和RB101,内含欠压保护检测电路。当输入的24V降到21V,使该脚电压低于3V肘,屹立即进入锁死保护状态,停止输出驱动脉冲,防止因输入电压过低而损坏电路;当该脚电压高于3V时,IC重新启动土作。 (2)输出过压保护 ICB100⑩脚(OVP)为过压、短路保护检测输入端,升压电容两端的输出电压经RB120、RB129与RB121分压取样后送到该脚。当升压电路输出电压过高,⑩脚电压超过3V肘,IC内部电路开始对⑧脚(TIMER)充电,待CB100两端电压大于3V,且⑩脚电压依然高于3V时,IC关断锁死。只有故障消除后,重新启动IC,系统才能恢复正常工作。 (3)输出对地短路保护 当ICB100⑩脚(OVp)电压低于0.2V时,IC内部电路通过⑧脚对CB100充电,后续控制过程与"输出过压保护"相同。 (4)升压开关管过流保护 ICB100⑩脚(ISW)为升压MOS营电流检测输入端。QB101的S极电阻RB106、阳107并联,为过流取样电阻,其上端取样电压通过R109送到⑩脚。当QB101电流过大,反馈到⑩脚的电压达到0.5V时,芯片立即关断⑩脚升压驱动信号的输出,直到下一个工作周期开始,才重新输出驱动信号,并再次检测,从而实现升压开关管过流保护。 (5)LED灯串过流保护 ICB100⑩脚(ISEN)为灯士作电流检测端,内置比较器,⑩脚输入电压与基准电压进行比较,产生的误差信号控制⑩脚输出脉冲。比较器基准电压(ADJ)设定与⑦脚电压有关:若⑦脚电压低于0.5V,ADJ固定为O.lV;若⑦脚电压大于1.5V,A.DJ电压固定为0.3V。另外,⑩脚输入电压与基准电压比较结果也能限制止丁串的最大电流。 在创维168P-P32DWM-40恒流板中,⑩脚内比较器基准电压设定为0:3V(因为⑦脚电压超过1.5V)。若某只灯珠或多只灯珠击穿,通过灯串的电流上升,此时ICB100⑩脚电压升高,当⑩脚电压超过0.3V,且持续200ns时,过流保护启动。 (6)电流反馈对地短路保护 当⑩脚对地短路时,IC内部电路通过⑧脚对CB100充电,当⑧脚升至3V时,如果故障仍未消除,则IC进入关断锁死保护状态。 当升压电路的输出电压过低,无法点亮LED灯时,⑩脚电压为OV,同样会进入到保护状态。 二、故障维修 168P-P32DWM-40恒流板不仅有LED背光驱动电路,同时还有AV音、视频输入接口和USB接口,即主板与恒流板之间有多条信号传输线。在维修背光异常故障时,连接+24V、+12V、GND、ENA、PWM这五条线即可。 |
相关热词:#液晶维修
电场激活原位掺杂平面光伏型胶体量子点红外...
时间:2026-03-09
什么是硅片或者晶圆?一文了解半导体硅晶圆
时间:2026-03-09
集成电路的几纳米代表了什么?
时间:2026-03-09
金刚石基GaN问世 化合物半导体行业进入第三...
时间:2026-03-09
实用模拟电路小常识浅析
时间:2026-03-09
寄存器是什么?怎么操作寄存器点亮LED灯?
时间:2026-03-09
一文详解MOS管驱动电路拓扑的设计
时间:2026-03-09
汽车芯片业应汲取的教训
时间:2026-03-09
半导体光刻工艺 光刻—半导体电路的绘制
时间:2026-03-09
电阻的原理和作用 电阻色环识别图 电路中电...
时间:2026-03-09
豆浆机更换电机全过程
时间:2026-03-09
电信 IPTV 常见故障排除方法与检修实例 (三...
时间:2026-03-08
三相电的相序 怎样才能分辨ABC
时间:2026-03-09
《洗衣机维修从入门到精通》电子书PPT之三
时间:2026-03-09
电气电工专业就业前景,如果再给你一次机会...
时间:2026-03-09
电工师傅你知道变送器标准信号是多少吗?百...
时间:2026-03-09
TCL王牌 LE50D8810型液晶电视图像抖动故障应...
时间:2026-03-09
TCL L39E5090-3D型液晶电视自动关机故障检修...
时间:2026-03-09
长虹55Q2R型液晶电视,上电后指示灯亮,二次...
时间:2026-03-09
MT23机芯特别之处
时间:2026-03-09