三极管的基本结构

1
硅管与锗管的区分方法
①看型号: 9011/9013/9014/9016/9018/8050是硅管NPN型
9012/9015/8550是锗管PNP型

②让该管工作在 放大状态 ,测Ube电压(基极与发射极的电压),如果 电压Ube=0.2~0.3V (欧姆档指针偏转了4/5)则是锗管,如果 Ube=0.6~0.7V (欧姆档指针偏转了1/2--3/5)则是硅管。
2
TTL与CMOS的区分方法
三极管从结构上分为 双极型晶体管 (BJT、电流控制)与 场效应型三极管 (FET,电压控制器件)。
不加特殊说明,电路里通常指 前者 (电流控制)。而后者如MOS管(电压控制),可类比NPN理解,它也有三个级:源极S(发射极)、漏极D(集电极)、栅极G(基级)。
区别TTL和CMOS:
由晶体管构成的集成电路为TTL:电源电压5V,多余的输入端可悬空;
由MOS管构成的集成电路为CMOS:电源电压3V~8V,多余的输入端不可悬空。
三极管的截止、放大与饱和
1
NPN型类比理解
我们先以NPN硅管为例,为了便于理解,可以类比下面的水管:

水源 (Vcc)从上面(集电极)奔流而来(Ic),中间有一个 水阀 (基级),靠 小水流 (Ib)掀动阀门使水流流到下面(发射极)的水管(Ie)。
①截止状态
从电流角度: Ib太小 (Ib≈0) ,顶不动阀门,阀门的关闭导致水被困在上面的水管中不能流动 **(Ic=0;Ie=0)** 。
从电压角度: φb太小导致Ube达不到发射结开启电压 (Ube<0.5V) ; φc=Vcc (上面连接水源,当然有水); **φe=φ地=0** (下面没水)。因此 **Uce=φc-φb=Vcc** 。
注:此时集电极反偏,发射极反偏。(可以这样理解, φp>φn就是正偏,否则反偏 )
②放大状态
从电流角度: Ib增大 ,顶开阀门,水会从上面Ic通过打开的阀门流下,和小电流Ib汇入到下管(发射极), Ie=Ic+Ib。 这样就实现小电流(Ib)控制大电流(Ic)的功能,故名“放大”,放大倍数为 β ,即Ic=β Ib。所以:Ie>Ic>Ib。
从电压角度: φb升高→Ube增大(从0.6V到0.7V),因此 φc>φb>φe 。此时 Uce≈1/2Vcc 。
注:此时集电极反偏,发射极正偏。
③饱和状态
从电流角度: Ib继续增大 ,阀门开到最大,由于管径的限制,水流趋向于恒定,即Ic会继续增大到 Vcc/Rc (串联在集电极的电阻)之后恒定不变。此时,Ic不会再受Ib的控制,Ib的增大已无法影响Ic。
从电压角度: φb升高到使Ube=0.7V时,三极管相当于导线,使得 Uce=0 。此时,可理解为开关的闭合。因此φb>φe,φb>φc。
注:此时集电极正偏,发射极反偏。
2
PNP型类比理解
再以PNP为例,为了便于理解,可以类比下面的水管:

与NPN不同 ,PNP型三极管是从发射极e流入,从基级b和集电极c流出。
①截止状态
从电流角度: 阀门Ib太小( Ib≈0 )打不开阀门,从而造成水被堵在发射极下不来( **Ie=0,Ic=0** )
从电压角度: φb太大 接近Vcc ,导致Ueb达不到发射结开启电压( Ueb=φe-φb<0.5V ); φe=Vcc (上面连接水源,当然有水); **φc=φ地=0** (下面没水)。因此 **Uec=φe-φc=Vcc** 。
注:此时集电极反偏,发射极反偏。
②放大状态
从电流角度: Ib增大 ,顶开阀门,水会从上面Ie通过打开的阀门流下,分流为小电流Ib和集电极电流Ic,即 Ie=Ib+Ic 。这样就实现基级(Ib)控制集电极(Ic)的功能,故名“放大”,放大倍数为β,即 Ic=β Ib。所以: Ie>Ic>Ib 。
从电压角度: φb降低→ Ueb升高 (从0.6V到0.7V),因此 φe>φb>φc 。此时 Uce≈1/3Vcc~2/3Vcc 。
注:此时集电极反偏,发射极正偏。
③饱和状态
从电流角度: Ib继续增大 ,阀门开到最大,由于管径的限制,水流趋向于恒定,即Ic会继续增大到 Vcc/Rc (串联在集电极的电阻)之后恒定不变。此时,Ic不会再受Ib的控制,Ib的增大已无法影响Ic。
从电压角度: φb降低到使Ueb达到0.7V时,三极管相当于导线,使得 Uec=0 。此时,可理解为开关的闭合。因此φb<φe,φb<φc。
注:此时集电极正偏,发射极反偏。
3
归纳总结
结合上述可得:



4
例题分析
例1: 在电路中测得硅材料三极管的三个电极的电位如下图所示,处于饱和状态的有:

分析: 对于NPN的饱和状态,有φb>φe,φb>φ c,Ube=0.7V ,故选D;
对于PNP的饱和状态,有 φb<φe,φb<φc,Ueb=0.7V ,故选B。
例2: 下列各三极管的管型、电流方向及大小均正确的是:

分析: NPN为 2入1出 (集电极、基级入,发射极出),排除A;
PNP为 1入2出 (发射极入,集电极、基级出),排除D;

又三极管的管脚排布依次为 ebc (倒过来cbe),中间永远是基级b;
对于NPN来说,C项中间脚是基级b,应该是入的,排除C;
故选B。
例3: 如图所示是小明在电子控制技术实践课上搭建的电路,经测量V1的Ube=0.7V,Uce=3V。下列关于V1工作状态的判断中,正确的是( )

A.饱和状态
B.放大状态
C.截止状态
D.条件不足,无法判断
思路一: Ube=0.7V,Uce=3V,由于NPN型发射极e接地,即 **φe=0** ,故而φb=0.7V,φc=3V。由**φc>φb>φe**可知其为放大状态。
思路二: 已知Ube=0.7V,Uce=3V,从而Uce≈1/2Vcc,Ube∈[0.6V,0.7V],可知其为放大状态。
故选B。
例4:


分析: A、设电阻R1左端电位为φa,右端电位为φb(即V1基级电位);因为V1是PNP型三极管,基级应该是“出”(即 电位从φb到φa经过电阻R1形成电压降 )。因此当R1阻值变大,导致自右到左的电压降变大, 定左 ,则右端φb应当增大。故V1高电位更易截止,电热器不发热。
BC、继电器不能正常工作,电热器不发热。
D、V2起保护三极管V1的作用(防止继电器反向自感电动势对三极管集电极的冲击),而与电路控制功能无关,故选D。
例5: 小明在测试电路时,发现R4的阻值不符合电路要求,导致J2始终都不能吸合,合理的调整措施是 ▲ (在A..增大R4;B.减小R4中选择合适的选项,将序号填入“ ▲ ”处)

分析: 此题常见错误选A,误认为电流从R4左端流向右端,自左向右形成电压降,增大R4可使R4消耗更多电势,从而使V2基级电位降低。
事实上,由V2是PNP型三极管可知, 基级应该是“出” ,即R4自右向左形成电压降(此时应 定左 )。故为了让R4的右端电势(即V2基级电位)降低,应当减小R4的分压,选B。
三、多用电表测三极管
首先要明确,应该使用电表的欧姆档测电阻,根据 “红进黑出” 原则(“进、出”是从****电表的角度而言),又因电源在电表内部,得知此时黑表笔却是高电位,红表笔为低电位。
1
判断好坏
基本思想: 对于NPN型,有 ①从中间的P到两边的N(P→N)是否都是正偏;②从两边的N到中间的P(N→P)是否都是反偏。
若①②都满足则是好的NPN型;
若①不满足、②满足则是断路问题;
若①满足、②不满足则是短路问题。
具体操作: ①欧姆档R×100或×1k,黑表笔(高电位)接中间基级b,红表笔(低电位)接另外两极,是否 阻值都很小 (指针偏转角度大);
②红表笔(低电位)接中间基级b,黑表笔(高电位)接另外两极, 是否阻值都很大 (指针偏转角度小)。
PS:各位可以思考一下PNP型的检验方法~
2
确定基级
基本思想: 由于三极管(NPN或PNP)的集电极和发射极之间必有一段是 由N到P的(即反偏) ,其本质就是经多次验证,若某次正接反接都是反偏,则剩下的就是基级。
具体操作: 欧姆档R×100,红黑表笔多次正反测量任意两个管脚,若某次测得 阻值都很大 ,则剩下的那只脚为基级b。
3
确定类型
基本思想: 对于 NPN型 ,从中间的P到两边的N (P→N) 都是 正偏 ;否则为PNP。
具体操作: 欧姆档R×100或×1k,黑表笔(高电位)接中间基级b,红表笔(低电位)接另外两极,若 阻值都很小 (指针偏转角度大), 即为NPN ;若阻值都很大即为PNP。
思考:若测得阻值一大一小,有哪些可能?
4
例题分析
例6: 判断D项是否正确:

分析: 9013是NPN型硅管,从集电极c到发射极e必定是 ①从 N (集电极c)经 P (基级b) ② P (基级b)再到 N (发射极e)的过程。图中给定的是第①个过程—— 反偏 (电阻大),这不足以说明三极管是好的,当然更无法说明它是坏的。
例7: 用R×1k挡测电子元器件,仅测一次,下列结果能证明电子元器件已损坏的是:

分析: A、发光二极管 长脚为正 ,却接到了电表的红表笔(欧姆档状态下是 低电位 ),二极管反偏截止,电阻很大,即指针几乎不偏转,与题图吻合,说明它是好的;排除A。
B、黑表笔(高电位)进入基级,红表笔(低电位)出,由题图知测得阻值很大, 其为反偏 。若此三极管为NPN,则可判断其断路;若为PNP,则红表笔还需要检测另一个P脚才可下结论;而图中未告知三极管类型,无法判断,排除B。
C、电位器(电阻)阻值不可能小到0,由题图可知,此电阻内部断路,已损坏,故选C。
D、图中未告知干簧管状态,无法确定,排除D。
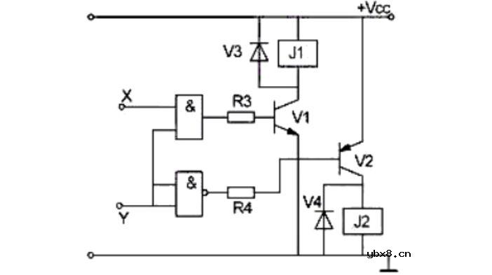
复合管在门电路中的应用
1
处理方式:等效法

注意:复合管放大倍数β=β1×β2。
2
例题分析
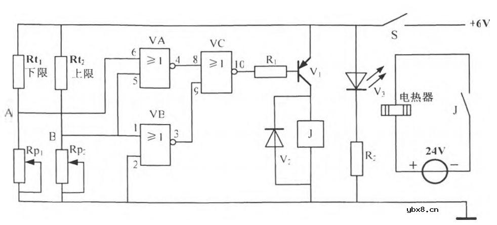
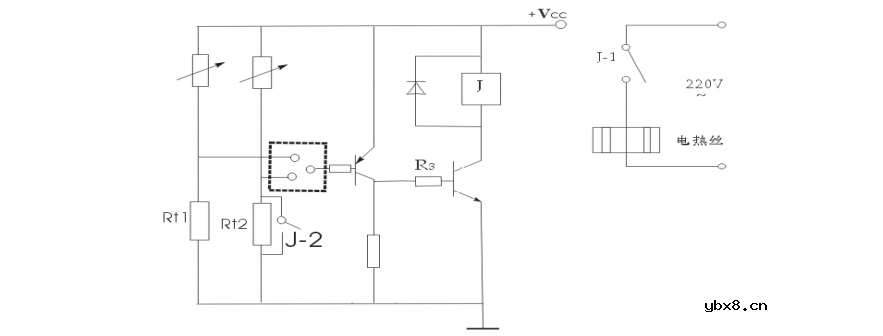
例8: 当水缸内的热敏电阻(正温度系数)检测出水温 低于下限设定温度时,加热丝加热 ;当热敏电阻检测出水温 高于上限设定温度时,停止加热。 则虚框中应是什么逻辑门?

分析: 假设Rt1是下限温控电阻 ,则Rt2是上限温控电阻。当温度在设定范围内升高时,电热丝是加热的,即 J1J2均闭合 ,Rt2处于短路状态;这样当温度超过上限时,Rt2无法起作用,因此假设错误。
所以 Rt1应是上限温控电阻,Rt2是下限温控电阻 。当温度在设定范围内升高时,电热丝是加热的,即J1J2均闭合,Rt2处于短路状态(无所谓);超过上限,上限温控电阻 Rt1变大 ,导致Rt1上端电位升高,记为 1 。
把复合管看成 1个PNP三极管 ,要使电热丝不加热(继电器不吸合,三极管截止),该等效三极管的基级应当是 高电位 1 ;
又因为Rt2一直被短路,故记Rt上端电势为 0 。而0,1要出1的话,只能是或门、与非门。
当温度降到下限温度以下时(此时 J1J2均断开 ),Rt1、Rt2上端都是0,因此此时需要电热器加热(继电器吸合、三极管导通),对于等效PNP三极管来说,基级必须为低电位 0才能导通。而0,0要出0的话,不可能是与非门。
故只能填 或门 。
电场激活原位掺杂平面光伏型胶体量子点红外...
时间:2026-03-09
什么是硅片或者晶圆?一文了解半导体硅晶圆
时间:2026-03-09
集成电路的几纳米代表了什么?
时间:2026-03-09
金刚石基GaN问世 化合物半导体行业进入第三...
时间:2026-03-09
实用模拟电路小常识浅析
时间:2026-03-09
寄存器是什么?怎么操作寄存器点亮LED灯?
时间:2026-03-09
一文详解MOS管驱动电路拓扑的设计
时间:2026-03-09
汽车芯片业应汲取的教训
时间:2026-03-09
半导体光刻工艺 光刻—半导体电路的绘制
时间:2026-03-09
电阻的原理和作用 电阻色环识别图 电路中电...
时间:2026-03-09
石英灯电子变压器电路原理
时间:2026-03-06
住宅小区负荷与变压器容量的选择技巧
时间:2026-03-06
变压器的常用型号如何标识?变压器的有载如...
时间:2026-03-06
使用过滤器电容器和诱导器来抑制受辐射的EM...
时间:2026-03-05
LED固晶机龙头直面“寒冬”
时间:2026-03-05
玻璃釉电容器的结构与特点
时间:2026-03-05
电容器入门教程
时间:2026-03-05
分析一个工作中常用的带有放大功能的高精度...
时间:2026-03-05
关于STM32WL LSE 添加反馈电阻后无法起振的...
时间:2026-03-05
绝缘电阻表的选用及使用注意事项
时间:2026-03-05