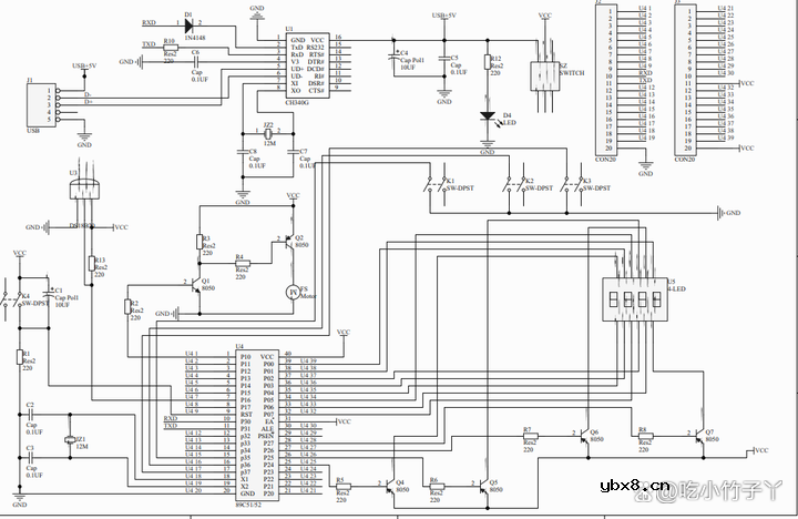
设计要求:
1.本设计基于STC89C51/52(与AT89S51/52、AT89C51/52通用,可任选)单片机
2.采用DS18B20温度传感器测温(0-99.9°C),三极管驱动数码管显示温度和风扇的档位。
3.共3个按键:设置、加、减。按一下设置可以设置上限,再按下设置下限,均可以按键加减调整。
4.利用PWM调速,当温度低于下限时,风扇不转动,当温度处于上、下限之间时1档转动(50%的转速),当温度超过上限时,全速转动。
使用说明: 一共3个按键:设置、加、减 按下设置键的时候才可以加减。 按一下设置键,是设置温度的上限,再按下设置键,是设置温度的下限,再按下设置键是退出并保存。
部分程序:
#include
#include //包含头文件
#define uchar unsigned char
#define uint unsigned int //宏定义
#include "eeprom52.h"
////////////////////
sbit dj=P1^0;//电机控制端接口
sbit DQ=P1^6;//温度传感器接口
//////////按键接口/////////////////////////////////
sbit key1=P3^5;//设置温度
sbit key2=P3^6;//温度加
sbit key3=P3^7;//温度减
//////////////////////////////////////////////////////
sbit w1=P2^4;
sbit w2=P2^5;
sbit w3=P2^6;
sbit w4=P2^7; //数码管的四个位
/////共阴数码管段选//////////////////////////////////////////////
uchar table[22]=
{0x3F,0x06,0x5B,0x4F,0x66,
0x6D,0x7D,0x07,0x7F,0x6F,
0x77,0x7C,0x39,0x5E,0x79,0x71,
0x40,0x38,0x76,0x00,0xff,0x37};//'-',L,H,灭,全亮,n 16-21
uint wen_du; //温度变量
uint shang,xia; //对比温度暂存变量
uchar dang;//档位显示
uchar flag;
uchar d1,d2,d3;//显示数据暂存变量
uchar m;
uchar js;
/ 把数据保存到单片机内部eeprom中 /
void write_eeprom()
{
SectorErase(0x2000); //清除扇区
byte_write(0x2000, shang); //写上限数值到扇区
byte_write(0x2001, xia); //写下限数值到扇区
byte_write(0x2060, a_a); //写初始变量到扇区指定位置
}
/* 把数据从单片机内部eeprom中读出来 /
void read_eeprom()
{
shang = byte_read(0x2000); //从扇区读取上限数据
xia = byte_read(0x2001); //从扇区读取下限数据
a_a = byte_read(0x2060); //从扇区读取初始变量
}
/ 开机自检eeprom初始化 ***/
void init_eeprom()
{
read_eeprom(); //先读扇区的数据
if(a_a != 1) //判断是否是新单片机(原理:新的单片机扇区里的数据都是0,这里判断是否不等于1。如果是不等于1,就是等于0,那就是新单片机了,就会执行下面的上下限值初始化数值的语句,并让a_a变成1,下次开机就会知道是用过的单片机了就会读取EEPROM里的上下限数据了)
{
shang = 30; //上限数值初始为30
xia = 20; //下限数值初始为20
a_a = 1; //初始值变量赋值1,下次开机就会直接读取EEPROM内的上下限数据
write_eeprom(); //将初始的数据保存进单片机的EEPROM
}
}
void delay(uint ms) //延时函数,大约延时1ms
{
uchar x;
for(ms;ms>0;ms--)
for(x=121;x>0;x--);
}
/***********ds18b20延迟子函数(晶振12MHz )*******/
void delay_18B20(uint i)
{
while(i--);
}
/ ds18b20初始化函数 ************/
void Init_DS18B20()
{
uchar x=0;
DQ=1; //DQ复位
delay_18B20(8); //稍做延时
DQ=0; //单片机将DQ拉低
delay_18B20(80); //精确延时 大于 480us
DQ=1; //拉高总线
delay_18B20(14);
x=DQ; //稍做延时后 如果x=0则初始化成功 x=1则初始化失败
delay_18B20(20);
}
/ ds18b20读一个字节 ***/
uchar ReadOneChar()
{
uchar i=0;
uchar dat=0;
for (i=8;i>0;i--)
{
DQ=0; // 给脉冲信号
dat>>=1;
DQ=1; // 给脉冲信号
if(DQ)
dat|=0x80;
delay_18B20(4);
}
return(dat);
}
/ ds18b20写一个字节 ***/
void WriteOneChar(uchar dat)
{
uchar i=0;
for (i=8;i>0;i--)
{
DQ=0;
DQ=dat&0x01;
delay_18B20(5);
DQ=1;
dat>>=1;
}
}
/** 读取ds18b20当前温度 /
void ReadTemperature()
{
uchar a=0;
uchar b=0;
uchar t=0;
Init_DS18B20();
WriteOneChar(0xCC); // 跳过读序号列号的操作
WriteOneChar(0x44); // 启动温度转换
delay_18B20(100); // this message is wery important
Init_DS18B20();
WriteOneChar(0xCC); //跳过读序号列号的操作
WriteOneChar(0xBE); //读取温度寄存器等(共可读9个寄存器) 前两个就是温度
delay_18B20(100);
a=ReadOneChar(); //读取温度值低位
b=ReadOneChar(); //读取温度值高位
wen_du=((b*256+a)>>4); //当前采集温度值除16得实际温度值
}
void zi_keyscan()//自动模式按键扫描函数
{
if(key1==0) //设置键按下
{
delay(80); //延时去抖
if(key1==0)
{
flag=1; //再次判断按键,按下的话进入设置状态
while(key1==0);//松手检测 //按键释放
}
}
while(flag==1) //进入设置上限状态
{
d1=18;d2=shang/10;d3=shang%10; //显示字母H 和上限温度值


基于TVOS-H系统的存量机顶盒升级方案设计与...
时间:2026-03-09
MT3151A05-5-XC-5一体化逻辑板电路分析与维...
时间:2026-03-09
是否升级?读完再决定:微软公开Win10版本2...
时间:2026-03-09
长虹ZLH66G-iT机芯液晶彩电主板维修图解
时间:2026-03-09
中9户户通卫星接收机小锅子T02故障维修方法...
时间:2026-03-09
长虹UD49C6000ID液晶电视机三无,含指示灯不...
时间:2026-03-09
长虹UD58C3000ID液晶电视机三无的维修
时间:2026-03-09
长虹UD50C6000ID液晶电视机,上电后指示灯亮...
时间:2026-03-09
长虹UD55C6080ID液晶电视机接通电源三无故障...
时间:2026-03-09
长虹UD49C6000I液晶电视机“无线设置”灰色...
时间:2026-03-09
使用过滤器电容器和诱导器来抑制受辐射的EM...
时间:2026-03-05
LED固晶机龙头直面“寒冬”
时间:2026-03-05
玻璃釉电容器的结构与特点
时间:2026-03-05
电容器入门教程
时间:2026-03-05
分析一个工作中常用的带有放大功能的高精度...
时间:2026-03-05
关于STM32WL LSE 添加反馈电阻后无法起振的...
时间:2026-03-05
压敏电阻爆裂的原因分析
时间:2026-03-05
暑期买元器件下单立减还送华为P30pro
时间:2026-03-05
电阻的标称阻值和允许偏差
时间:2026-03-05
石英灯电子变压器电路原理
时间:2026-03-06