实用的电容降压电路
将交流市电转换为低压直流的常规方法是采用变压器降压后再整流滤波,当受体积和成本等因素的限制时,最简单实用的方法就是采用电容降压式电源。
采用电容降压时应注意以下几点:
1 根据负载的电流大小和交流电的工作频率选取适当的电容,而不是依据负载的电压和功率。
2 限流电容必须采用无极性电容,绝对不能采用电解电容,而且电容的耐压须在400V以上,最理想的电容为铁壳油浸电容。
3 电容降压不能用于大功率条件,因为不安全。
4 电容降压不适合动态负载条件。
5 同样,电容降压不适合容性和感性负载。
6 当需要直流工作时,尽量采用半波整流,不建议采用桥式整流,而且要满足恒定负载的条件。

这一类的电路通常用于低成本取得非隔离的小电流电源。它的输出电压通常可在几伏到三几十伏,取决于所使用的齐纳稳压管。所能提供的电流大小正比于限流电容容量。采用半波整流时,每微法电容可得到电流(平均值)为:(国际标准单位)
I(AV)=0.44×V/Zc=0.44×220×2×Pi×f×C =0.44×220×2×3.14×50×C=30000C =30000×0.000001=0.03A=30mA
如果采用全波整流可得到双倍的电流(平均值)为:
I(AV)=0.89×V/Zc=0.89×220×2×Pi×f×C =0.89×220×2×3.14×50×C=60000C =60000×0.000001=0.06A=60mA
一般地,此类电路全波整流虽电流稍大,但是因为浮地,稳定性和安全性要比半波整流型更差,所以用的更少。
使用这种电路时,需要注意以下事项:
1、未和220V交流高压隔离,请注意安全,严防触电!
2、限流电容须接于火线,耐压要足够大(大于400V),并加串防浪涌冲击兼保险电阻和并放电电阻。
3、注意齐纳管功耗,严禁齐纳管断开运行。

最简单的电容降压直流供电电路及其等效电路如图所示,C1为降压电容,一般为0.33~3.3uF。假设C1=2uF,其容抗XCL=1/(2PI×fC1)=1592。由于整流管的导通电阻只有几欧姆,稳压管VS的动态电阻为10欧姆左右,限流电阻R1及负载电阻RL一般为100~200,而滤波电容一般为100uF~1000uF,其容抗非常小,可以忽略。若用R代表除C1以外所有元器件的等效电阻,可以画出图的交流等效电路。同时满足了XC1》R的条件,所以可以画出电压向量由于R甚小于XC1,R上的压降VR也远小于C1上的压降,所以VC1与电源电压V近似相等,即VC1=V。根据电工原理可知:整流后的直流电流平均值Id,与交流电平均值I的关系为Id=V/XC1。若C1以uF为单位,则Id为毫安单位,对于220V,50赫兹交流电来说,可得到Id=0.62C1。
由此可以得出以下两个结论:(1)在使用电源变压器作整流电源时,当电路中各项参数确定以后,输出电压是恒定的,而输出电流Id则随负载增减而变化;(2)使用电容降压作整流电路时,由于Id=0.62 C1,可以看出,Id与C1成正比,即C1确定以后,输出电流Id是恒定的,而输出直流电压却随负载电阻R,大小不同在一定范围内变化。RL越小输出电压越低,RL越大输出电压也越高。C1取值大小应根据负载电流来选择,比如负载电路需要9V工作电压,负载平均电流为75毫安,由于Id=0.62C1,可以算得C1=1.2uF。考虑到稳压管VD5的的损耗,C1可以取1.5uF,此时电源实际提供的电流为Id=93毫安。
稳压管的稳压值应等于负载电路的工作电压,其稳定电流的选择也非常重要。由于电容降压电源提供的的是恒定电流,近似为恒流源,因此一般不怕负载短路,但是当负载完全开路时,R1及VD5回路中将通过全部的93毫安电流,所以VD5的最大稳定电流应该取100毫安为宜。由于RL与VD5并联,在保证RL取用75毫安工作电流的同时,尚有18毫安电流通过VD5,所以其最小稳定电流不得大于18毫安,否则将失去稳压作用。
限流电阻取值不能太大,否则会增加电能损耗,同时也会增加C2的耐压要求。如果是R1=100欧姆,R1上的压降为9.3V,则损耗为0.86瓦,可以取100欧姆1瓦的电阻。
滤波电容一般取100微法到1000微法,但要注意其耐亚的选择,前已述及,负载电压为9V,R1上的压降为9.3V,总降压为18.3V,考虑到留有一定的余量,因此C2耐压取25V以上为好。

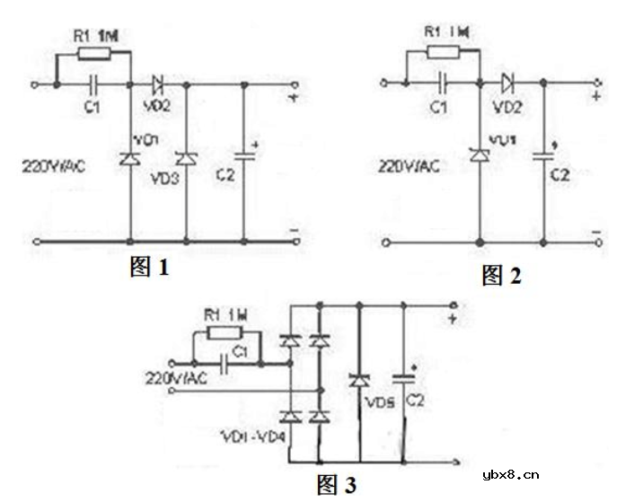
如图1,C1 为降压电容器,D2 为半波整流二极管,D1 在市电的负半周时给C1 提供放电回路,D3 是稳压二极管R1 为关断电源后C1 的电荷泄放电阻。在实际应用时常常采用的是图2的所示的电路。当需要向负载提供较大的电流时,可采用图-3 所示的桥式整流电路。整流后未经稳压的直流电压一般会高于30 伏,并且会随负载电流的变化发生很大的波动,这是因为此类电源内阻很大的缘故所致,故不适合大电流供电的应用场合。
器件选择
1.电路设计时,应先测定负载电流的准确值,然后参考示例来选择降压电容器的容量。因为通过降压电容C1 向负载提供的电流Io,实际上是流过C1 的充放电电流Ic。C1 容量越大,容抗Xc 越小,则流经C1 的充、放电电流越大。当负载电流Io 小于C1 的充放电电流时,多余的电流就会流过稳压管,若稳压管的最大允许电流Idmax 小于Ic-Io 时易造成稳压管烧毁。
2.为保证C1 可*工作,其耐压选择应大于两倍的电源电压。 3.泄放电阻R1 的选择必须保证在要求的时间内泄放掉C1 上的电荷。
设计举例
图2 中,已知C1 为0.33μF,交流输入为220V/50Hz,求电路能供给负载的最大电流。
C1 在电路中的容抗Xc 为:
Xc=1 /(2 πf C)= 1/(2*3.14*50*0.33*10-6)= 9.65K 流过电容器C1 的充电电流(Ic)为: Ic = U / Xc = 220 / 9.65 = 22mA。
通常降压电容C1 的容量C 与负载电流Io 的关系可近似认为:C=14.5 I,其中C 的容量单位是μF,Io 的单位是A。
电容降压式电源是一种非隔离电源,在应用上要特别注意隔离,防止触电。
整流后未经稳压的直流电压一般会高于30伏,并且会随负载电流的变化发生很大的波动,这是因为此类电源内阻很大的缘故所致,故不适合大电流供电的应用场合。电容降压式电源是一种非隔离电源,在应用上要特别注意隔离,防止触电,电容降压的工作原理并不复杂,他的工作原理是利用电容在一定的交流信号频率下产生的容抗来限制最大工作电流。例如,在50Hz的工频条件下,一个1uF的电容所产生的容抗约为3180欧姆。当220V的交流电压加在电容器的两端,则流过电容的最大电流约为70mA。虽然流过电容的电流有70mA,但在电容器上并不产生功耗,应为如果电容是一个理想电容,则流过电容的电流为虚部电流,它所作的功为无功功率。根据这个特点,我们如果在一个1uF的电容器上再串联一个阻性元件,则阻性元件两端所得到的电压和它所产生的功耗完全取决于这个阻性元件的特性。例如,我们将一个110V/8W的灯泡与一个1uF的电容串联,在接到220V/50Hz的交流电压上,灯泡被点亮,发出正常的亮度而不会被烧毁,因为110V/8W的灯泡所需的电流为8W/110V=72mA,它与1uF电容所产生的限流特性相吻合,同理,我们也可以将5W/65V的灯泡与1uF电容串联接到220V/50Hz的交流电上,灯泡同样会被点亮,而不会被烧毁。因为5W/65V的灯泡的工作电流也约为70mA.因此,电容降压实际上是利用容抗限流,而电容器实际上起到一个限制电流和动态分配电容器和负载两端电压的角色。

图一为一个实际的采用电容降压的LED驱动电路﹕请注意﹐大部分应用电路中没有连接压敏电阻或瞬变电压抑制晶体管﹐建议连接上﹐因压敏电阻或瞬变电压抑制晶体管能在电压突变瞬间( 如雷电﹑大用电设备起动等 )有效地将突变电流泄放﹐从而保护二级关和其它晶体管﹐它们的响应时间一般在微毫秒级 。
电路工作原理﹕
电容C1的作用为降压和限流﹕大家都知道﹐电容的特性是通交流﹑隔直流﹐当电容连接于交流电路中时﹐其容抗计算公式为﹕
XC = 1/2πf C
式中﹐XC 表示电容的容抗﹑f 表示输入交流电源的频率﹑C 表示降压电容的容量。
流过电容降压电路的电流计算公式为﹕
I = U/XC
式中 I 表示流过电容的电流﹑U 表示电源电压﹑XC 表示电容的容抗
在220V﹑50Hz的交流电路中﹐当负载电压远远小于220V时﹐电流与电容的关系式为﹕
I = 69C 其中电容的单位为uF﹐电流的单位为mA
下表为在220V﹑50Hz的交流电路中﹐理论电流与实际测量电流的比较
电阻R1为泄放电阻﹐其作用为﹕当正弦波在最大峰值时刻被切断时﹐电容C1上的残存电荷无法释放﹐会长久存在﹐在维修时如果人体接触到C1的金属部分﹐有强烈的触电可能﹐而电阻R1的存在﹐能将残存的电荷泄放掉﹐从而保证人﹑机安全。泄放电阻的阻值与电容的大小有关﹐一般电容的容量越大﹐残存的电荷就越多﹐泄放电阻就阻值就要选小些。经验数据如下表﹐供设计时参考﹕
D1 ~ D4的作用是整流﹐其作用是将交流电整流为脉动直流电压。
C2﹑C3的作用为滤波﹐其作用是将整流后的脉动直流电压滤波成平稳直流电压
压敏电阻( 或瞬变电压抑制晶体管 )的作用是将输入电源中瞬间的脉冲高压电压对地泄放掉﹐从而保护LED不被瞬间高压击穿。
LED串联的数量视其正向导通电压( Vf )而定﹐在220V AC电路中﹐最多可以达到80个左右。组件选择﹕电容的耐压一般要求大于输入电源电压的峰值﹐在220V,50Hz的交流电路中时﹐可以选择耐压为400伏以上的涤纶电容或纸介质电容。
D1 ~D4 可以选择IN4007。
滤波电容C2﹑C3的耐压根据负载电压而定﹐一般为负载电压的1.2倍。其电容容量视负载电流的大小而定。
相关热词:#电流
影响介电常数的因素有哪些?
时间:2026-04-22
关于电流互感器基础知识介绍
时间:2026-04-22
开关电源的工作原理及特性
时间:2026-04-22
绝缘栅双极型晶体管(IGBT)外形、等效结构与...
时间:2026-04-22
信噪比(SNR)的定义,如何计算信噪比
时间:2026-04-22
波特率是什么意思_怎样计算波特率
时间:2026-04-21
RS485基本知识介绍
时间:2026-04-18
什么是激光雷达?激光雷达的构成与分类
时间:2026-04-18
Excelpoint - 一文了解SiC MOS的应用
时间:2026-04-18
什么是磁电阻器?磁电阻特性及应用
时间:2026-04-18
基于逻辑门的构成解释如何完成任意逻辑的管...
时间:2026-03-08
彩灯电路
时间:2026-03-05
NE555的有趣电路设计分享
时间:2026-03-08
三相异步电动机原理
时间:2026-03-04
三相异步电动机的拆装详讲
时间:2026-03-04
从0学电路,万用表演示测量三极管方法
时间:2026-03-08
电动机单线远程正反转控制电路图
时间:2026-03-04
光耦在电子电路中作用、关键参数详解
时间:2026-03-08
H桥电机驱动电路解析
时间:2026-03-08
转角测量电路
时间:2026-03-05