当前位置:首页 > 电路图基础 > 正文

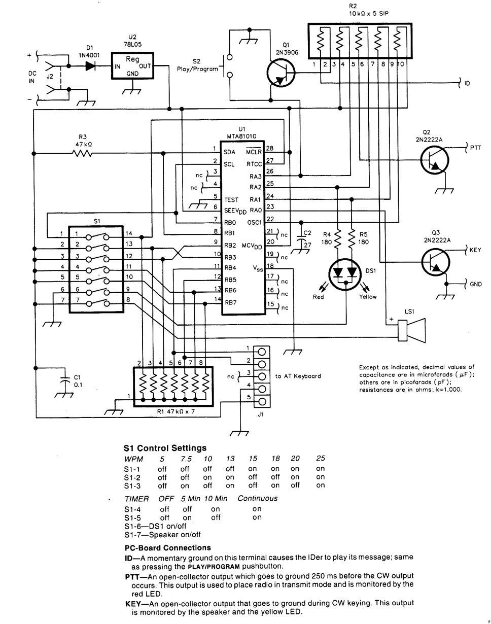
可编程连续波标识符

来源:网络  发布者:电工基础  发布时间:2026-03-23 10:37

可编程连续波标识符


这个标识符使用一个MTA81010芯片,它包含一个1024位的串行EEPROM和一个微控制器,它从一个9V电池得到供电。一个标准的AT型键盘是用来计划从5到25wpm所需要的信息速度。


相关热词:#其它电路图