光电耦合器运用广泛,依据光电耦合器特性,设计一个方便的测试光电耦合器电路,该电路简单、准确,使用方便。
当电源接通后,LED不发光。按下S2,LED会发光。调RP,LED的发光强度会发生变化,说明光电耦合器是好的。印刷电路板图如下图,电池采用3V纽扣电池,电池安装在印刷板的铜箔面,用铜片扣住并焊稳即可。


本印刷板适合用于TLP621、TLP521、TLP321、TLP124、TLP121、PC817、PC713、PC617、ON3111、ON3131以及TLP332、TLP532、TLP632、TLP634、TLP732、CNX82A、FX0012CE,在使用4个脚的光电耦合器时把S3的1、2脚短路;在使用6个脚的光电耦合器时请把S3的2、3脚短路。
根据光电耦合器的原理,设计制作了一个能够快速判断光电耦合器好坏的小巧鉴别器,其电路如图2所示。当将光电耦合器的输入、输出引脚分清极性后正确插入鉴别器的4个相应插孔内时,如果发光二极管VD1、VD2同步闪烁发光,则证明光电耦合器完好。如果VD1不闪烁发光,则说明光电耦合器内部发光管已开路;如果VD1闪烁发光,但VD2不亮或恒定发光,说明光电耦合器内部不是发光管失效就是光敏晶体管已开路或击穿损坏。

图2 光电耦合器鉴别器电路图

图3 自制光电耦合器
制作时,VD1用红色闪烁发光二极管,VD2用绿色普通发光二极管。R用RTX-1/8W型碳膜电阻器。4个管脚插孔可用0.4mm~0.6mm的裸铜丝,在一枚2号大头针上密绕十几圈,并在尾端留出长度大于3cm的焊接引线(应套上绝缘管),然后脱胎而成。G用4节5号干电池串联(6V)而成,如用4F20-6V型叠层干电池会更方便。整个电路可焊装在一个体积合适的塑料小盒内,面板开孔伸出两个发光二极管的管帽和4个插孔。注意:输入和输出插孔的间距不要超过1cm,各插孔伸出的引线长度不要小于2cm,便于灵活互换位置,以适应不同型号和引脚排列的光电耦合器检测。本装置不设电源开关,用毕拔掉光电耦合器,电源即被自动切断。
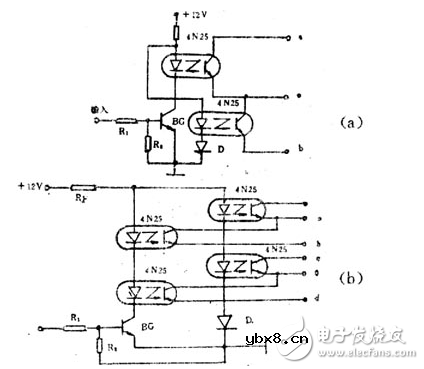
对于开关电路,往往要求控制电路和开关电路之间要有很好的电隔离,这对于一般的电子开关来说是很难做到的,但采用光电耦合器就很容易实现了。图46-4中(a)所示电路就是用光电耦合器组成的简单开关电路。
在图中,当无脉冲信号输入时,三极管BG处于截止状态,发光二极管无电流流过不发光,则a、b两端电阻非常大,相当于开关“断开”。当输入端加有脉冲信号时,BG导通,发光二极管发光,则a、b两端电阻变得很小,相当于开关“接通”。故称无信号时开关不通,为常开状态。
图46—4中(b)所示电路则为“带闭”状态,因为无信号输入时,虽BG截止,但发光二极管有电流通过而发光,使a、b

图46-4
两端处于导通状态,相当于开关“接通”。当有信号输入时,BG导通,由于BG的集电结压降在0.3V以下,远小于发光二极管的正向导通电压,所以发光二极管无电流流过不发光,则a、b两端电阻极大,相当于开关“断开”,故称“常闭”式。
可见,开关a、b端在电路中不受电位高低的限制,但在使用中应满足a端电位为正,b端为负,并使U&ab>3V为好,同时还应注意Uab应小于光电三极管的BVceo。
依据图46—4的原理,光电耦合器可以组成如图46—5中(a)、(b)等多种形式。

图46-5
图中(a)为单刀双掷开关电路,其中外接二极管。
相关热词:#晶体管
波特率是什么意思_怎样计算波特率
时间:2026-04-21
RS485基本知识介绍
时间:2026-04-18
什么是激光雷达?激光雷达的构成与分类
时间:2026-04-18
Excelpoint - 一文了解SiC MOS的应用
时间:2026-04-18
什么是磁电阻器?磁电阻特性及应用
时间:2026-04-18
什么是电场?电场在电容器中的应用
时间:2026-04-18
什么是ARM64?
时间:2026-04-17
vga和hdmi的区别
时间:2026-04-17
什么是ESD?ESD及TVS的原理和应用
时间:2026-04-17
开关电源原理与维修完整版 (10)_标清视频
时间:2026-04-16
基于逻辑门的构成解释如何完成任意逻辑的管...
时间:2026-03-08
彩灯电路
时间:2026-03-05
NE555的有趣电路设计分享
时间:2026-03-08
三相异步电动机原理
时间:2026-03-04
三相异步电动机的拆装详讲
时间:2026-03-04
从0学电路,万用表演示测量三极管方法
时间:2026-03-08
电动机单线远程正反转控制电路图
时间:2026-03-04
光耦在电子电路中作用、关键参数详解
时间:2026-03-08
H桥电机驱动电路解析
时间:2026-03-08
转角测量电路
时间:2026-03-05