1、电路工作原理
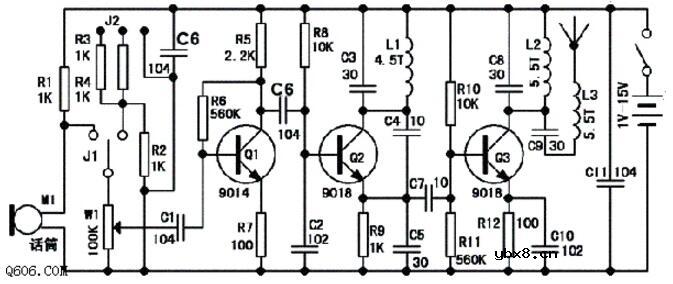
电路如下图所示。VT1及相关元件组成电容三点式振荡电路,产生的高频波经C5从天线向外发射。为了使电路简单,VT1同时也承担了调频管的功能,外界的声音信号从MIC1中拾得,形成电信号,以C2耦合,送入VT1的基极,这个声音电信号的电压波动将影响到VT1的结电容变化,这样当有声音信号输入时,VT1等组成的振荡电路的频率就随着输入电压的波动而改变,即完成了频率调制。

2、调试与安装
本制作的电路比较简单,焊接时注意不要焊错。全部元件安装完成后,最主要的内容是振荡频率的调试。打开一台能够收到FM波段的收音机,然后打开话筒开关,手持话筒,一边对话筒讲话一边对收音机进行搜台,直到收音机中传出自己的声音为止。如果在整个频段(即88-108MHz)仍收不到自己的声音则仔细拨动振荡线圈L,拨动时只需拉开或缩小线圈每匝的距离,调整时应仔细。若调整线圈的松紧仍无凑效则应将L焊下来增加一匝或者减少一匝(因电子元件的参数影响),重新焊上后继续上述调整。

相关热词:#无线话筒
波特率是什么意思_怎样计算波特率
时间:2026-04-21
RS485基本知识介绍
时间:2026-04-18
什么是激光雷达?激光雷达的构成与分类
时间:2026-04-18
Excelpoint - 一文了解SiC MOS的应用
时间:2026-04-18
什么是磁电阻器?磁电阻特性及应用
时间:2026-04-18
什么是电场?电场在电容器中的应用
时间:2026-04-18
什么是ARM64?
时间:2026-04-17
vga和hdmi的区别
时间:2026-04-17
什么是ESD?ESD及TVS的原理和应用
时间:2026-04-17
开关电源原理与维修完整版 (10)_标清视频
时间:2026-04-16
基于逻辑门的构成解释如何完成任意逻辑的管...
时间:2026-03-08
彩灯电路
时间:2026-03-05
NE555的有趣电路设计分享
时间:2026-03-08
三相异步电动机原理
时间:2026-03-04
三相异步电动机的拆装详讲
时间:2026-03-04
从0学电路,万用表演示测量三极管方法
时间:2026-03-08
电动机单线远程正反转控制电路图
时间:2026-03-04
光耦在电子电路中作用、关键参数详解
时间:2026-03-08
H桥电机驱动电路解析
时间:2026-03-08
转角测量电路
时间:2026-03-05