红外发射电路采用NE555接成振荡电路,如图3所示。振荡频率由SA1~SA3开关控制,改变开关位置,即改变接入振荡电路的电阻RP1~RP3,调节RP1~RP3,可以调节每一通道的具体频率。振荡脉冲由3号引脚输出,驱动红外发光二极管发射红外光,即实现了用振荡脉冲对红外光的调制。

红外接收电路主要由光敏二极管、集成运算放大器(OP07)、音频锁相环(LM567)、双稳态触发器(CD4013)、继电器驱动电路等组成。其电路见图4。

基本原理是:光敏二极管接收到光信号并转换为电信号,运算放大器将微弱的电信号加以放大,与发射频率相对应的通道进入工作状态。LM567为通用音频译码器,内含鉴相器(PD)、放大器(AMP)、压控振荡器(VCO)等单元,当输入信号频率与VCO频率一致时,环路进入锁定,LM567的8号引脚输出由高电平变为低电平,使三极管导通,其集电极由低电平转为高电平,D触发器翻转,输出Q为高电平,继电器吸合,执行设备工作。
当发射频率改变时,则另一路转入工作。
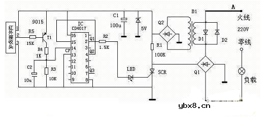
如图所示,电路左边AB端为单线进出端,和负载串联后接在220V市电上。集成块CD4017接成双稳态触发电路,用来控制单向可控硅;SCR作为控制负载的通断的开关,可控硅导通相当于开关闭合;微型变压器B1是用来解决电子开关导通时自身电源的供给;二极管D1D2并接在变压器的初级,将初级电压限制在0.7V左右,可以防止微型变压器初级线圈烧坏,也可以防止因负载电流过大而造成输出电压过高。

当红外接收头接收到红外遥控信号时输出负脉冲,通过三极管T1到相后,通过R3C2构成脉宽选通电路,输入到IC的脉冲输入端14脚。集成块IC接成双稳态触发电路,每输入一个脉冲输出端②脚的状态就翻转一次,从而实现开、关的控制。
开关断开时:IC1的②脚为低电平,可控硅截止,负载断电。此时,市电通过全桥Q1整流、然后通过电阻R1分压后给电子开关提供低压直流电,保障了待机电源的供给。
开关导通时,IC1的输出端②脚为高电平,可控硅被触发导通,相当于开关闭合,负载得电而正常工作。负载回路中有电流流过,必然有电流流过变压器的初级线圈。由微型变压器升压,然后通过全桥Q2整流后,同样能给电子开关提供低压直流电。
可见,不论电子开关是导通还是截止,都能够解决电子开关电路的自身供电问题。每按动遥控器一次,电子开关的状态就会改变一次,从而实现遥控开关的功能。
相关热词:#开关电路
影响介电常数的因素有哪些?
时间:2026-04-22
关于电流互感器基础知识介绍
时间:2026-04-22
开关电源的工作原理及特性
时间:2026-04-22
绝缘栅双极型晶体管(IGBT)外形、等效结构与...
时间:2026-04-22
信噪比(SNR)的定义,如何计算信噪比
时间:2026-04-22
波特率是什么意思_怎样计算波特率
时间:2026-04-21
RS485基本知识介绍
时间:2026-04-18
什么是激光雷达?激光雷达的构成与分类
时间:2026-04-18
Excelpoint - 一文了解SiC MOS的应用
时间:2026-04-18
什么是磁电阻器?磁电阻特性及应用
时间:2026-04-18
基于逻辑门的构成解释如何完成任意逻辑的管...
时间:2026-03-08
彩灯电路
时间:2026-03-05
NE555的有趣电路设计分享
时间:2026-03-08
三相异步电动机原理
时间:2026-03-04
三相异步电动机的拆装详讲
时间:2026-03-04
从0学电路,万用表演示测量三极管方法
时间:2026-03-08
电动机单线远程正反转控制电路图
时间:2026-03-04
光耦在电子电路中作用、关键参数详解
时间:2026-03-08
H桥电机驱动电路解析
时间:2026-03-08
转角测量电路
时间:2026-03-05