随着在雷达探测、仪表测量、化学分析等领域研究的不断深入,不仅要求定性的完成目标检测,更加需要往高精度、高分辨率成像的方向发展。一方面,产生频率、幅度灵活可控,尤其是低相位噪声、低杂散的频率源对许多仪器设备起着关键作用。另一方面,电子元器件实际性能参数并非理想以及来存在自外部内部的干扰,大量的误差因素会严重影响系统的准确性。双路参数可调的信号源可有效地对系统误差、信号通道间不平衡进行较调,并且可以产生严格正交或相关的信号,这在弱信号检测中发挥重要作用。为此本文采用双通道DDS方法,以STM32为控制器,完成了一种高分辨率灵活可调的双路信号源电路设计。
最终设计出的滤波器结构参数及仿真结果如图7所示。

图7 7阶椭圆低通滤波器结构及参数
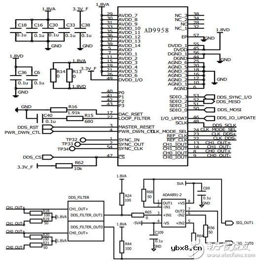
信号源输出电路
由于AD9958频率输出是一个电流型输出,等效模型为内阻为100KΩ的电流源。DAC输出电流的满量程值由外部电阻RSET决定,而需要设计的信号源是电压型输出并能提供一定的输出驱动能力,所以需要对ADC输出进行转换,并在滤波器后插入缓冲放大器。若采用中心抽头变压器进行电流电压变换,在低频时会造成插入损耗过大,固直接通过终端电阻来转换。输出驱动放大器采用高速放大器ADA4891-2。
ADA4891是一款CMOS、高速、高性能、低成本放大器,具有单电源供电,输入电压范围可扩展至负电源轨300mV以下,轨到轨输出级使输出摆幅可以达到各供电轨50mV以内,以提供最大的动态范围,线性输出电流150mA(-50dBc时),-3dB带宽为240MHz,功耗仅为 4.4mA。最终设计的输出电路如图8所示。

图8 AD9958输出转换及驱动电路
结果表明信号源输出特性良好,还具有集成的高、功耗低、配置灵活等优点。为了满足不同应用的需求,可调整滤波器参数或将滤波输出直接引出。由于采用了外设丰富的STM32控制器,使系统具有良好扩展性。该信号源可应用于嵌入式仪表测量、相关弱信号检测等领域,也可作为激励源为电路调试带来极大方便。
相关热词:#控制电路
波特率是什么意思_怎样计算波特率
时间:2026-04-21
RS485基本知识介绍
时间:2026-04-18
什么是激光雷达?激光雷达的构成与分类
时间:2026-04-18
Excelpoint - 一文了解SiC MOS的应用
时间:2026-04-18
什么是磁电阻器?磁电阻特性及应用
时间:2026-04-18
什么是电场?电场在电容器中的应用
时间:2026-04-18
什么是ARM64?
时间:2026-04-17
vga和hdmi的区别
时间:2026-04-17
什么是ESD?ESD及TVS的原理和应用
时间:2026-04-17
开关电源原理与维修完整版 (10)_标清视频
时间:2026-04-16
基于逻辑门的构成解释如何完成任意逻辑的管...
时间:2026-03-08
彩灯电路
时间:2026-03-05
NE555的有趣电路设计分享
时间:2026-03-08
三相异步电动机原理
时间:2026-03-04
三相异步电动机的拆装详讲
时间:2026-03-04
从0学电路,万用表演示测量三极管方法
时间:2026-03-08
电动机单线远程正反转控制电路图
时间:2026-03-04
光耦在电子电路中作用、关键参数详解
时间:2026-03-08
H桥电机驱动电路解析
时间:2026-03-08
转角测量电路
时间:2026-03-05