在信息迅速发展的今天,计算机信息技术已经成为一种主导技术,信息产业也成为主导的产业,信息产业已经成为当今社会一种新的经济增长点,为此,本文针对如何设计采集系统与终端电路设计进行探讨。
数据采集系统电路
高速率、高精度的18位AD7674 与C8051F060之间并口通信的接口电路设计。采用的单片机配置灵活,传输速度快,接口采用并口通信,可实现嵌入式数据采集系统高速数据传输;同时 AD7674与AD7678、AD7679等18位SAR ADC 以及AD7621、AD7623等16位高速SAR ADC 引脚相兼容,从而大大增强了系统开发的灵活性和拓展性。
AD7674能提供3种不同转换速率工作方式,以便对不同的具体应用优化性能。这3种工作模式如下:WARP,允许采样率高达800 kHz。然而在这种模式下只有当转换之间的时间不超过1ms 时,才能保证其转换的精度。如果连续两次转换之间的时间大于1 ms,第一次转换的结果就会被忽略,这种模式适合于要求快速采样率的应用。NORMAL,这种模式的采样率为666 kHz,在这种模式下对采样转换之间的时间没有限制,既可保证高的转换精度又可确保快速的采样速率。IMPULSE,一种低功耗模式,其采样率为570 kHz。

只用1块C8051F060芯片即可完成单片机8051的各种控制,多路A/D 转换和D/A 转换,I2C、SPI 数据总线传输,RS232、RS485串口通信等功能,从而大大减少了元器件的种类,缩小了印制板的面积,节约了成本,提高了系统可靠性。而其交叉开关方式的配置, 使I/O 口应用更加灵活方便。AD7674与C8051F060的接口电路图为AD7674在高速采集系统中的外围电路和接口电路。外围电路包括电压基准输入的设计、模拟电压输入部分的设计、模拟和数字电源供电的设计及接口电路的设计。接口电路包括AD7674与C8051F060和CPLD 的接口。
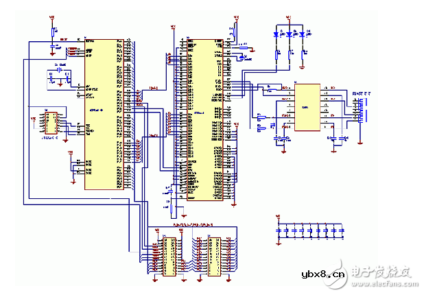
以太网终端设计
CS8900A低功耗的以太网控制器,被广泛应用于工控机中。其高集成度的设计(在应用当中只需要极少的外围元件)和简单容用的总线接口,非常适用于本设计。目前,许多的以太网控制器都只提供PCI(周边元件扩展接口)接口,而CS8900A可以直接和微控制器相连,所以,可以MSP430F149 的I/O口来直接对CS8900A进行控制,具体连接方式如图2所示。另外,CS8900A可以直接3V供电,这有利于和MSP430F149之间的电平匹配。

图2:硬件电路原理图
语音识别电路模块设计
模块的核心处理单元选用ST公司的基于ARMCortex-M3内核的32位处理器STM32F103C8T6。本模块以对话管理单元为中心,通过以LD3320芯片为核心的硬件单元实现语音识别功能,采用嵌入式操作系统μC/OS-II来实现统一的任务调度和外围设备管理。经过大量的实验数据验证,本文设计的语音识别模块具有高实时性、高识别率、高稳定性的优点。
语音识别电路

图3为语音识别部分原理图,参照了ICRoute发布的LD3320数据手册进行设计。LD3320的内部集成了快速稳定的优化算法,不需外接Fla-sh、RAM,不需要用户事先训练和录音而完成非特定人语音识别,识别准确率高。图中,LD3320采用并行方式直接与 STM32F103C8T6相接,均采用1kΩ电阻上拉,A0用于判断是数据段还是地址段;控制信号,复位信号以及中断返回信号INTB与 STM32F103C8T6直接相连,采用10kΩ电阻上拉,辅助系统稳定工作;和STM32F103C8T6采用同一个外部8 MHz时钟;发光二极管D1、D2用于复位后的上电指示;MBS(引脚12)作为麦克风偏置,接了一个RC电路,保证能输出一个浮动电压给麦克风。
编辑点评:随着科技的快速发展,嵌入式信息技术得到更多的重视,技术的进步会带来巨大的社会效益,对于加快社会进步,加强信息交流有着十分重要的作用,而它也在潜移默化的影响着人类的生活,从数据采集、以太网终端、语音识别电路更能体现出其精妙所在。
电子发烧友六月《嵌入式技术特刊》,更多优质内容,马上下载阅览
相关热词:#嵌入式
波特率是什么意思_怎样计算波特率
时间:2026-04-21
RS485基本知识介绍
时间:2026-04-18
什么是激光雷达?激光雷达的构成与分类
时间:2026-04-18
Excelpoint - 一文了解SiC MOS的应用
时间:2026-04-18
什么是磁电阻器?磁电阻特性及应用
时间:2026-04-18
什么是电场?电场在电容器中的应用
时间:2026-04-18
什么是ARM64?
时间:2026-04-17
vga和hdmi的区别
时间:2026-04-17
什么是ESD?ESD及TVS的原理和应用
时间:2026-04-17
开关电源原理与维修完整版 (10)_标清视频
时间:2026-04-16
基于逻辑门的构成解释如何完成任意逻辑的管...
时间:2026-03-08
彩灯电路
时间:2026-03-05
NE555的有趣电路设计分享
时间:2026-03-08
三相异步电动机原理
时间:2026-03-04
三相异步电动机的拆装详讲
时间:2026-03-04
从0学电路,万用表演示测量三极管方法
时间:2026-03-08
电动机单线远程正反转控制电路图
时间:2026-03-04
光耦在电子电路中作用、关键参数详解
时间:2026-03-08
H桥电机驱动电路解析
时间:2026-03-08
转角测量电路
时间:2026-03-05