传统电气设备采用的各种控制信号,必须转换到与单片机输入/输出口相匹配的数字信号。用户设备须输入到单片机的各种控制信号,如限位开关、操作按钮、选择开关、行程开关以及其他一些传感器输出的开关量等,通过输入电路转换成单片机能够接收和处理的信号。输出电路则应将单片机送出的弱电控制信号转换、放大到现场需要的强输出信号,以驱动功率管、电磁阀和继电器、接触器、电动机等被控制设备的执行元件,能方便实际控制系统使用。针对电气控制产品的特点,本文讨论了几种单片机I/O的常用驱动和耦合电路的设计方法,对合理地设计电气控制系统,提高电路的接口能力,增强系统稳定性和抗干扰能力有实际指导意义。
输入电路设计

图1 开关信号输入
一般输入信号最终会以开关形式输入到单片机中,以工程经验来看,开关输入的控制指令有效状态采用低电平比采用高电平效果要好得多,如图1如示。当按下开关S1时,发出的指令信号为低电平,而平时不按下开关S1时,输出到单片机上的电平则为高电平。该方式具有较强的耐噪声能力。
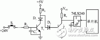
若考虑到由于TTL电平电压较低,在长线传输中容易受到外界干扰,可以将输入信号提高到+24 V,在单片机入口处将高电压信号转换成TTL信号。这种高电压传送方式不仅提高了耐噪声能力,而且使开关的触点接触良好,运行可靠,如图2所示。其中,D1为保护二极管,反向电压≥50 V。

图2 提高输入信号电平

图3 输入端保护电路
为了防止外界尖峰干扰和静电影响损坏输入引脚,可以在输入端增加防脉冲的二极管,形成电阻双向保护电路,如图3所示。二极管D1、D2、 D3的正向导通压降UF≈0.7 V,反向击穿电压UBR≈30 V,无论输入端出现何种极性的破坏电压,保护电路都能把该电压的幅度限制在输入端所能承受的范围之内。即:VI~VCC出现正脉冲时,D1正向导通;VI~VCC出现负脉冲时,D2反向击穿;VI与地之间出现正脉冲时,D3反向击穿;VI与地之间出现负脉冲时,D3正向导通,二极管起钳位保护作用。缓冲电阻RS约为1.5~2.5 kΩ,与输入电容C构成积分电路,对外界感应电压延迟一段时间。若干扰电压的存在时间小于τ,则输入端承受的有效电压将远低于其幅度;若时间较长,则D1 导通,电流在RS上形成一定的压降,从而减小输入电压值。
电子发烧友六月《嵌入式技术特刊》,更多优质内容,马上下载阅览
相关热词:#驱动电路
波特率是什么意思_怎样计算波特率
时间:2026-04-21
RS485基本知识介绍
时间:2026-04-18
什么是激光雷达?激光雷达的构成与分类
时间:2026-04-18
Excelpoint - 一文了解SiC MOS的应用
时间:2026-04-18
什么是磁电阻器?磁电阻特性及应用
时间:2026-04-18
什么是电场?电场在电容器中的应用
时间:2026-04-18
什么是ARM64?
时间:2026-04-17
vga和hdmi的区别
时间:2026-04-17
什么是ESD?ESD及TVS的原理和应用
时间:2026-04-17
开关电源原理与维修完整版 (10)_标清视频
时间:2026-04-16
基于逻辑门的构成解释如何完成任意逻辑的管...
时间:2026-03-08
彩灯电路
时间:2026-03-05
NE555的有趣电路设计分享
时间:2026-03-08
三相异步电动机原理
时间:2026-03-04
三相异步电动机的拆装详讲
时间:2026-03-04
从0学电路,万用表演示测量三极管方法
时间:2026-03-08
电动机单线远程正反转控制电路图
时间:2026-03-04
光耦在电子电路中作用、关键参数详解
时间:2026-03-08
H桥电机驱动电路解析
时间:2026-03-08
转角测量电路
时间:2026-03-05