随着电子业的发展,智能化家电将是发展的必然趋势,语音控制也必将进入实用阶段。在现有市场上多功能电风扇的基础上,我们提出了一种新型的语音智能电风扇,使电风扇更加人性化。本设计以凌阳16位SPCE061A单片机为核心,设计完成了一个语音控制智能电风扇。随着人们生活水平的提高,人们也不再满足手动的那些机械方面的操作,只要站在房间的某个角落,通过人的语音识别与控制,就能实现对电风扇的控制,这种功能方便了人们的生活,特别是对于残疾人更加方便快捷,易于使用。值得今后市场的大面积普及,研究语音控制电风扇具有广阔的应用前景。
操作人发出语音指令,系统接受后在内部进行处理、查询,产生响应控制信号,从而控制PWM口的脉宽来调节可控硅的导通角大小,从而实现电机调速的目的。根据开始录制的语音命令来控制风扇的启动、加快转速,减小转速,匀速运行等。
系统总体框图如下:

系统总体框图
图中的语音输入部分MIC_IN、滤波电路、声音输出部分的功率放大环节等已经做到了精简开发板—61板上,为我们使用提供了方便。在电机的驱动方面,通过单片机的PWM触发脉冲宽度来直接控制晶闸管来控制速度。
麦克风录音输入ADC及AGC电路
凌阳的SPCE061A是16位单片机,具有DSP功能,其中内嵌有高速AD转换器,有很强的信息处理能力,最高时钟可达到49M,具备运算速度高的优势等等,这为语音的播放、录放、合成及辨识提供了条件。本系统接入MIC电路,MIC为录制语音辨识命令服务。MIC采集的语言先通过内置自动增益控制放大器,再经过SPCE061A内置的八通道10位模数转换器转换位数字量信号,硬件ADC最高采样速率可达96KHZ。
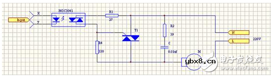
电机驱动电路
对该部分电路的设计,主要应解决两个问题:弱电(凌阳单片机系统)和强电(AC220V)的隔离。对此,采用了如下图所示的电路,其中MOC3041是具有双向晶闸管输出的光电隔离器,T1是功率双向可控硅,RL是负载,在MOC3041内部不仅有发光二极管,而且还有过零检测电路和一个小功率双向可控硅。当单片机的P3.2=1时,MOC3041中的发光二极管发光,由于过零电路的同步作用,内部的双向可控硅在过零后马上导通,从而使功率双向可控硅 T1导通,在负载RL中有电流流过;当P3.2=0时,MOC3041中的发光二极管不发光,内部双向可控硅不导通,所以功率双向可控硅T1截止,负载 RL中没有电流流过。在电路中接上0.01uf的电容是为了校正零相位。
电路图如下图:

风扇驱动电路
采用SPCE061A实现语音控制电风扇方案,由于其内部具有语音识别和语音播放功能,其功能更优于MCS-51系列单片机。它是16位控制器,具有体积小、驱动能力高、集成度高、易扩展、可靠性高、功耗低、结构简单、中断处理能力强等特点。而且该单片机可以实现语音播报。
相关热词:#单片机
5v太阳能路灯电路图大全(四款5v太阳能路灯...
时间:2026-03-07
双向可控硅调光电路图大全(四款模拟电路设...
时间:2026-03-07
太阳能路灯电路设计与仿真
时间:2026-03-07
30w太阳能路灯设计方案汇总(六款太阳能路灯...
时间:2026-03-07
ne555调光电路图大全(五款模拟电路设计原理...
时间:2026-03-07
60w太阳能路灯设计方案汇总(四款模拟电路设...
时间:2026-03-07
220v双向可控硅电路图大全(八款模拟电路设...
时间:2026-03-07
单向可控硅光控电路图大全(四款模拟电路设...
时间:2026-03-07
可控硅调压器电路图大全(八款模拟电路设计...
时间:2026-03-07
单向可控硅最筒单电路图大全(四款模拟电路...
时间:2026-03-07
彩灯电路
时间:2026-03-05
三相异步电动机原理
时间:2026-03-04
三相异步电动机的七种调速方式
时间:2026-03-04
转角测量电路
时间:2026-03-05
经典的正弦波发生电路
时间:2026-03-05
电动机单线远程正反转控制电路图
时间:2026-03-04
三相异步电动机的拆装详讲
时间:2026-03-04
USB转232电路图
时间:2026-03-04
电度表的工作原理
时间:2026-03-04
电风扇红外遥控器2
时间:2026-03-04