描述:
尽管近30 年来以大规模集成工艺为依托的各种数字电路的问世,逐渐代替了各种传统的模拟电 路的应用领域,但是物理世界毕竟还是模拟的,与物理世界各种现象的接口,仍然需要靠模拟电路 来承担。即便在某一功能块中,模拟电路所占份量可能很少,但是这一部分或许是整个系统就设计 和实现来说最具挑战性的部分,而且往往在系统性能上起着关键作用。尤其是当速度和功率成为至 关重要的因素时,模拟电路就更显突出。
运算放大器和各种模拟集成电路是应用最为广泛的一类模拟器件。随着及程度的提高、性能的 改善,愈来愈受到人们的青睐;在工业控制、遥控遥测、仪表仪器等领域成为不可或缺的器件。传 统上隶属于模拟电子学领域的很多功能,今天都用数字形式给予实现了。然而,物理世界本来就是 模拟的,这表明,总是需要模拟电路去适应这些物理信号,像与传感器相连的电路,以及把模拟信 息转换为数字信息,供进一步处理,和从数字信息转换回模拟信息供物理世界再利用等这样一些电 路,都还需要用到模拟电路。因此,当今的许多应用,最好是由混合模式的集成电路(混合模式IC) 和系统来提出。它依赖模拟电路与物理世界接口,而数字电路则用作处理和控制。即便这个模拟电 路或许进展这个芯片面积的一小部分,但它往往却是设计中极具挑战性的部分,并且在整个系统的 性能上起着关键作用。
随着电子技术和计算机技术的飞速发展,电子电路及其应用系统设计手段也越来也越先进。传 统的电子电路与系统设计方法,周期长、耗材多、效率低,难以满足电子技术飞速发展的要求。“电 子工作台”,即EWB(Electronic Workbench),是将先进的计算机技术应用电子设计与仿真过程的 新技术,它已被广泛的应用于电子电路分析、设计、仿真、印制电路板的设计等各项工作之中。EWB 为使用者提供了一个集成一体化的设计与试验环境,创建电路、试验分析和结果输出在一个集成菜 单系统中可以全部完成,使电子电路及系统的设计产生了划时代的变化,极大地提高了设计质量与 效率。EWB 与电路分析软件“PSpice”完全兼容,而且具有界面形象逼真、操作方便,采用图形方 式创建电路等优点。EWB 有庞大的原器件库和比较齐全的仪器仪表库。
原理:
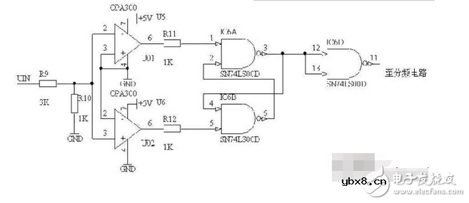
信号产生部分采用信号发生芯片MAX038,以MSP430单片机为微控制器,进行各种功能操作,完成输出信号的波形、频率、幅度的调节。MAX038输出的频率经过一级跟随器送给OPA300和74HC00构成的波形整形电路对波形进行转换和整形变换成方波信号,再将次信号进行分频,分频后的信号送入msp430进行测量。用LCD显示器,实时显示输出信号参数。控制部分及信号测量部分由msp430单片机实现。
信号产生电路图:

信号转换整形电路:

相关热词:
波特率是什么意思_怎样计算波特率
时间:2026-04-21
RS485基本知识介绍
时间:2026-04-18
什么是激光雷达?激光雷达的构成与分类
时间:2026-04-18
Excelpoint - 一文了解SiC MOS的应用
时间:2026-04-18
什么是磁电阻器?磁电阻特性及应用
时间:2026-04-18
什么是电场?电场在电容器中的应用
时间:2026-04-18
什么是ARM64?
时间:2026-04-17
vga和hdmi的区别
时间:2026-04-17
什么是ESD?ESD及TVS的原理和应用
时间:2026-04-17
开关电源原理与维修完整版 (10)_标清视频
时间:2026-04-16
基于逻辑门的构成解释如何完成任意逻辑的管...
时间:2026-03-08
彩灯电路
时间:2026-03-05
NE555的有趣电路设计分享
时间:2026-03-08
三相异步电动机原理
时间:2026-03-04
三相异步电动机的拆装详讲
时间:2026-03-04
从0学电路,万用表演示测量三极管方法
时间:2026-03-08
电动机单线远程正反转控制电路图
时间:2026-03-04
光耦在电子电路中作用、关键参数详解
时间:2026-03-08
H桥电机驱动电路解析
时间:2026-03-08
转角测量电路
时间:2026-03-05