基于瑞萨触摸按键型遥控器概述:
该触摸按键型遥控器基于瑞萨的R8C/33T触摸按键遥控板和触摸板完成。该触摸遥控器由4个通道组成的圆形触摸滚轮和12个触摸按键板组成。该触摸按键用于远程传输信号和LED灯显示,蜂鸣器输出信号。因此用户可以看得见触摸效果,也可以通过PC设置参数。
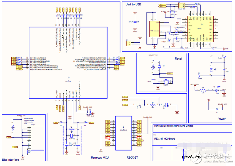
基于瑞萨触摸按键型遥控器电路原理图由三部分组成:基于瑞萨的R8C/33T单片机的主控制板电路、触摸板电路、触摸板与主控制接口电路
系统结构框图如下:

瑞萨触摸按键型遥控器硬件组成:
具体框图如下:

触摸按键型遥控器电路原理图截图:


相关热词:#控制电路
波特率是什么意思_怎样计算波特率
时间:2026-04-21
RS485基本知识介绍
时间:2026-04-18
什么是激光雷达?激光雷达的构成与分类
时间:2026-04-18
Excelpoint - 一文了解SiC MOS的应用
时间:2026-04-18
什么是磁电阻器?磁电阻特性及应用
时间:2026-04-18
什么是电场?电场在电容器中的应用
时间:2026-04-18
什么是ARM64?
时间:2026-04-17
vga和hdmi的区别
时间:2026-04-17
什么是ESD?ESD及TVS的原理和应用
时间:2026-04-17
开关电源原理与维修完整版 (10)_标清视频
时间:2026-04-16
基于逻辑门的构成解释如何完成任意逻辑的管...
时间:2026-03-08
彩灯电路
时间:2026-03-05
NE555的有趣电路设计分享
时间:2026-03-08
三相异步电动机原理
时间:2026-03-04
三相异步电动机的拆装详讲
时间:2026-03-04
从0学电路,万用表演示测量三极管方法
时间:2026-03-08
电动机单线远程正反转控制电路图
时间:2026-03-04
光耦在电子电路中作用、关键参数详解
时间:2026-03-08
H桥电机驱动电路解析
时间:2026-03-08
转角测量电路
时间:2026-03-05