一款关于宽带接收器的电路图
电路图基础2026-03-07
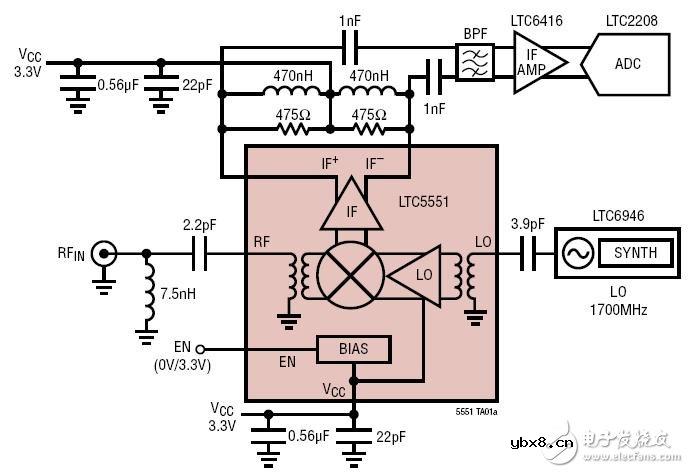
LTC®5551 是一款 2.5V 至 3.6V 混频器,其专为那些需要非常高动态范围的 RF 下变频混频器应用而优化。LTC5551 覆盖了 300MHz 至 3.5GHz RF 频率范围以及 200MHz 至 3.5GHz 的 LO 频率范围。LTC5551 具有非常
波特率是什么意思_怎样计算波特率
时间:2026-04-21
RS485基本知识介绍
时间:2026-04-18
什么是激光雷达?激光雷达的构成与分类
时间:2026-04-18
Excelpoint - 一文了解SiC MOS的应用
时间:2026-04-18
什么是磁电阻器?磁电阻特性及应用
时间:2026-04-18
什么是电场?电场在电容器中的应用
时间:2026-04-18
什么是ARM64?
时间:2026-04-17
vga和hdmi的区别
时间:2026-04-17
什么是ESD?ESD及TVS的原理和应用
时间:2026-04-17
开关电源原理与维修完整版 (10)_标清视频
时间:2026-04-16
基于逻辑门的构成解释如何完成任意逻辑的管...
时间:2026-03-08
彩灯电路
时间:2026-03-05
NE555的有趣电路设计分享
时间:2026-03-08
三相异步电动机原理
时间:2026-03-04
三相异步电动机的拆装详讲
时间:2026-03-04
从0学电路,万用表演示测量三极管方法
时间:2026-03-08
电动机单线远程正反转控制电路图
时间:2026-03-04
光耦在电子电路中作用、关键参数详解
时间:2026-03-08
H桥电机驱动电路解析
时间:2026-03-08
转角测量电路
时间:2026-03-05