教室智能照明控制系统电路设计 —电路图天天...
时间:2026-03-07
一款新奇有趣的红外游戏枪电路
时间:2026-03-07
二极管在电路设计中的常见用途
时间:2026-03-07
揭秘AVR单片机高性能便携式仪表电路 —电路...
时间:2026-03-07
智能照明系统室内环境光采集电路图
时间:2026-03-07
智能汽车控制系统硬件电路设计
时间:2026-03-07
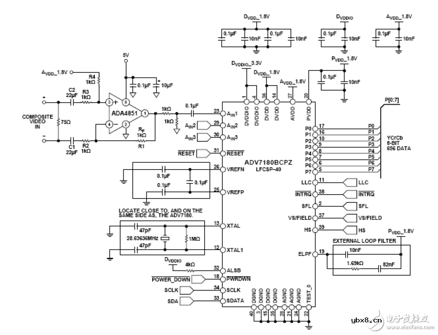
探究低成本解码差分视频接收器系统电路
时间:2026-03-07
解读两种机器视觉系统电路设计方案 —电路图...
时间:2026-03-07
解读MSP430F2274单片机设计的倒车雷达系统电...
时间:2026-03-07
机械手视觉系统外围电路设计攻略 —电路图天...
时间:2026-03-07
彩灯电路
时间:2026-03-05
三相异步电动机原理
时间:2026-03-04
三相异步电动机的七种调速方式
时间:2026-03-04
转角测量电路
时间:2026-03-05
经典的正弦波发生电路
时间:2026-03-05
电动机单线远程正反转控制电路图
时间:2026-03-04
USB转232电路图
时间:2026-03-04
电度表的工作原理
时间:2026-03-04
电风扇红外遥控器2
时间:2026-03-04
三相异步电动机的拆装详讲
时间:2026-03-04