燃烧液面显示器电路图
电工基础2026-03-07
利用液面高低不同所引起的电容量的变化,去控制单稳态电路IC2的工作状态,同时CI1的一半电路A做为振荡器输出也控制IC2,而IC2经Q端输出至IC1的输入端1A,然后由B端输出接频率计数器。图中74B可用国产T1013代替,74
高性能65 MHz带宽四通道中频接收机电路图
时间:2026-03-07
低电平V-I转换器:0V-5V输入至0uA-5uA输出
时间:2026-03-07
桥接负载V-I转换器:0.5-4.5V输入,+/-2A输出...
时间:2026-03-07
热电偶温度测量系统电路图,耗用电流低于50...
时间:2026-03-07
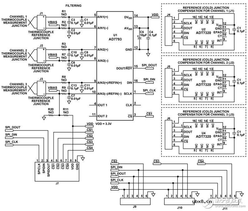
3通道热电偶温度测量系统,精度为0.25℃电路...
时间:2026-03-07
多功能采样和保持电路应用于工业和T&M电路...
时间:2026-03-07
通用LVDT信号调理电路图
时间:2026-03-07
高侧电流感测参考设计电路图
时间:2026-03-07
高电压高精度电流检测和输出电平转换电路图
时间:2026-03-07
利用单电源器件测量−48V高端电流电路图
时间:2026-03-07
彩灯电路
时间:2026-03-05
三相异步电动机原理
时间:2026-03-04
三相异步电动机的七种调速方式
时间:2026-03-04
转角测量电路
时间:2026-03-05
经典的正弦波发生电路
时间:2026-03-05
电动机单线远程正反转控制电路图
时间:2026-03-04
USB转232电路图
时间:2026-03-04
电度表的工作原理
时间:2026-03-04
电风扇红外遥控器2
时间:2026-03-04
三相异步电动机的拆装详讲
时间:2026-03-04