指明通行方向的光栅电路
电工基础2026-03-07
四位半液晶数显电压表原理图
电工基础2026-03-07
四位半数字电压表原理图
电工基础2026-03-07
四位半数字电压表原理及其电路图:
集成电路构成的光栅电路
电工基础2026-03-07
集成电路构成的光栅电路:
施密特触发器构成的光栅电路
电工基础2026-03-07
施密特触发器构成的光栅电路及其原理:
液晶显示用的CMOS驱动电路原理图
电工基础2026-03-07
液晶显示用的CMOS驱动电路原理图:
白炽灯中的光控开关电路
电工基础2026-03-07
常态下,交流电通过白炽灯、VD4~VD7整流桥、电阻R9组成的分压电路及VD3、C4组成的稳压电路形成回路,回路电流小于0.9mA,功耗小于0.2W,照明灯不亮。当声敏元件接收到声波后,声波信号转化为电信号,经IC1a、IC1
抑制50HZ的光放大器电路原理图
电工基础2026-03-07
抑制50HZ的光放大器电路原理及其电路:
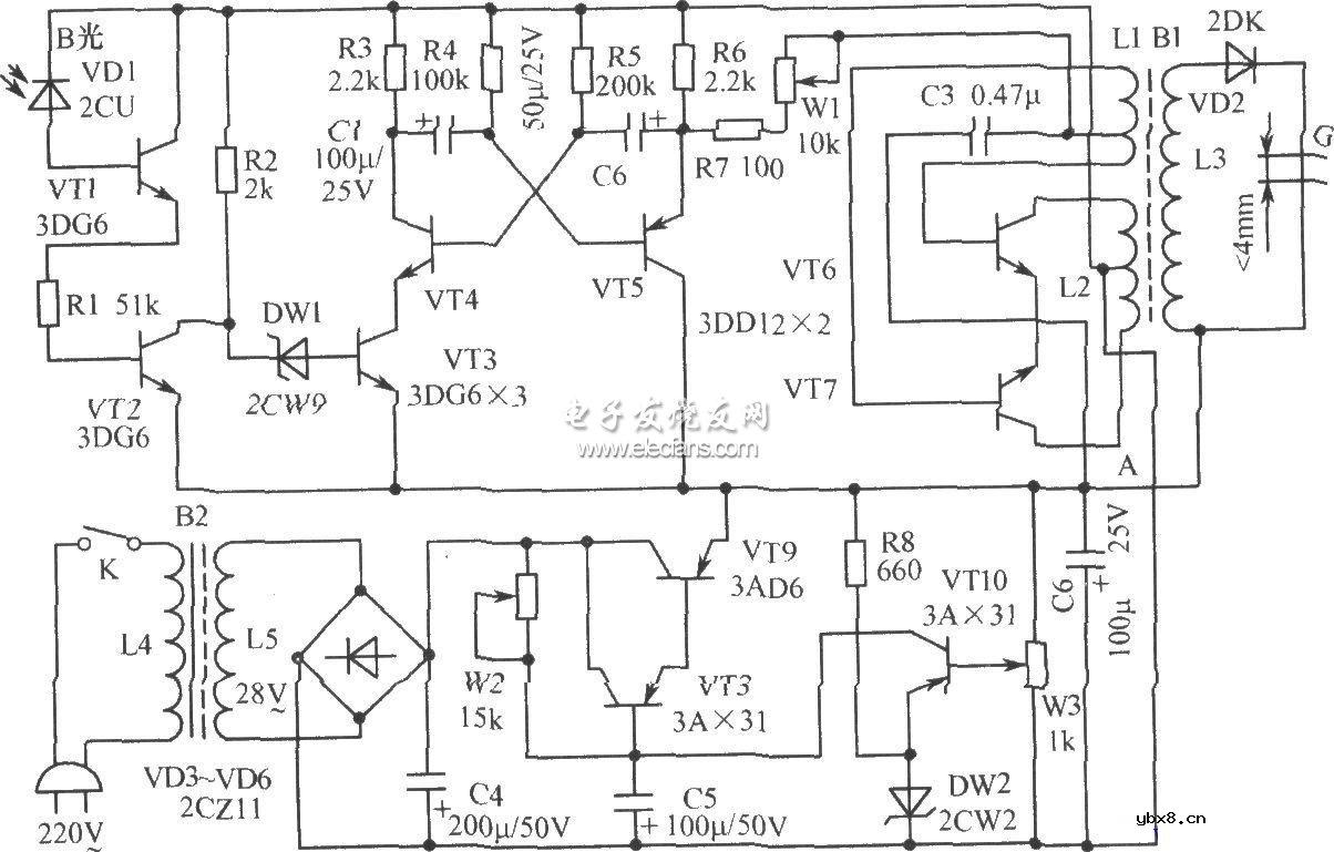
快速光栅电路图
电工基础2026-03-07
快速光栅电路原理及其电路图:
穿孔采样用光栅电路原理图
电工基础2026-03-07
穿孔采样用光栅电路原理图:
脉冲控制光栅电路原理图
电工基础2026-03-07
脉冲控制光栅电路原理及其电路图:
四位半LED计数电路
电工基础2026-03-07
四位半LED计数电路原理及其电路图:
交直演3位数字电压表原理图
电工基础2026-03-07
交直演3位数字电压表原理图:
遥控检测器电路
电工基础2026-03-07
电路原理:由IC、R3和R4、C1组成一个音频振荡器,其振荡频率由公式f=1.443/(R3 2R4)C1进行估算。该电路音频设置在580Hz左右。 平时,光敏三极管VT1没有受到光的作用时,其内部电阻很大,使得VT2截止,且IC的复位
室内空气净化装置电路
电工基础2026-03-07
将臭氧O3(一种强氧化剂)气体扩散至室内大气中,就能起到净化空气的作用。白天有光照时,无O3输出,电路不工作,晚上无光照射时产生O3气体,保持室内空气新鲜。室内空气净化装置电路:
带自锁功能的光控继电器开关电路图
电工基础2026-03-07
如图所示电路因用了达林顿型光敏三极管,故简化了放大电路,仅用一只3DG型晶体管即可驱动继电器。带自锁功能的光控继电器开关电路图:
16 位以上ADC电压参考电路图
时间:2026-03-07
低漂移高阻抗JFET直流电压表电路
时间:2026-03-07
DSB-SC调制器原理图
时间:2026-03-07
使用FET的压控衰减器(音量控制)电路
时间:2026-03-07
高功率负荷与接口逻辑电路
时间:2026-03-07
发声探测器/指示器原理图
时间:2026-03-07
使用HA2541放大器的维氏电桥(Wien-Bridge)振...
时间:2026-03-07
一种模拟乘法器原理图
时间:2026-03-07
一种压缩机电路
时间:2026-03-07
模拟平方计算器电路
时间:2026-03-07
彩灯电路
时间:2026-03-05
三相异步电动机原理
时间:2026-03-04
三相异步电动机的七种调速方式
时间:2026-03-04
转角测量电路
时间:2026-03-05
经典的正弦波发生电路
时间:2026-03-05
电动机单线远程正反转控制电路图
时间:2026-03-04
USB转232电路图
时间:2026-03-04
电度表的工作原理
时间:2026-03-04
电风扇红外遥控器2
时间:2026-03-04
三相异步电动机的拆装详讲
时间:2026-03-04