绝缘栅双极晶体管 IGBT 是第三代电力电子器件,安全工作,它集功率晶体管 GTR 和功率场效应管 MOSFET 的优点于一身,具有易于驱动、峰值电流容量大、自关断、开关频率高 (10-40 kHz) 的特点,是目前发展最为迅速的新一代电力电子器件。广泛应用于小体积、高效率的变频电源、电机调速、 UPS 及逆变焊机当中。 IGBT 的驱动和保护是其应用中的关键技术。在此根据长期使用 IGBT 的经验并参考有关文献对 IGBT 的门极驱动问题做了一些总结,希望对广大 IGBT 应用人员有一定的帮助。

1 IGBT 门极驱动要求
1.1 栅极驱动电压
因 IGBT 栅极 - 发射极阻抗大,故可使用 MOSFET 驱动技术进行驱动,但 IGBT 的输入电容较 MOSFET 大,所以 IGBT 的驱动偏压应比 MOSFET 驱动所需偏压强。图 1 是一个典型的例子。在 +20 ℃情况下,实测 60 A , 1200 V 以下的 IGBT 开通电压阀值为 5 ~ 6 V ,在实际使用时,为获得最小导通压降,应选取 Ugc ≥ (1.5 ~ 3)Uge(th) ,当 Uge 增加时,导通时集射电压 Uce 将减小,开通损耗随之减小,但在负载短路过程中 Uge 增加,集电极电流 Ic 也将随之增加,使得 IGBT 能承受短路损坏的脉宽变窄,因此 Ugc 的选择不应太大,这足以使 IGBT 完全饱和,同时也限制了短路电流及其所带来的应力 ( 在具有短路工作过程的设备中,如在电机中使用 IGBT 时, +Uge 在满足要求的情况下尽量选取最小值,以提高其耐短路能力 ) 。
1.2 对电源的要求
对于全桥或半桥电路来说,上下管的驱动电源要相互隔离,由于 IGBT 是电压控制器件,所需要的驱动功率很小,主要是对其内部几百至几千皮法的输入电容的充放电,要求能提供较大的瞬时电流,要使 IGBT 迅速关断,应尽量减小电源的内阻,并且为防止 IGBT 关断时产生的 du/dt 误使 IGBT 导通,应加上一个 -5 V 的关栅电压,以确保其完全可靠的关断 ( 过大的反向电压会造成 IGBT 栅射反向击穿,一般为 -2 ~-10 V 之间) 。
1.3 对驱动波形的要求
从减小损耗角度讲,门极驱动电压脉冲的上升沿和下降沿要尽量陡峭,前沿很陡的门极电压使 IGBT 快速开通,达到饱和的时间很短,因此可以降低开通损耗,同理,在 IGBT 关断时,陡峭的下降沿可以缩短关断时间,从而减小了关断损耗,发热量降低。但在实际使用中,过快的开通和关断在大电感负载情况下反而是不利的。因为在这种情况下, IGBT 过快的开通与关断将在电路中产生频率很高、幅值很大、脉宽很窄的尖峰电压 Ldi/dt ,并且这种尖峰很难被吸收掉。此电压有可能会造成 IGBT 或其他元器件被过压击穿而损坏。所以在选择驱动波形的上升和下降速度时,应根据电路中元件的耐压能力及 du/dt 吸收电路性能综合考虑。
1.4 对驱动功率的要求
由于 IGBT 的开关过程需要消耗一定的电源功率,最小峰值电流可由下式求出:
IGP = △ U ge /(R G +R g) ;
式中△ Uge=+Uge+|Uge| ; RG 是 IGBT 内部电阻; Rg 是栅极电阻。
驱动电源的平均功率为:
P AV =C ge △ Uge 2 f,
式中. f 为开关频率; Cge 为栅极电容。
1.5 栅极电阻
为改变控制脉冲的前后沿陡度和防止震荡,减小 IGBT 集电极的电压尖峰,应在 IGBT 栅极串上合适的电阻 Rg 。当 Rg 增大时, IGBT 导通时间延长,损耗发热加剧; Rg 减小时, di/dt 增高,可能产生误导通,使 IGBT 损坏。应根据 IGBT 的电流容量和电压额定值以及开关频率来选取 Rg 的数值。通常在几欧至几十欧之间 ( 在具体应用中,还应根据实际情况予以适当调整 ) 。另外为防止门极开路或门极损坏时主电路加电损坏 IGBT ,建议在栅射间加入一电阻 Rge ,阻值为 10 k Ω左右。
1.6 栅极布线要求
合理的栅极布线对防止潜在震荡,减小噪声干扰,保护 IGBT 正常工作有很大帮助。
a .布线时须将驱动器的输出级和 lGBT 之间的寄生电感减至最低 ( 把驱动回路包围的面积减到最小 ) ;
b .正确放置栅极驱动板或屏蔽驱动电路,防止功率电路和控制电路之间的耦合;
c .应使用辅助发射极端子连接驱动电路;
d .驱动电路输出不能和 IGBT 栅极直接相连时,应使用双绞线连接 (2 转/ cm) ;
e .栅极保护,箝位元件要尽量靠近栅射极。
1.7 隔离问题
由于功率 IGBT 在电力电子设备中多用于高压场合,所以驱动电路必须与整个控制电路在电位上完全隔离,主要的途径及其优缺点如表 1 所示。
表1 驱动电路与控制电路隔离的途径及优缺点
利用光电耦合器进行隔离
优点:体积小、结构简单、应用方便、输出脉宽不受限制,适用于 PWM 控制器
缺点
1 、共模干扰抑制不理想
2 、响应速度慢,在高频状态下应用受限制
3 、需要相互隔离的辅助电源
利用脉冲变压器进行隔离
优点:响应速度快,共模干扰抑制效果好
缺点:
1 、信号传送的最大脉冲宽度受磁芯饱和特性的限制,通常不大于 50 %,最小脉宽受磁化电流限制
2 、受漏感及集肤影响,加工工艺复杂
2 典型的门极驱动电路介绍
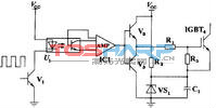
2.1 脉冲变压器驱动电路
脉冲变压器驱动电路如图 2 所示, V1 ~ V4 组成脉冲变压器一次侧驱动电路,通过控制 V1 、 V4 和 V2 、 V3 的轮流导通,将驱动脉冲加至变压器的一次侧,二次侧通过电阻 R1 与 IGBT5 栅极相连, R1 、 R2 防止 IGBT5 栅极开路并提供充放电回路, R1 上并联的二极管为加速二极管,用以提高 IGBT5 的开关速度,稳压二极管 VS1 、 VS2 的作用是限制加在 IGBT5g-e 端的电压,避免过高的栅射电压击穿栅极。栅射电压一般不应超过 20 V 。

图 2 脉冲变压器驱动电路
2.2 光耦隔离驱动电路
光耦隔离驱动电路如图 3 所示。由于 IGBT 是高速器件,所选用的光耦必须是小延时的高速型光耦,由 PWM 控制器输出的方波信号加在三极管 V1 的基极, V1 驱动光耦将脉冲传递至整形放大电路 IC1 ,经 IC1 放大后驱动由 V2 、 V3 组成的对管 (V2 、 V3 应选择β >100 的开关管 ) 。对管的输出经电阻 R1 驱动 IGBT4 , R3 为栅射结保护电阻, R2 与稳压管 VS1 构成负偏压产生电路, VS1 通常选用 1 W/5.1 V 的稳压管。此电路的特点是只用 1 组供电就能输出正负驱动脉冲,使电路比较简洁。

图 3 光耦隔离驱动电路
2.3 驱动模块构成的驱动电路
应用成品驱动模块电路来驱动 IGBT ,可以大大提高设备的可靠性,目前市场上可以买到的驱动模块主要有:富士的 EXB840、841,三菱的 M57962L,落木源的KA101、KA102,惠普的 HCPL316J、3120 等。这类模块均具备过流软关断、高速光耦隔离、欠压锁定、故障信号输出功能。由于这类模块具有保护功能完善、免调试、可靠性高的优点,所以应用这类模块驱动 IGBT 可以缩短产品开发周期,提高产品可靠性。 EXB840 和 M57962 很多资料都有介绍,KA101和KA102的资料可以查看网站http://www.pwrdriver.com/product/ka101.php,这里就简要介绍一下惠普公司的 HCPL316J 。典型电路如图 4 所示。

图 4 由驱动模块构成的驱动电路
HCPL316J 可以驱动 150 A/1200 V 的 IGBT ,光耦隔离, COMS/TTL 电平兼容,过流软关断,最大开关速度 500 ns ,工作电压 15 ~ 30 V ,欠压保护。输出部分为三重复合达林顿管,集电极开路输出。采用标准 SOL-16 表面贴装。
HCPL316J 输入、输出部分各自排列在集成电路的两边,由 PWM 电路产生的控制信号加在 316j 的第 1 脚,输入部分需要 1 个 5 V 电源, RESET 脚低电平有效,故障信号输出由第 6 脚送至 PWM 的关闭端,在发生过流情况时及时关闭 PWM 输出。输出部分采用 +15 V 和 -5 V 双电源供电,用于产生正负脉冲输出, 14 脚为过流检测端,通过二极管 VDDESAT 检测 IGBT 集电极电压,在 IGBT 导通时,如果集电极电压超过 7 V ,则认为是发生了过流现象, HCPL316J 慢速关断 IGBT ,同时由第 6 脚送出过流信号。
3 结语
通过对 IGBT 门极驱动特点的分析及典型应用电路的介绍,使大家对 IGBT 的应用有一定的了解。可作为设计 IGBT 驱动电路的参考。
RS485基本知识介绍
时间:2026-04-18
什么是激光雷达?激光雷达的构成与分类
时间:2026-04-18
Excelpoint - 一文了解SiC MOS的应用
时间:2026-04-18
什么是磁电阻器?磁电阻特性及应用
时间:2026-04-18
什么是电场?电场在电容器中的应用
时间:2026-04-18
什么是ARM64?
时间:2026-04-17
vga和hdmi的区别
时间:2026-04-17
什么是ESD?ESD及TVS的原理和应用
时间:2026-04-17
开关电源原理与维修完整版 (10)_标清视频
时间:2026-04-16
开关电源原理与维修完整版 (11)_标清视频
时间:2026-04-16
半导体光刻工艺 光刻—半导体电路的绘制
时间:2026-03-09
石英灯电子变压器电路原理
时间:2026-03-06
北京理工大学实现了光导型向平面光伏型量子...
时间:2026-03-09
HTCC:半导体封装的理想方式
时间:2026-03-06
什么是硅片或者晶圆?一文了解半导体硅晶圆
时间:2026-03-09
什么是室温超导?半导体时代将走向结束?芯...
时间:2026-03-09
如何利用可扩展的柔性中间层制备超低模量电...
时间:2026-03-09
光伏控制器简介
时间:2026-03-06
电阻的原理和作用 电阻色环识别图 电路中电...
时间:2026-03-09
玻璃釉电容器的结构与特点
时间:2026-03-05