太阳能是一种辐射能,它必须借助于能量转换器才能转换成为电能。这种把光能转换成电能的能量转换器,就是光伏电池。光伏电池能量转换的基础是半导体P-N结的光生伏打效应。所谓光生伏打效应,简言之,就是当物体受到光照时,物体内的电荷分布状态发生变化而产生电动势和电流的一种效应。
1、光伏电池等效模型
在电路闭合状态下,光伏电池受光的照射便产生电流。这个电流随着光强的增加而增大,当接受的光强度一定时,可以将光伏电池看作恒流电源。光伏电池可看作P-N结型二极管,在光的照射下产生正向偏压,所以在P-N结为理想状态的情况下,可等效为电流源和一个理想二极管的并联电路。但是在实际的光伏电池中,由于电池表面和背面的电极,以及材料本身具有一定的电阻率,流经负载的电流经过它们时,必然引起损耗,在等效电路中可将它们的总效果用一个串联电阻Rs来表示;同时,由于电池边沿的漏电,在电池的微裂痕、划痕等处形成的金属桥漏电等,使一部分本该通过负载的电流短路,这种作用可用一个并联电阻Rsh来等效表示。
2、常见光伏电池最大功率跟踪算法
最大功率跟踪算法可以分为两大类:非自寻优算法和自寻优算法。非自寻优算法是要根据光伏系统外界环境的因素,如光照和温度等,对这些因素或做出检测或做适当补偿,然后对最大功率点做出判断,典型的算法有拟合曲线法和恒定电压控制法。自寻优的算法,则不直接检测光伏系统外界环境因素的变化,也不作温度等的补偿,而是根据直接检测到的光伏方阵的电流电压数据,实现最大功率跟踪,最典型的算法是扰动观察法和增量电导法。
拟合曲线法是利用预先测出的光伏方阵的特性曲线,得出比较精确的数学函数,或者将曲线以表的形式存储在微处理器内,工作时系统测试出温度和辐射强度,根据温度和辐射强度的信息,再利用计算或者查表的方法得出光伏方阵的最大功率点。这种算法需要测量温度和辐照度,增加系统的复杂度,而且光伏方阵随着时间的推移,它的特性也会发生一定的变化,而且这些变化往往是非线性的。另外,测量的温度和辐照度必须是光伏方阵周围的值,检测的位置必须合理。基于上面提到的原因,这种方法实现起来比较困难,因此在实际中很少使用。
2.1、恒定电压法
当温度一定时,不同光强下太阳电池板的最大功率点几乎落在同一根垂直线的两侧邻近,这就有可能把最大功率线近似地看成电压V为常数的一根垂直线,使光伏电池工作于某一个固定的电压,这就是恒压跟踪(CVT)法,它是一种近似最大功率跟踪方法。这种方法以一个最通常的气候条件下的最大功率点为基准,认为光伏方阵的最大功率点就在该基准的附近,这样以这个基准为控制目标就可以使光伏方阵上作在最大功率点附近。实际应用中温度是变化的,所以有些系统加入了温度补偿,对基准最大功率点进行修正,有些系统根据季节的变化人为地做出相应的调整。这种方法简单可靠,被广泛使用,但是它只能大约的估计出最大功率点,准确性较差,而且系统的配置也不够灵活,特定的平衡系统,需要相同的光伏方阵配置。适合于应用在光伏电池路灯等小功率光伏系统中。
2.2、扰动观察法
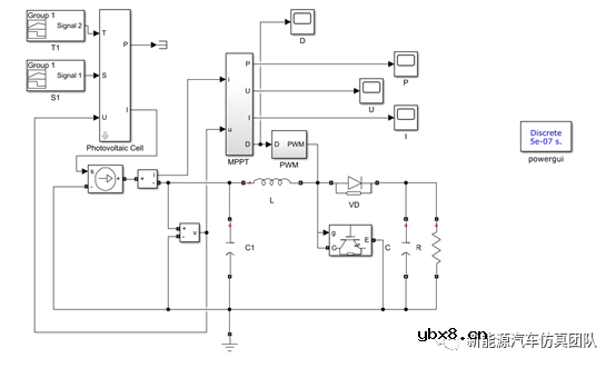
扰动观察法的实现原理是测量当前阵列输出功率,然后在原输出电压上增加一个小电压分量(或称之为扰动),其输出功率会相应发生改变,测量出改变后的功率,比较改变前的即可知道功率变化的方向。如果功率增大就继续原扰动方向。如果减小则改变原扰动方向。如果电压增加了,功率也增加了,或者电压减小了,功率也减小了,说明工作点位于最大功率点的左侧,下一步需要增加电压;如果电压增加了,而功率减小了,或者电压减小了,功率增加了,说明工作点位于最大功率点的右侧,需要减小电压。其最后的结果是工作点在最大功率点附近来回振荡。下图为是温度保持25℃不变,0.1s时光照强度由1000W/m2瞬间下降到800W/m2的情况。


下图是光照强度保持1000W/m2不变,0.1s时温度由25℃瞬间上升到45℃的情况。


2.3、增量电导法
增量电导法是通过比较太阳能电池阵列的瞬时导抗与导抗的变化量的方法来完成最大功率点跟踪的功能。电导增量法是多种最大功率跟踪方法中跟踪准确性最高的一种方法,可以使系统在环境快速变化的情况下具有良好的跟踪性能。增量电导法通过设定一些很小的变化阀值,使太阳能光伏方阵最后稳定在最大功率点附近的某个点,而不是来回的跳动。在理想情况下,如果阀值设定比较合适,系统稳定在某一点,当从一个稳态过渡到另外一个稳态时,例如在上面光照变化的例子中,增量电导法根据电流的变化能够做出正确的判断,不会出现一次误判断的过程。增量电导法存在的问题是实际的太阳能光伏方阵可能存在一个局部的功率最大点,这种算法可能导致系统稳定在一个局部最优点。下图是温度保持25℃不变,0.1s时光照强度由1000W/m2瞬间下降到800W/m2的情况。


下图是是光照强度保持1000W/m2不变,0.1s时温度由25℃瞬间上升到45℃的情况。


本期主要带来光伏电池,最大功率跟踪算法的介绍。
电芯、电池模组和电池包三者有什么区别?如...
时间:2026-03-22
电池怎么做绝缘处理?电池模组绝缘片起到什...
时间:2026-03-22
电池模组绝缘片的制造工艺有哪些,它们对电...
时间:2026-03-22
亿纬锂能麟驹系列电动两轮车电池首批发货仪...
时间:2026-03-22
在电池模组中,除了绝缘片,还有哪些措施可...
时间:2026-03-22
深度解读广汽全固态电池技术
时间:2026-03-22
广汽科技全固态电池与无图纯视觉智驾引领智...
时间:2026-03-22
天合光能新一代柔性储能电池舱Elementa 2真...
时间:2026-03-22
锂电池和超级电容器哪个更耐用
时间:2026-03-22
“固态电池”和“半固态电池”是水火不容吗...
时间:2026-03-22
住宅小区负荷与变压器容量的选择技巧
时间:2026-03-06
光伏控制器简介
时间:2026-03-06
石英灯电子变压器电路原理
时间:2026-03-06
变压器并列运行的条件浅析
时间:2026-03-06
玻璃釉电容器的结构与特点
时间:2026-03-05
电阻的标称阻值和允许偏差
时间:2026-03-05
三极管的主要参数
时间:2026-03-07
HTCC:半导体封装的理想方式
时间:2026-03-06
半导体三极管的技术参数
时间:2026-03-07
碳膜电阻如何识别_金属膜电阻器和碳膜电阻器...
时间:2026-03-05