通俗的区分是档位不同,PC817分A,B,C,D,书面上称为电流传输比(CTR)不同。
PC817B系列产品是近段时间浮出水面的引起业内人士广泛关注的一种新的光电耦合器。基于自身体积小、寿命长、无触点、可靠性高、抗干扰能力强等优点,PC817B光电耦合器已经被广泛应用于电压自动增益回路和稳压电路,以及光电测试电路和光控制电路中。
pc817是常用的线性光藕,在各种要求比较精密的功能电路中常常被当作耦合器件,具有上下级电路完全隔离的作用,相互不产生影响。

1、电流传输比 (CTR: MIN. 50% at IF=5mA ,VCE=5V)
2、高隔离电压:5000V有效值
3、紧凑型双列直插封装,PC817为单通道光耦,PC827为双通道光耦,PC837为三通道,PC847为四通道光耦。
4、线性光耦元件。
当输入端加电信号时,发光器发出光线,照射在受光器上,受光器接受光线后导通,产生光电流从输出端输出,从而实现了“电-光-电”的转换。
普通光电耦合器只能传输数字信号(开关信号),不适合传输模拟信号。线性光电耦合器是一种新型的光电隔离器件,能够传输连续变化的模拟电压或电流信号,这样随着输入信号的强弱变化会产生相应的光信号,从而使光敏晶体管的导通程度也不同,输出的电压或电流也随之不同。
PC817光电耦合器不但可以起到反馈作用还可以起到隔离作用。

1.用万用表电阻挡(Rx1至RX1k 挡均可) 测输入端口2脚内部发光二极管是否为好(判断方法同普通二极管),并确定其正负极。
2.用Rx1k 挡测输出端3)4)脚内部光敏三极管发射极和集电极间的正、反向电阻均应为∞。否则为损坏。
3.取一只容值为1000~3300pF 的电解电容(容值越大,效果越好)。用Rx1k挡对其充电。充电完毕后,将万用表置Rx1k 挡,且黑笔接脚4、红笔接脚3,然后用已充电电容对1.2脚放电(正极接脚口、负极按脚2))。放电瞬间,若表针迅速右摆,然后先快后缓慢地回到最左端∞ 处(此现象由电容的放电特性决定),则说明输入和输出之间的光电耦合特性是良好的。否则光电耦合器性能不良。

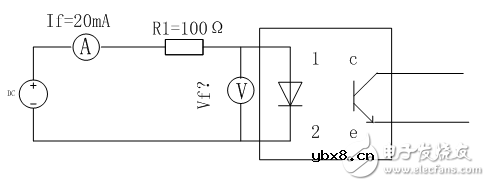
1.正向压降:1、2脚带载,If=20mA,用万用表测试1、2脚压降Vf≤1.4V。

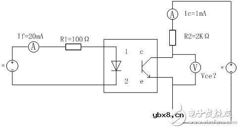
2.饱和压降:1、2脚带载If=20mA,3、4脚带载Ic=1mA,用万用表测试3、4脚压降Vce≤0.2V。

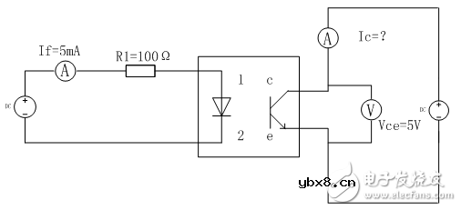
3.集电极电流Ic:1、2脚带载,If=5mA,3、4脚加Vce=5V,测试Ic电流。

4.电流转换比CTR:同3集电极电流IC测试方法,1、2脚带载,If=5mA,3、4脚加Vce=5V,测试Ic电流。
CTR=Ic/If*100%。
TLP521和6N136,正负边一般使用多大的电阻
时间:2026-03-23
PLC晶体管输出和继电器输出的区别
时间:2026-03-23
TLP280-4(GB-TP,J,F)的参数
时间:2026-03-23
4通道光耦 PS2801-4(NEC2801-4), 2011年价格...
时间:2026-03-23
TOSHIBA晶体管输出光电耦合器,TLP127,2011年...
时间:2026-03-23
光宝光耦LTV-847崛起,热卖型号
时间:2026-03-23
遇到光耦的异常情况需注意的几个方面
时间:2026-03-23
目前绝缘栅器件(IGBT)驱动技术现状
时间:2026-03-23
浅析IGBT驱动
时间:2026-03-23
输出高达2A且带过流保护的IGBT驱动光耦HCPL...
时间:2026-03-23
住宅小区负荷与变压器容量的选择技巧
时间:2026-03-06
石英灯电子变压器电路原理
时间:2026-03-06
玻璃釉电容器的结构与特点
时间:2026-03-05
光伏控制器简介
时间:2026-03-06
三极管的主要参数
时间:2026-03-07
HTCC:半导体封装的理想方式
时间:2026-03-06
变压器并列运行的条件浅析
时间:2026-03-06
电阻的标称阻值和允许偏差
时间:2026-03-05
半导体三极管的技术参数
时间:2026-03-07
贴片电阻怎么看阻值
时间:2026-03-05