RS485是一种常用的数据通信协议,广泛应用于工业控制系统、楼宇自动化、安防系统等领域。
01什么是485隔离电路?
在某些应用中,为了防止电气噪声干扰或电气冲击,需要对RS485接口进行隔离。RS485电路可以分为非隔离型和隔离型。隔离型电路是在非隔离型电路的基础上增加隔离性能,能够使电路具有更强的抗干扰性和系统稳定性。

以下情况需要485隔离:
1.当RS485外部接口连接高电压时,容易损坏后端电路,甚至在使用端产生触电。
2.当RS485的通信节点距离太远时,每个节点的参考地都接于本地的大地,当两端大地之间存在较大的压差时,地电势会以共模电压的方式叠加在信号线上,可能超出端口可承受的共模电压范围,影响正常通信,甚至会损坏后端电路。
3.当相距较远的485通信节点之间的地平面利用线缆进行连接时,地线会与大地形成地环路,同时耦合外部共模噪声,产生地环路电流,可能会导致整个电路系统失效。
02哪些方法可以实现485隔离?
想要做到485电路上的隔离需要采用隔离器件,如光耦隔离器、磁隔离器、隔离芯片等。光耦隔离器是最常用的隔离器件,且成本较低。光耦的速率要满足波特率的要求,一般选择高速光耦做485隔离。隔离芯片相对于光耦,PCB面积更小,但成本也更高。常使用的隔离芯片方案一般有专用数字隔离芯片、集成式485隔离芯片和带电源的隔离芯片。
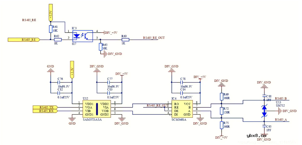
1.光耦隔离
光耦隔离通信速率较低,因此一般选择高速光耦做485隔离。光耦隔离占用的PCB面积大,但成本较低。

光耦隔离方案参考电路图
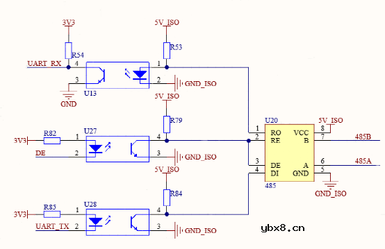
2.集成式485隔离芯片
集成式485隔离芯片,隔离芯片和485电平转换芯片集成在一起,如TI的ISO1410、ADI的ADM2483、纳芯微的NSi83085等。该方案占用PCB面积最小,通讯速率适中,价格适中,能满足大部分应用。

集成式485隔离芯片方案参考电路图
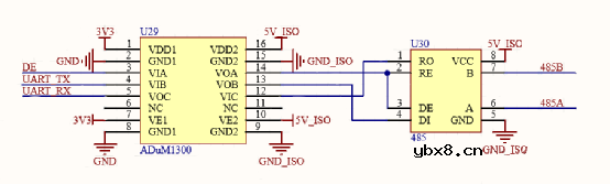
3.专用数字隔离芯片
专用的数字隔离芯片通信速率快,且相对于光耦,占用PCB面积更小,但成本相对较高。

专用数字隔离芯片方案参考电路图
4.带电源的隔离芯片
前三种隔离方案都是采用单独的隔离电源模块,而带电源的隔离芯片集成隔离电源功能,在芯片中实现电源隔离和信号隔离。该芯片可对外提供3.3V或5V电源,输出电流可达几十到100mA,可以给通用的485电平转换芯片供电。带电源的隔离芯片与专用数字隔离芯片方案类似,只是不再需要单独的隔离电源,占用PCB面积进一步减少,但成本较高。

具体实现步骤如下:
1.使用隔离器:首先,需要选择一款适合的隔离器。常见的RS485隔离器有ADI的ADM2483、TI的ISO3082等。这些隔离器通常集成了RS485收发器和隔离电源,可以提供高达2500V的隔离电压。
2.电源设计:隔离器需要两个独立的电源,一个用于隔离前的电路(如MCU),一个用于隔离后的电路(如RS485总线)。隔离电源可以使用隔离型DC-DC转换器来实现。
3.接口设计:RS485接口通常需要一个120欧姆的终端电阻,用于抑制信号反射。此外,还可以添加TVS二极管和磁珠,用于防止静电放电和滤除高频噪声。
4.布线设计:为了减少电磁干扰,RS485的A、B线应该尽可能地走在一起,且尽量远离高速或高电流的信号线。
5.软件设计:在软件中,需要正确设置RS485收发器的工作模式(如半双工或全双工),并根据需要设置数据速率、数据位、停止位和校验位。
我们需要注意的是,具体的设计可能还需要根据实际的应用需求和环境条件进行调整。同时还需要注意隔离器件的选型和质量,确保隔离电路的稳定性和可靠性。
03485隔离电路的作用
提高通信的可靠性和稳定性:隔离电路可以防止电气噪声和电气冲击对系统造成干扰,从而提高系统的可靠性和稳定性。
保护设备安全:防止高电压冲击对设备造成损坏,从而保护设备的安全。
提高信号质量:隔离电路可以减少信号传输过程中的干扰,从而提高信号的质量。
扩展系统距离:RS485接口可以支持长距离的数据传输,而隔离电路可以进一步扩展这个距离。
提高系统灵活性:使得系统在设计和布局上更加灵活,可以根据需要将设备放置在不同的位置。且RS485隔离电路方案可以与各种设备和系统兼容,方便系统的集成和扩展。
避免地环路:防止地环路的产生,从而避免因地环路引起的电流过大而损坏设备。
从安全性的角度来说,RS485隔离电路方案可以提高系统的可靠性、安全性和灵活性,是工业控制系统、楼宇自动化、智能仪表和安防系统等领域的理想选择。
审核编辑:汤梓红
RT809F、RT809H编程器:笔记本EC在线读写KB...
时间:2026-03-23
eMMC RPMB分区介绍
时间:2026-03-23
NorFlash、NandFlash、eMMC闪存的比较与区别
时间:2026-03-23
RT809H编程器教程:康佳RTD2995方案厂家升级...
时间:2026-03-23
液晶电视串口刷机或查看打印信息常用接口介...
时间:2026-03-23
VGA线针脚定义与规格,编程器刷机线、3+2、...
时间:2026-03-23
RT809H编程器:创维8R96机芯RTD2992打印信息...
时间:2026-03-23
RT300M(V2.0)新款超高亮度LED智能测试仪使用...
时间:2026-03-23
eMMC芯片在线读写寻找关键点的方法与步骤
时间:2026-03-23
RT809H教程:变频空调控制板MCU读写方法操作...
时间:2026-03-23
住宅小区负荷与变压器容量的选择技巧
时间:2026-03-06
石英灯电子变压器电路原理
时间:2026-03-06
玻璃釉电容器的结构与特点
时间:2026-03-05
光伏控制器简介
时间:2026-03-06
三极管的主要参数
时间:2026-03-07
HTCC:半导体封装的理想方式
时间:2026-03-06
变压器并列运行的条件浅析
时间:2026-03-06
电阻的标称阻值和允许偏差
时间:2026-03-05
半导体三极管的技术参数
时间:2026-03-07
贴片电阻怎么看阻值
时间:2026-03-05