本文主要是关于光耦的相关介绍,并着重对光耦的开关作用及其限位开关进行了详尽的阐述。
光耦的两输入脚加电后内部发光使两输出脚导通,两个输出脚可以直接做开关的两个触电吗? 回复: 光耦主要做电气隔离用,有两种类型,一种是开关型的(常用),一种是线性的(少用)。 开关型的,本身就是做隔离开关用,但是其输出的电流有限,通常只有几十mA的水平,不能控制功率型的负载, 如有功率型负载,则中间需要用继电器转接,由继电器完成大功率的控制。你说的能否直接代替触点,要对应输出功率来判别。 主要看你作开关时,需要通过的电流(一般几十mA),另外电流方向也是单向的。所以一般低电压,低电流的原件可以直接用光耦控制。
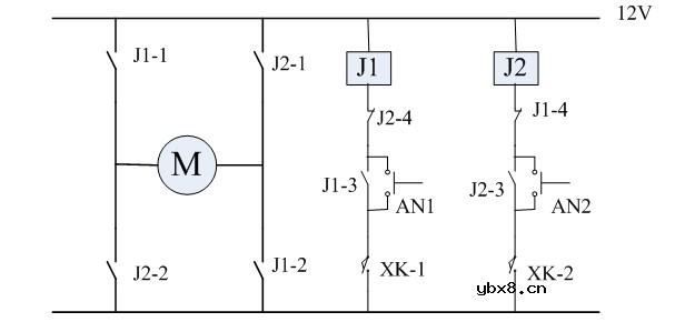
用光耦做限位开关的步骤:
1、先两两测出光耦三条线的阻值,记住最大值的两条线及其阻值,第三条线就是主、副的连接点;
2、分别测出光耦接点与两端的阻值(这两个阻值之和必须等于上述的最大值)。其中阻值较小的是主绕组,阻值较大的是副绕组。
与电容串联的那个绕组接头就是副绕组。 设副绕组电阻为R1,主绕组电阻为R2, 则 R1》R2。(主绕组功率大,电阻小) 用万用表测量比较三个端子中每次两个端子之间的电阻值,先寻找火线通过电容连接的副绕组接头端子:其和另外两个端子之间电阻有最大值(R1串联R2),和第二大值R1)剩下二个端子中找到有最小阻值R2和第二小阻值R1的那个即为接零线的端子,也就是主绕组和副绕组的公共端子。这样完成了限位开关的制作。

一、光耦开关常见的几种连接方式及其工作原理
常用于反馈的光耦型号有TLP521、PC817等。这里以TLP521为例,介绍这类光耦的特性。
TLP521的原边相当于一个发光二极管,原边电流If越大,光强越强,副边三极管的电流Ic越大。副边三极管电流Ic与原边二极管电流If的比值称为光耦的电流放大系数,该系数随温度变化而变化,且受温度影响较大。作反馈用的光耦正是利用“原边电流变化将导致副边电流变化”来实现反馈,因此在环境温度变化剧烈的场合,由于放大系数的温漂比较大,应尽量不通过光耦实现反馈。此外,使用这类光耦必须注意设计外围参数,使其工作在比较宽的线性带内,否则电路对运行参数的敏感度太强,不利于电路的稳定工作。
通常选择TL431结合TLP521进行反馈。这时,TL431的工作原理相当于一个内部基准为2.5V的电压误差放大器,所以在其1脚与3脚之间,要接补偿网络。
常见的光耦反馈第1种接法,Vo为输出电压,Vd为芯片的供电电压。com信号接芯片的误差放大器输出脚,或者把PWM芯片(如UC3525)的内部电压误差放大器接成同相放大器形式,com信号则接到其对应的同相端引脚。注意左边的地为输出电压地,右边的地为芯片供电电压地,两者之间用光耦隔离。
图1所示接法的工作原理如下:当输出电压升高时,TL431的1脚(相当于电压误差放大器的反向输入端)电压上升,3脚(相当于电压误差放大器的输出脚)电压下降,光耦TLP521的原边电流If增大,光耦的另一端输出电流Ic增大,电阻R4上的电压降增大,com引脚电压下降,占空比减小,输出电压减小;反之,当输出电压降低时,调节过程类似。开关电源中光耦的作用
常见的第2种接法,如图2所示。与第1种接法不同的是,该接法中光耦的第4脚直接接到芯片的误差放大器输出端,而芯片内部的电压误差放大器必须接成同相端电位高于反相端电位的形式,利用运放的一种特性——当运放输出电流过大(超过运放电流输出能力)时,运放的输出电压值将下降,输出电流越大,输出电压下降越多。因此,采用这种接法的电路,一定要把PWM芯片的误差放大器的两个输入引脚接到固定电位上,且必须是同向端电位高于反向端电位,使误差放大器初始输出电压为高。
图2所示接法的工作原理是:当输出电压升高时,原边电流If增大,输出电流Ic增大,由于Ic已经超过了电压误差放大器的电流输出能力,com脚电压下降,占空比减小,输出电压减小;反之,当输出电压下降时,调节过程类似。
二、光耦的开关作用
⑴ 在逻辑电路上的应用
⑵ 作为固体开关应用
⑶ 在触发电路上的应用
⑷ 在脉冲放大电路中的应用
光电耦合器应用于数字电路,可以将脉冲信号进行放大。
⑸ 在线性电路上的应用
⑹ 特殊场合的应用。
光耦的开关作用旗下也包含了很多方面的作用,比如常见的电路领域的应用,或者是作为固体开关应用等等,它们都可以起到控制调节的效果,所以光耦开关相对而言也是极为关键的部件。
一、电路中为什么要使用光耦器件?
电气隔离的要求。A与B电路之间,要进行信号的传输,但两电路之间由于供电级别过于悬殊,一路为数百伏,另一路为仅为几伏;两种差异巨大的供电系统,无法将电源共用;
A电路与强电有联系,人体接触有触电危险,需予以隔离。而B线路板为人体经常接触的部分,也不应该将危险高电压混入到一起。两者之间,既要完成信号传输,又必须进行电气隔离;
运放电路等高阻抗型器件的采用,和电路对模拟的微弱的电压信号的传输,使得对电路的抗干扰处理成为一件比较麻烦的事情——从各个途径混入的噪声干扰,有可能反客为主,将有用信号“淹没”掉;
除了考虑人体接触的安全,又必须考虑到电路器件的安全,当光电耦合器件输入侧受到强电压(场)冲击损坏时,因光耦的隔离作用,输出侧电路却能安全无恙。
以上四个方面的原因,促成了光耦器件的研制、开发和实际应用。光耦的基本作用,是将输入、输出侧电路进行有效的电气上的隔离;能以光形式传输信号;有较好的抗干扰效果;输出侧电路能在一定程度上得以避免强电压的引入和冲击。
二、光电耦合器件的一般属性:
1、结构特点:输入侧一般采用发光二极管,输出侧采用光敏晶体管、集成电路等多种形式,对信号实施电-光-电的转换与传输。
2、输入、输出侧之间有光的传输,而无电的直接联系。输入信号的有无和强弱控制了发光二极管的发光强度,而输出侧接受光信号,据感光强度,输出电压或电流信号。
3、输入、输出侧有较高的电气隔离度,隔离电压一般达2000V以上。能对交、直流信号进行传输,输出侧有一定的电流输出能力,有的可直接拖动小型继电器。特殊型光耦器件能对毫伏,甚至微伏级交、直流信号进行线性传输。
4、因光耦的结构特性,输入、输出侧需要相互隔离的独立供电电源,即需两路无“共地”点的供电电源。下述一、二类光耦输入侧由信号电压提供了输入电流通路,但实质上输入信号回路,也是有一个供电支路的;而线性光耦,则输入侧与输出侧一样,是直接接有两种相隔离的供电电源的。
三、在变频器电路中,经常用到的光电耦合器件,有三种类型:
1、一种为三极管型光电耦合器,如PC816、PC817、4N35等,常用于开关电源电路的输出电压采样和误差电压放大电路,也应用于变频器控制端子的数字信号输入回路。结构最为简单,输入侧由一只发光二极管,输出侧由一只光敏三极管构成,主要用于对开关量信号的隔离与传输;
2、第二种为集成电路型光电耦合器,如6N137、HCPL2601等,输入侧发光管采用了延迟效应低微的新型发光材料,输出侧为门电路和肖基特晶体管构成,使工作性能大为提高。其频率响应速度比三极管型光电耦合器大为提高,在变频器的故障检测电路和开关电源电路中也有应用;
3、第三种为线性光电耦合器,如A7840。结构与性能与前两种光耦器件大有不同。在电路中主要用于对mV级微弱的模拟信号进行线性传输,在变频器电路中,往往用于输出电流的采样与放大处理、主回路直流电压的采样与放大处理。
测量方法:
1,数字表二极管档,测量输入侧正向压降为1.2V,反向无穷大。输出侧正、反压降或电阻值均接近无穷大;
2,指针表的x10k电阻档,测其1、2脚,有明显的正、反电阻差异,正向电阻约为几十kΩ,反向电阻无穷大;3、4脚正、反向电阻无穷大;
两表测量法。
1,用指针式万用表的x10k电阻档(能提供15V 或9V、几十μA的电流输出),正向接通1、2脚(黑笔搭1脚),用另一表的电阻档用x1k测量3、4脚的电阻值,当1、2脚表笔接入时,3、4脚之间呈现20kΩ左右的电阻值,脱开1、2脚的表笔,3、4脚间电阻为无穷大。
2,可用一个直流电源串入电阻,将输入电流限制在10mA以内。输入电路接通时,3、4脚电阻为通路状态,输入电路开路时,3、4脚电阻值无穷大。3、4种测量方法比较准确,如用同型号光耦器件相比较,甚至可检测出失效器件(如输出侧电阻过大)。
关于光耦的相关介绍就到这了,希望本文能对你有所帮助。
RT809F、RT809H编程器:笔记本EC在线读写KB...
时间:2026-03-23
eMMC RPMB分区介绍
时间:2026-03-23
NorFlash、NandFlash、eMMC闪存的比较与区别
时间:2026-03-23
RT809H编程器教程:康佳RTD2995方案厂家升级...
时间:2026-03-23
液晶电视串口刷机或查看打印信息常用接口介...
时间:2026-03-23
VGA线针脚定义与规格,编程器刷机线、3+2、...
时间:2026-03-23
RT809H编程器:创维8R96机芯RTD2992打印信息...
时间:2026-03-23
RT300M(V2.0)新款超高亮度LED智能测试仪使用...
时间:2026-03-23
eMMC芯片在线读写寻找关键点的方法与步骤
时间:2026-03-23
RT809H教程:变频空调控制板MCU读写方法操作...
时间:2026-03-23
住宅小区负荷与变压器容量的选择技巧
时间:2026-03-06
石英灯电子变压器电路原理
时间:2026-03-06
玻璃釉电容器的结构与特点
时间:2026-03-05
光伏控制器简介
时间:2026-03-06
三极管的主要参数
时间:2026-03-07
HTCC:半导体封装的理想方式
时间:2026-03-06
变压器并列运行的条件浅析
时间:2026-03-06
电阻的标称阻值和允许偏差
时间:2026-03-05
半导体三极管的技术参数
时间:2026-03-07
贴片电阻怎么看阻值
时间:2026-03-05