基于STM32单片机的化工厂系统
一.系统设计
整个系统以STM32 单片机作为核心控制器,通过DHT11检测温湿度,通过CO传感器检测CO浓度,通过火焰传感器检测火焰,通过红外传感器检测人,通过RFID模块检测刷卡,检测到的数据通过OLED显示并通过无线传输模块上传数据到手机APP,通过继电器控制水阀,通过蜂鸣器报警。

图1 系统框图
二.硬件设计
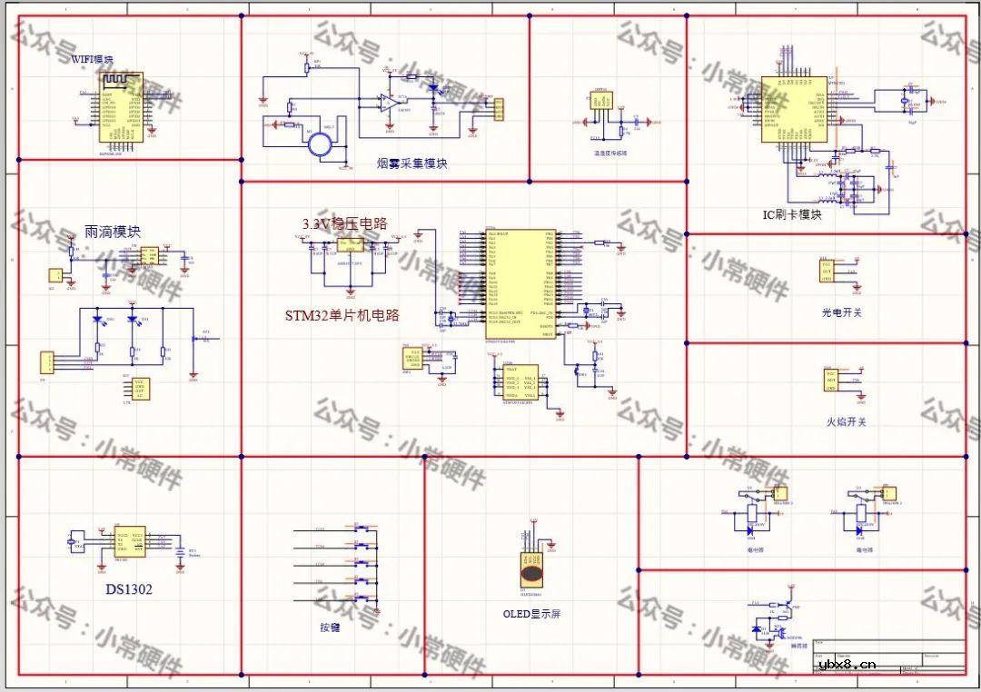
本设计所采用的STM32F103C8T6是以Cortex-3为核心的单片机,该系统主要由厌恶采集模块,雨滴模块,DS1302定时模块,OLED显示模块,DHT11温湿度检测模块,IC刷卡模块,继电器模块组成。

图2 硬件电路
三.软件设计
系统在完成系统初始化后就开始温湿度检测,CO检测,火焰检测,液体泄漏检测,RFID刷卡检测,红外人体检测,当判断检测到人时,继续判断是否检测到刷卡,是则显示身份信息,否则显示闯入报警。判断温度是否超限,是则控制继电器打开水阀降温。判断CO是否超限,是则通过蜂鸣器报警并通过继电器打开风扇。判断是否检测到明火,是则蜂鸣器报警。再判断是否有按键指令和上位机指令,是则执行指令。

图3 程序流程图

图4 主程序
审核编辑:刘清
一款可植入电池内部的高精度光纤传感器
时间:2026-03-18
拜安半导体6英寸MEMS光纤传感器芯片特色生产...
时间:2026-03-18
探讨一下IGBT的片上电流传感器基本原理及用...
时间:2026-03-18
基于微针的生物传感器研究进展
时间:2026-03-18
全志R128应用开发案例—中断方式驱动旋转编...
时间:2026-03-18
索尼推出业内首颗最高像素车载CMOS图像传感...
时间:2026-03-18
onsemi推出适用于智能家居的Hyperlux LP图像...
时间:2026-03-18
Melexis推出高性能线性行程磁位置传感器芯片
时间:2026-03-18
使用XR806芯片驱动一下DHT11温湿度传感器
时间:2026-03-18
具有弯曲宏观裂纹的多功能水凝胶传感器
时间:2026-03-18
玻璃釉电容器的结构与特点
时间:2026-03-05
电阻的标称阻值和允许偏差
时间:2026-03-05
石英灯电子变压器电路原理
时间:2026-03-06
变压器并列运行的条件浅析
时间:2026-03-06
碳膜电阻如何识别_金属膜电阻器和碳膜电阻器...
时间:2026-03-05
三极管的主要参数
时间:2026-03-07
光伏控制器简介
时间:2026-03-06
关于STM32WL LSE 添加反馈电阻后无法起振的...
时间:2026-03-05
贴片电阻怎么识别_贴片电阻识别方法
时间:2026-03-05
可调电阻怎么接线
时间:2026-03-05