先要搞清楚PNP、NPN 表示的意思是什么。P表示正、N表示负。PNP表示平时为高电位,信号到来时信号为负。NPN表示平时为低电位,信号到来时信号为高电位输出。接近开关和光电开关只是检测电路不同输出相同。至于PLC接线,一般用NPN的较多。但多数的日本的PLC有日本型、世界型、和通用型。进入中国的多数为世界型和通用型。可直接用NPN型。接近开关和光电开关的电源正端接电源正、负接公共端、输出接PLC的输入端。 PLC的输入类型是分漏式和源式的,前者指的是正信号输入(可直接用PNP),后者指的是负信号输入(可直接用NPN),否则必须用继电器转换后输入。
传感器的型式不一而足,不过一般用得最多的是两线跟三线的,两线的跟负载串联。三线的多为开集极输出,三根线分别为正负电源和输出晶体管的集电极。传感器的NPN和PNP是根据输出晶体管的型号来的。NPN的负载是接在正电源与集电极之间,而PNP是接在集电极与负电源之间的。要用万用表来判断传感器的型号,需要先给它一个负载,再根据它的输出电压来判断。

在机械设备控制中,从工程设计到应用安装都需要对控制部分的接近开关传感器接线方法非常清晰明了。
现实中却无法实现所有过程为同一人或都是专业且了解传感器与机械设备的全性能人员,故在机械手、机器人、自动化设备、半自动化生产线等有机械控制的地方应用到接近开关或光电传感器时,即可能出现对接线方法不完全了解的情况和现象。
一般而言二线式的传感器接线相对简单,只要区分DC(直流)与AC(交流),正负极正确就可运行使用。
需要区分的主要为三线式、四线式的接近开关、光电传感器,它们有正输出与负输出之分,即NPN型与PNP型。
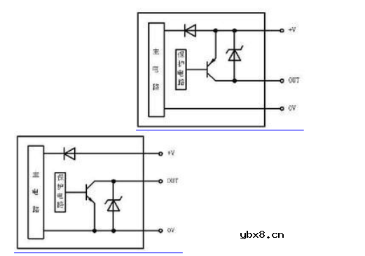
接线图为例如下:

一 、NPN型、 PNP型信号输出线的定义
1.VCC:为电源正极+V(接红色或褐色信号线);
2.GND:为电源负极0V或为接地线(接蓝色信号线);
3.OUT:为负载又称信号输出线(接黑色或白色信号线);
二、NPN型、 PNP型接线说明
1、NPN型工作原理
NPN型接近开关用于正极共点(COM),信号端为负电压输出;传感器内部开关是信号输出线OUT与GND(0V)电源“-”极相连,相当于OUT信号输出低电平。
NPN—NO常开型:是接近开关在无信号触发时,即信号输出线OUT与GND(0V)电源“-”极断开状态,相当于OUT信号输出端为空;有信号触发时,信号输出线OUT与GND(0V)电源“-”极相连,输出低电平0V。
NPN—NC常闭型:是接近开关在无信号触发时,输出与GND相同的0V低电平,即信号输出线OUT与GND(0V)电源“-”极相连;有信号触发时,信号输出线OUT与GND(0V)电源“-”极断开,相当于OUT信号输出端为空。
2、PNP型工作原理
PNP型接近开关是负极共点(COM),信号端为正电压输出;传感器内部开关是信号线OUT与VCC(+V)电源“+”极相连,相当于OUT信号输出端输出高电平的电源线。
PNP—NO常开型:是接近开关在无信号触发时,即信号输出线OUT与VCC(+V)电源“+”极断开状态,相当于OUT信号输出端为空;有信号触发时,输出与VCC(+V)电源“+”极相同电压,即信号输出线OUT与VCC(+V)电源“+”极相连,输出高电平。
PNP—NC常闭型:是接近开关在无信号触发时,输出与VCC(+V)电源“+”极相同电压,即信号输出线OUT与VCC(+V)电源“+”极相连,输出高电平;有信号触发时,信号输出线OUT与VCC(+V)电源“+”极断开,相当于OUT信号输出端为空。
对于四线制的NPN与PNP是基于三线制基础上将常开与常闭复合在同一个接近传感器之中,使用者可根据需要选择安装。
PNP与NPN型传感器其实就是利用三极管的饱和和截止,输出两种状态,属于开关型传感器。但输出信号是截然相反的,即高电平和低电平。NPN输出是低电平0,PNP输出的是高电平1。
PNP与NPN型传感器(开关型)分为六类:
1、NPN-NO(常开型)
2、NPN-NC(常闭型)
3、NPN-NC+NO(常开、常闭共有型)
4、PNP-NO(常开型)
5、PNP-NC(常闭型)
6、PNP-NC+NO(常开、常闭共有型)
PNP与NPN型传感器一般有三条引出线,即电源线VCC、0V线,out信号输出线。

1、PNP类
PNP是指当有信号触发时,信号输出线out和电源线VCC连接,相当于输出高电平的电源线。
对于PNP-NO型,在没有信号触发时,输出线是悬空的,就是VCC电源线和out线断开。有信号触发时,发出与VCC电源线相同的电压,也就是out线和电源线VCC连接,输出高电平VCC。
对于PNP-NC型,在没有信号触发时,发出与VCC电源线相同的电压,也就是out线和电源线VCC连接,输出高电平VCC。当有信号触发后,输出线是悬空的,就是VCC电源线和out线断开。
对于PNP-NC+NO型,其实就是多出一个输出线OUT,根据需要取舍。
2、NPN类
NPN是指当有信号触发时,信号输出线out和0v线连接,相当于输出低电平,ov。
对于NPN-NO型,在没有信号触发时,输出线是悬空的,就是0v线和out线断开。有信号触发时,发出与OV相同的电压,也就是out线和0V线连接,输出输出低电平OV。
对于NPN-NC型,在没有信号触发时,发出与0V线相同的电压,也就是out线和0V线连接,输出低电平0V。当有信号触发后,输出线是悬空的,就是0V线和out线断开。
对于NPN-NC+NO型,和NPN-NC+NO型类似,多出一个输出线OUT,及两条信号反相的输出线,根据需要取舍。
新型植入式气体传感器问世,可在人体内溶解
时间:2026-03-16
美国康奈尔大学官网
时间:2026-03-16
差压传感器的典型应用_差压传感器的安装
时间:2026-03-16
建筑物中的物联网传感器可以做什么?
时间:2026-03-16
物位传感器有哪些_物位传感器的实际应用
时间:2026-03-16
物位传感器的工作原理_物位传感器的特点
时间:2026-03-16
陀螺仪传感器的分类_陀螺仪传感器有什么用
时间:2026-03-16
模糊传感器的结构_模糊传感器的应用
时间:2026-03-16
小米重磅发布人体传感器2
时间:2026-03-16
中小企业受困 CIS 芯片缺货
时间:2026-03-16
玻璃釉电容器的结构与特点
时间:2026-03-05
电阻的标称阻值和允许偏差
时间:2026-03-05
石英灯电子变压器电路原理
时间:2026-03-06
变压器并列运行的条件浅析
时间:2026-03-06
关于STM32WL LSE 添加反馈电阻后无法起振的...
时间:2026-03-05
可调电阻怎么接线
时间:2026-03-05
压敏电阻有正负极吗
时间:2026-03-05
碳膜电阻如何识别_金属膜电阻器和碳膜电阻器...
时间:2026-03-05
晶体三极管放大电路的非线形失真及其解决办...
时间:2026-03-07
怎样测试三极管的好坏,NPN三极管如何知道是...
时间:2026-03-07