电磁感应式车速传感器安装在自动变速器输出轴附近的壳体上,用于检测自动变速器输出轴的转速。电控 单元ECU根据车速传感器的信号计算车速,作为换挡控制的依据。
车速传感器由永久磁铁和电磁感应线圈组成,如图2(a)所示。它被固定安装在白动变速器输出轴附近的 壳体上,输出轴上的停车锁定齿轮为感应转子,当输出轴转动时,停车锁定齿轮的凸齿,不断地靠近或离开 车速传感器,使线圈内的磁通量发生变化,从而产生交流电,车速传感器的工作原理,如图2所示。车速越 高,输出轴转速也越高,感应电压脉冲频率也越高,电控组件根据感应电压脉冲的大小计算汽车行驶的速度 。
电磁感应式车速传感器安装在自动变速器输出轴附近,如图8-9所示。该传感器用于检测自动变速器输出轴的转速,电控单元ECU根据该传感器提供的信号计算车速,并以此作为换挡控制的依据。

电磁感应式车速传感器结构如图8-10(a)所示,该传感器主要由永久磁铁、线圈组成。
由于电磁感应式车速传感器安装在自动变速器输出轴附近的壳体上,当输出轴转动时,输出轴上的停车锁止齿轮随其一起转动,从而使齿轮上的凸齿不断地靠近或离开车速传感器,使通过传感器线圈内的磁通量不断变化,进而在线圈上产生一个周期变化的感应电压,如图8-10(b)所示。

图8-10 电磁感应式车速传感器结构与感应电压曲线
汽车行驶的车速越高,输出轴的转速就越高,传感器线圈中产生的感应电压的脉冲频率也就越高,电控单元便根据感应电压脉冲的大小计算汽车的行驶速度。
在部分装有自动变速器的汽车上,变速器的输入轴转速传感器也采用电磁感应式转速传感器,以用来检测变速器的输入轴转速,并将检测的信号输入ECU,使ECU更精确地控制换挡过程。此外,ECU还将该信号和来自发动机控制系统的发动机转速信号进行比较,计算出液力变矩器的传动比,使油路压力控制过程和锁止离合器的控制过程得到进一步的优化,以改善换挡感觉,提高汽车的行驶性能。
电磁感应式车速传感器的检测方法有:开路检测、模拟检测和单件检测等三种。
(1)开路检测
断开车速传感器连接器接头,用万用表测量传感器两接线端子间的电阻,如图8-11所示。不同自动变速器的车速传感器感应线圈的电阻值不同,一般为几百到几千欧姆,如果偏大或偏小,都应该根据电路图检查线路。

图8-11车速传感器电阻的检测
(2)模拟检测
将车支起,用手转动悬空的驱动车轮,同时用万用表测量车速传感器的两接线端子间有无脉冲感应电压。若万用表指针有摆动,说明传感器有输出的脉冲电压,传感器工作正常;否则说明传感器有故障,应进一步检查传感器转子及感应线圈是否脏污。若脏污,应进行清洁后再进行测试。若传感器仍无脉冲电压产生,说明传感器已经损坏,则应及时更换。
(3)单件检测
拆下车速传感器,用一根铁棒或一块磁铁迅速靠近或离开传感器,同时用万用表测量传感器两接线端子间有无脉冲电压产生,如图8-12所示。如果没有感应电压或感应电压很微弱,说明传感器有故障,应进一步检查。再试验确认有故障后,应更换传感器。

图8-12单件检测车速传感器的脉冲电压
而对于变速器输入轴电磁感应式车速传感器,检测方法与电磁感应式车速传感器的检测方法基本相同,在此不再叙述。
(1)别克轿车车速传感器、输入轴转速传感的检测
1)别克轿车车速传感器的检测。
上海别克轿车车速传感器安装在自动变速器延伸壳体的外侧,它是由磁感应式车速传感器。该车速传感器的齿盘与差速器、主减速器行星齿轮架总成相连接,所以它可以监测变速器的输出转速。该信号用于控制换挡模式、主油路油压、变矩器锁定离合器(TCC)的结合和分离。
电磁感应式车速传感器的检测,主要检测其信号电压和传感器线圈电阻值。电磁感应式车速传感器输出电压随车速的变化而发生变化,其变化范围为0.5~200V。车速传感器电阻值在20℃时,应为981~1471Ω。
2)变速器输入轴转速传感器的检测。
别克轿车变速器输入轴转速传感器安装在变速器内部靠近驱动链轮处,如图8-13所示。该传感器也是电磁感应式,它的齿盘与驱动链轮相连接,而驱动链轮又与涡轮轴相连接,所以传感器可监测变速器的输入转速。该信号用于控制主油路压力、TCC结合与分离及变速器的换挡模式,也用于计算合适的挡位,和TCC的滑差。

图8-13 变速器输入轴转速传感器的检测
图8-14为变速器输入轴转速传感器与PCM(动力控制模块)的连接电路。该传感器的检测内容是:

图8-14 变速器输入轴转速传感器与PCM(动力控制模块)的连接电路
①检查信号电压:
将点火开关置于“OFF”位置,拔下输入轴转速传感器连接器插头,再将点火开关置于“ON”位置,启动发动机使其运转,用万用表的交流电压挡测量传感器插座上两端子之间的电压信号,该值应为0.5V。如果电压信号高于或低于规定值,应进一步检查传感器的连接电路导线是否开路、断路。
②检测传感器头与齿盘间的间隙:
传感器头与齿盘间的间隙标准值应为0.08~2.12mm,若检测发现不在规定范围内应进行调整。(2)广州本田轿车变速器输入轴转速传感器的检测
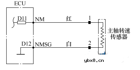
广州本田轿车变速器输入轴转速传感器又称为主轴转速传感器,安装在变速器主轴上末端处,如图8-15所示。其电路图如图8-16所示。|

图8-15主轴转速传感器的安装位置

图8-16主轴转速传感器的电路
主轴转速传感器的检测方法如下:
①检测主轴转速传感器的电阻值
将点火开关置于“OFF”位置,断开主轴转速传感器的2芯插头,测量2芯插头的1、2号端子之间的电阻值,该值应在400~600Ω之间,如果电阻偏大或偏小都说明传感器有故障,应更换传感器。
②检测主轴转速传感器是否短路
将点火开关置于“OFF”位置,拆下主轴转速传感器2芯插头,分别测量2芯插头的1、2号端子与车体搭铁之间的电阻值,该值应为∞,否则说明传感器有故障,应更换传感器。
③检测主轴转速传感器线束是否断路
重新连接传感器的2芯插头,拔下ECU上D插头(16芯),测量D插头上11、12两端子之间的电阻值,该值应在400~600Ω之间,如果电阻偏大或偏小都说明传感器有故障,则应更换传感器。
④检测主轴传感器线束是否短路
分别测量ECU的D插头上11、12两端子与车体搭铁之间的电阻值,该值应为∞。否则应更换传感器。
转向辅助灯和自动转向灯的对比 各有何作用
时间:2026-03-16
浅谈接近与环境光强度数字传感器-APDS9930
时间:2026-03-16
详解DHT11数字温湿度传感器实验
时间:2026-03-16
详解Arduino GY-30数字光强传感器应用
时间:2026-03-16
浅析数字传感器的现在与未来
时间:2026-03-16
浅析CC2530下ZigBee协议栈中添加BH1750数字...
时间:2026-03-16
自动大灯远近光原理 自动大灯正确使用方法
时间:2026-03-16
热电偶为什么要冷端补偿
时间:2026-03-16
ZMOD4410总挥发性有机物和室内空气质量传感...
时间:2026-03-16
矽睿科技完成B轮融资 成立新一届董事会
时间:2026-03-16
玻璃釉电容器的结构与特点
时间:2026-03-05
电阻的标称阻值和允许偏差
时间:2026-03-05
石英灯电子变压器电路原理
时间:2026-03-06
变压器并列运行的条件浅析
时间:2026-03-06
关于STM32WL LSE 添加反馈电阻后无法起振的...
时间:2026-03-05
可调电阻怎么接线
时间:2026-03-05
压敏电阻有正负极吗
时间:2026-03-05
碳膜电阻如何识别_金属膜电阻器和碳膜电阻器...
时间:2026-03-05
晶体三极管放大电路的非线形失真及其解决办...
时间:2026-03-07
怎样测试三极管的好坏,NPN三极管如何知道是...
时间:2026-03-07